lemon-mirror:
Home >> Subaru >> 1986 >> RX >> Repair and Diagnosis >> Engine Performance >> Ignition System >> Ignition System - HITACHI >> Testing >> Ignition Knock Control System >> 4WD Turbo Models

4WD Turbo Models

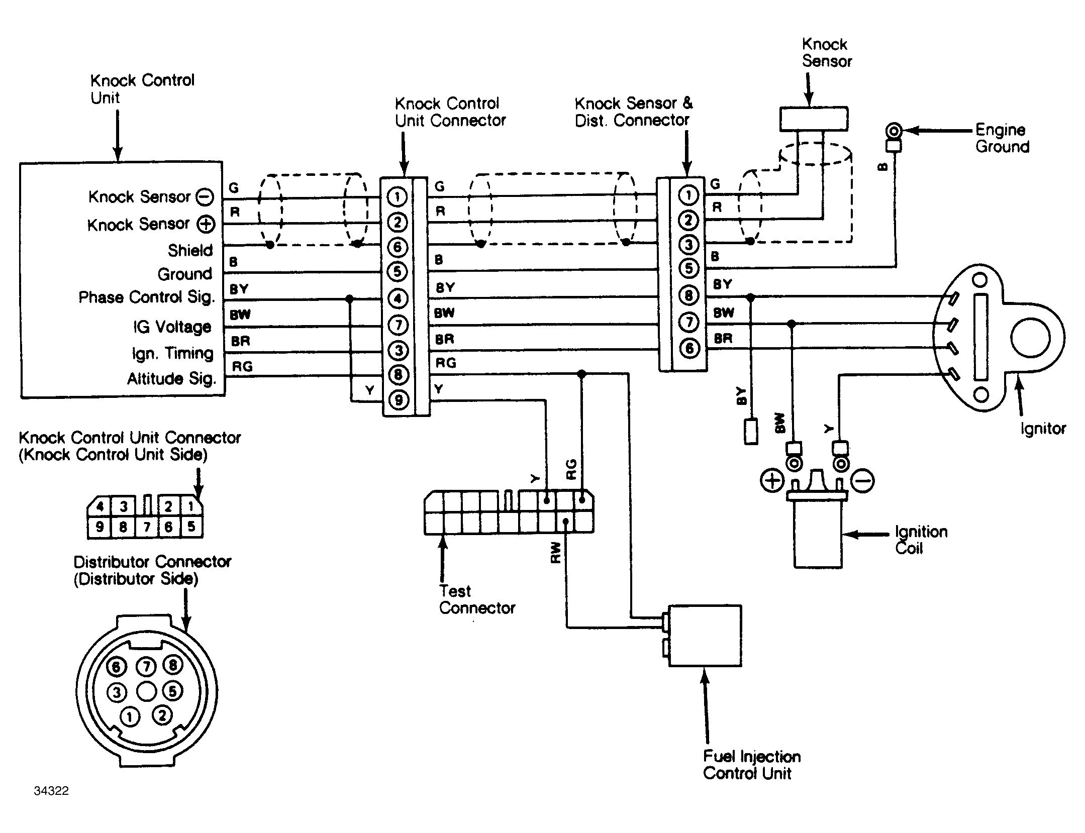
  1. With engine at idle speed, check voltage between "BY" test terminal and engine ground. See Fig 1. If voltage is 1.7 or 3.1 volts, go to step 13). If voltage is between 0-1 volts, phase control signal system is faulty. Go to step 4).
  2. If voltage is between 1-5.8 volts, there is interference between ignition system high tension leads and knock control sensor wiring. Move high tension leads away from knock control sensor wiring, especially at connector.
  3. If voltage in step 1) is about 5.8 volts, ignition timing signal wiring in phase control signal system is faulty, go to step 8). If voltage is step 1) is about 12 volts, check engine ground connections.
  4. Turn ignition off. Disconnect distributor connector. Check continuity between "BY" test terminal and distributor connector terminal 8 ("BY" on distributor side). If no continuity, repair harness. If continuity is okay, go to next step.
  5. Measure resistance between distributor connector terminal 8 ("BY" on distributor side) and engine ground. If reading is zero ohms or infinity, check wiring between ignitor and terminal 8 for open circuit or short. If okay, replace ignitor. If wiring is not okay, repair harness.
  6. If reading in step 5) is not zero ohms or infinity, connect distributor connector. Turn ignition on. Check voltage between "BW" (terminal 7 of knock control unit connector) and body ground. See Fig 1. If reading is not 12 volts, repair harness.
  7. If reading is 12 volts, turn ignition off and disconnect knock control unit connector. Check wiring between "BY" terminals of knock control unit connector and distributor connector for open circuit or short. If okay, replace knock control unit. If wiring is not okay, repair harness.
    Fig 1: Wiring Diagram of Ignition Knock Control System Used in 4WD Turbo Models
    G34322
  8. With engine at idle, disconnect distributor connector. Check voltage between distributor connector terminal 6 ("BR" on distributor side) and engine ground. See Fig 1. If reading is about 0.5 volts, go to step 10). If not, go to next step.
  9. Turn engine off. Check wiring between ignitor and distributor connector terminal 6 for open circuit or short. If okay, replace ignitor. If wiring is not okay, repair harness.
  10. Check voltage between distributor connector terminal 8 ("BY" on distributor side) and engine ground. If reading is 0.5-1.7 volts, go to next step. If reading is zero volts, harness is disconnected or needs repair. If reading is not zero volts, replace ignitor.
  11. Turn engine off. Measure resistance between distributor connector terminal 6 ("BR" on knock control side) and engine ground. If reading is not zero ohms or infinity, replace knock control unit.
  12. If reading in step 11) is zero ohms or infinity, disconnect knock control unit. Check wiring between "BR" terminals of knock control unit connector and distributor connector for open circuit or short. If okay, replace knock control unit. If wiring is not okay, repair harness.
  13. Observe voltmeter while tapping crankcase 10 times or more with a small hammer. If reading goes from 1.7 or 3.1 volts to about 5.8 volts, go to next step. If not, phase control signal system is faulty, go to step 20)
  14. Connect timing light to engine. Check to see if ignition timing is retarded by 10° or 15° degrees. If yes, go to step 16). If not, go to next step.
  15. Turn engine off. Disconnect distributor connector. See Fig 1. Check continuity between "BY" terminals at ignitor and distributor connector. If continuity is okay, replace ignitor. If no continuity, repair harness.
  16. Check voltage between "BY" test terminal and engine ground. If reading is about 3.1 volts, there is a short circuit in altitude signal terminals "RG" and "RW" of test connector. See Fig 1. If ignition timing advanced 5°, ignition knock control system is okay. If not, go to step 18).
  17. If reading is about 1.7 volts, connect terminal "RG" of test connector (altitude signal) to body ground. If ignition timing does not retard by 5°, replace knock control unit. If ignition timing retards by 5°, ignition knock control system is okay.
  18. Check voltage between terminal "RG" of test connector and body ground. If reading is not about 5 volts, test fuel injection control unit. If reading is about 5 volts, go to next step.
  19. Turn engine off. Disconnect knock control unit connector. Check wiring between "RG" terminals of knock control unit connector and test connector for continuity or short. If okay, replace knock control unit. If wiring is not okay, repair harness.
  20. Start and run engine at 3000-3500 RPM. Check voltage between "BY" test terminal and engine ground. If reading is not about 5.8 volts, go to step 23). If reading is about 5.8 volts, go to next step.
  21. Disconnect knock sensor connector. Check resistance between knock sensor connector terminals "G" and "R". See Fig 1. If reading is zero ohms or infinity, go to next step. If not, replace knock sensor.
  22. Disconnect knock control unit connector. Check wiring between knock control unit and knock sensor terminals "G" and "R" for open circuit or short. If okay, replace knock control unit. If wiring is not okay, repair harness.
  23. Check voltage between terminal "Y" of test connector and body ground. If reading is 1.7 volts or 3.1 volts, go to next step. If not, knock control unit connector is disconnected.
  24. Disconnect knock sensor connector, and check tightness of knock sensor. Tighten if necessary. Start and run engine at 3000-3500 RPM. Check voltage between "BY" test terminal and engine ground. If reading is not about 5.8 volts, go to step 26). If reading is about 5.8 volts, go to next step.
  25. Allow engine to idle. Connect a NEW knock sensor to harness and tap hexagon part of sensor with a screwdriver for at least 10 times. If reading goes from 1.7 or 3.1 volts to about 5.8 volts, replace knock sensor. If not, replace knock control unit.
  26. Turn engine off. Disconnect knock control unit connector. Check wiring between terminals "BY" of control unit connector and distributor connector for open circuit or short. If okay, replace knock control unit. If wiring is not okay, repair harness.