lemon-mirror:
Home >> Subaru >> 1987 >> Justy GL >> Repair and Diagnosis >> Engine Performance >> System >> Feedback Carburetor System >> Wiring Diagrams

Wiring Diagrams

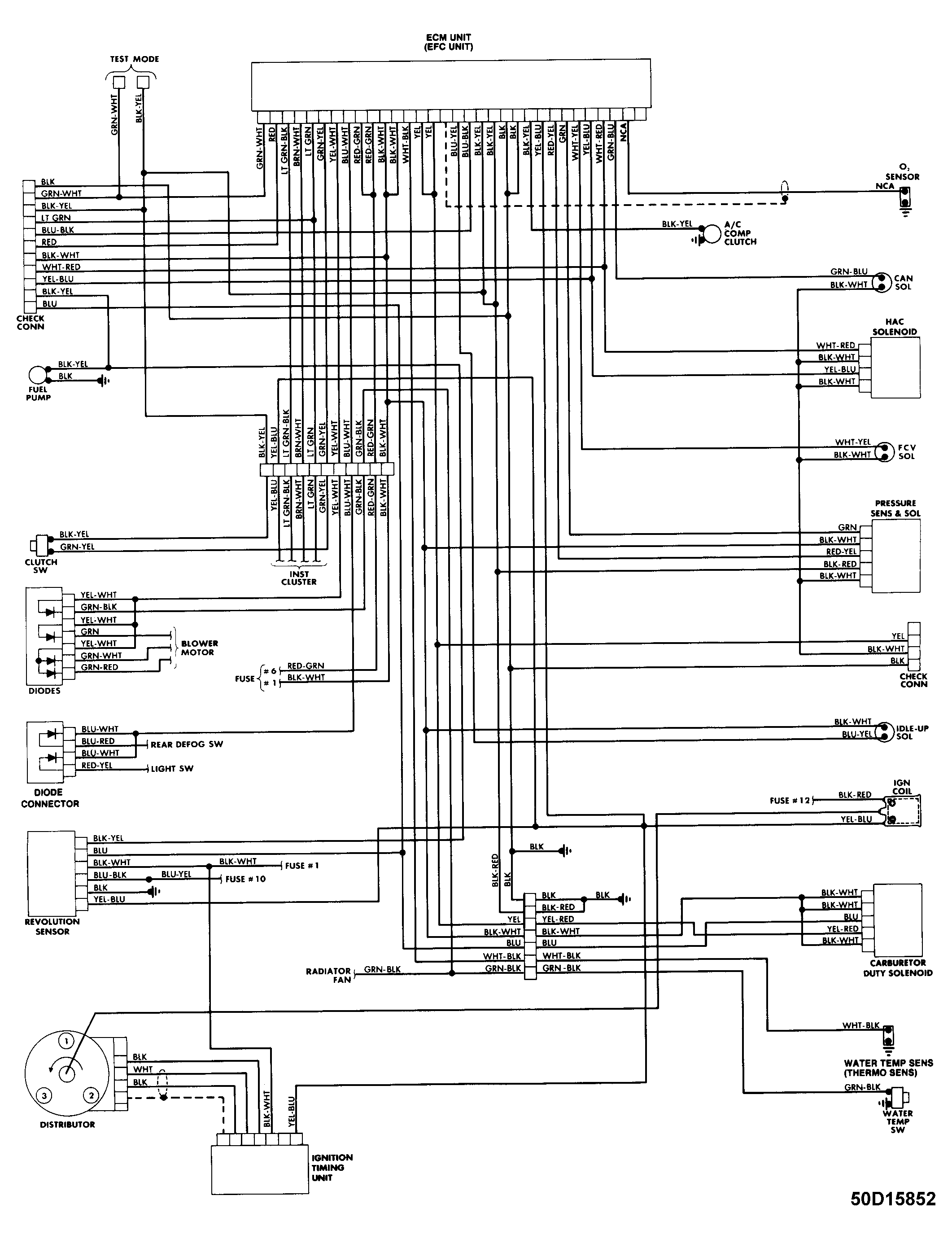
Fig 1: Wiring Diagram For All Carbureted Models Except Justy
G61847
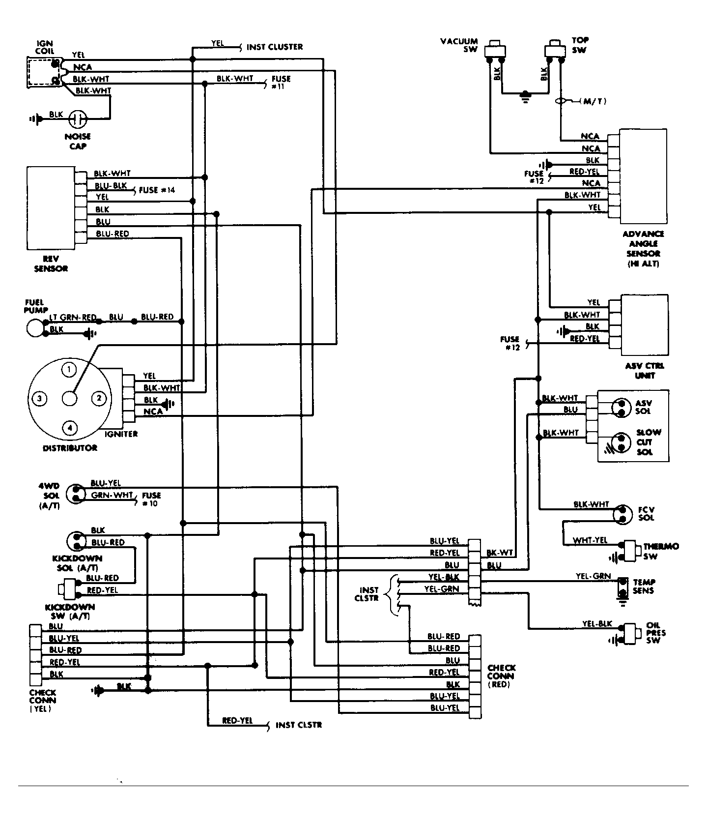
Fig 2: Wiring Diagram For Justy
G50D15852