lemon-mirror:
Home >> Subaru >> 1992 >> SVX >> Repair and Diagnosis >> Body & Frame >> Power Windows >> Component Testing >> System Switches

System Switches

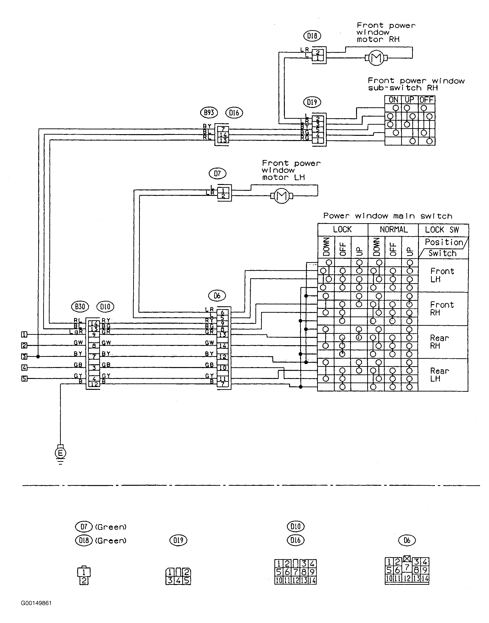
Use switch diagrams in following illustrations to check switch continuity. See Fig 1 and Fig 2 .

Fig 1: Wiring Diagram & Switch Testing (1 of 2)
G00149857Courtesy of SUBARU OF AMERICA, INC.
Fig 2: Wiring Diagram & Switch Testing (2 of 2)
G00149861Courtesy of SUBARU OF AMERICA, INC.