lemon-mirror:
Home >> Subaru >> 1995 >> Legacy Base >> Repair and Diagnosis >> Engine Mechanical >> Electric Cooling Fans >> Component Locations >> Engine Systems

Engine Systems

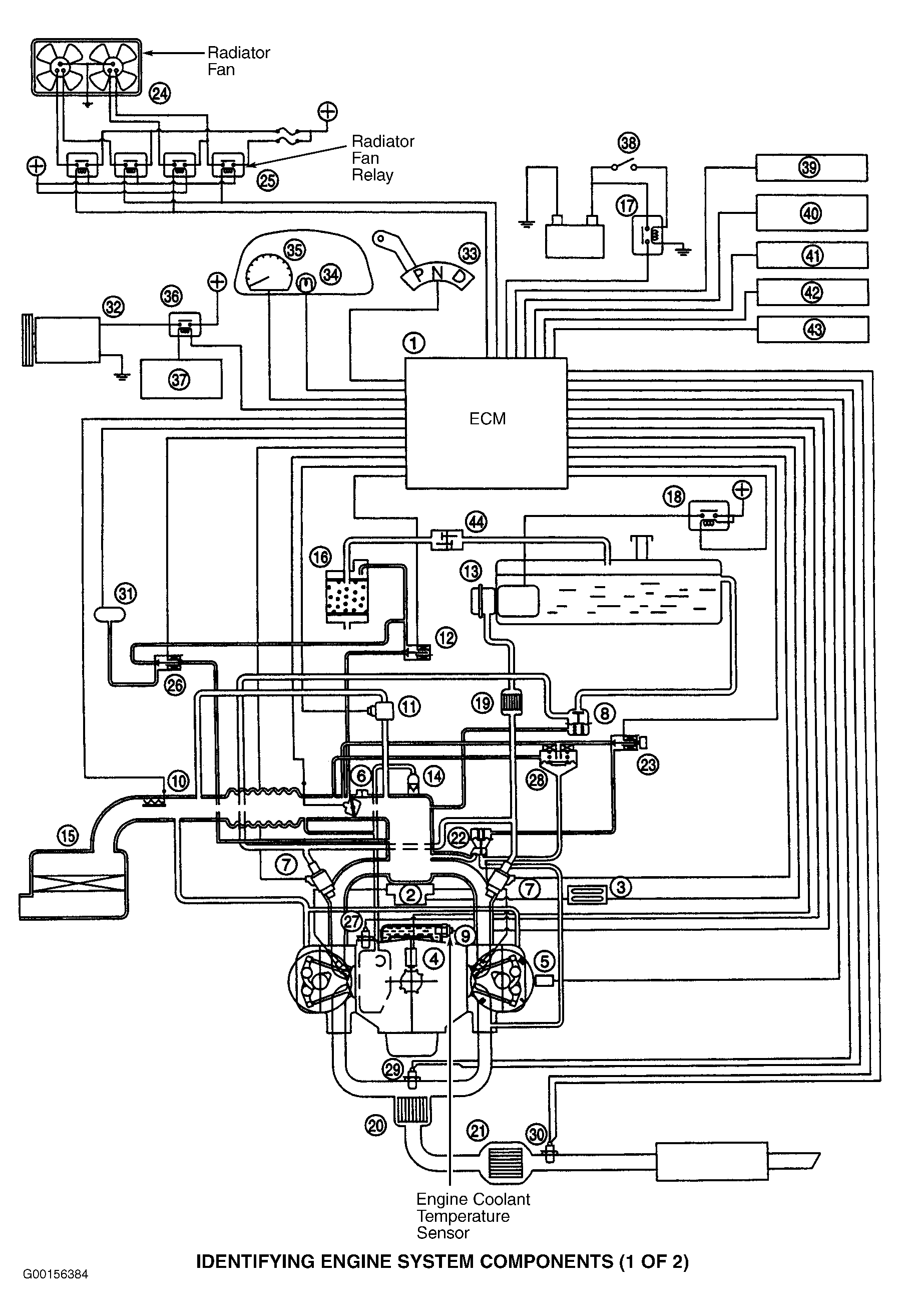
Fig 1: Identifying Engine System Components - Legacy (1 Of 2)
G00156384Courtesy of SUBARU OF AMERICA, INC.
Fig 2: Identifying Engine System Components, Legend - Legacy (2 Of 2)
G00156420Courtesy of SUBARU OF AMERICA, INC.
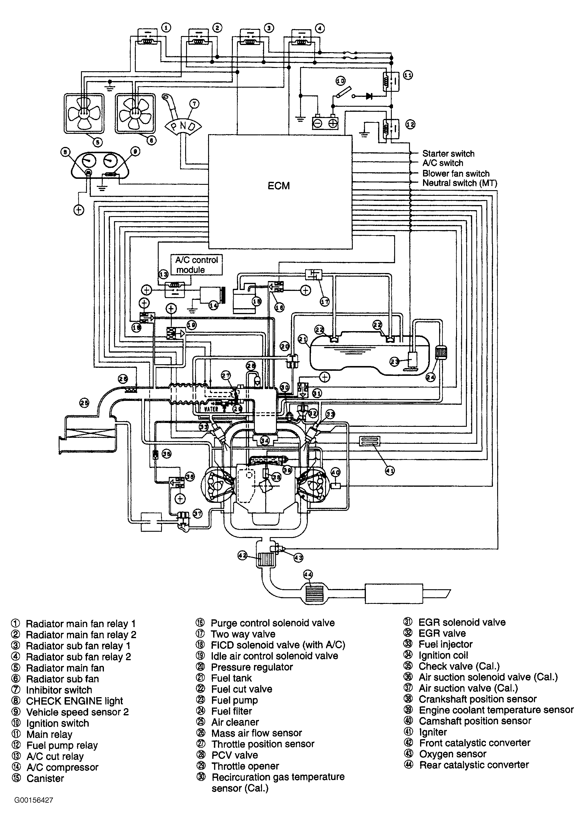
Fig 3: Identifying Engine System Components - Impreza
G00156427Courtesy of SUBARU OF AMERICA, INC.