lemon-mirror:
Home >> Subaru >> 2000 >> Outback Base, Automatic >> Repair and Diagnosis >> External Pages >> Different car >> Section 20 (Lighting Systems) >> Interior Light System >> Schematic >> Interior Light

Interior Light

WARNING: This page is about a different car, the 2001 Subaru Outback and 2001 Subaru Legacy. However, it is still accessible from the selected car via links, so may be relevant.
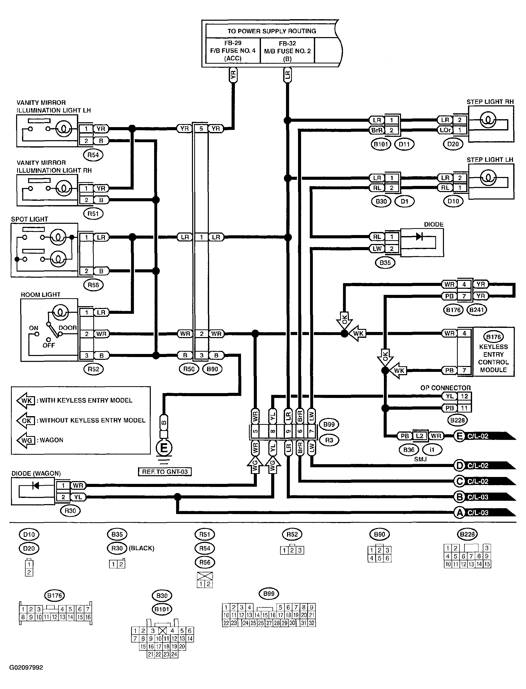
Fig 1: Interior Light Schematic (1 Of 3)
G02097992
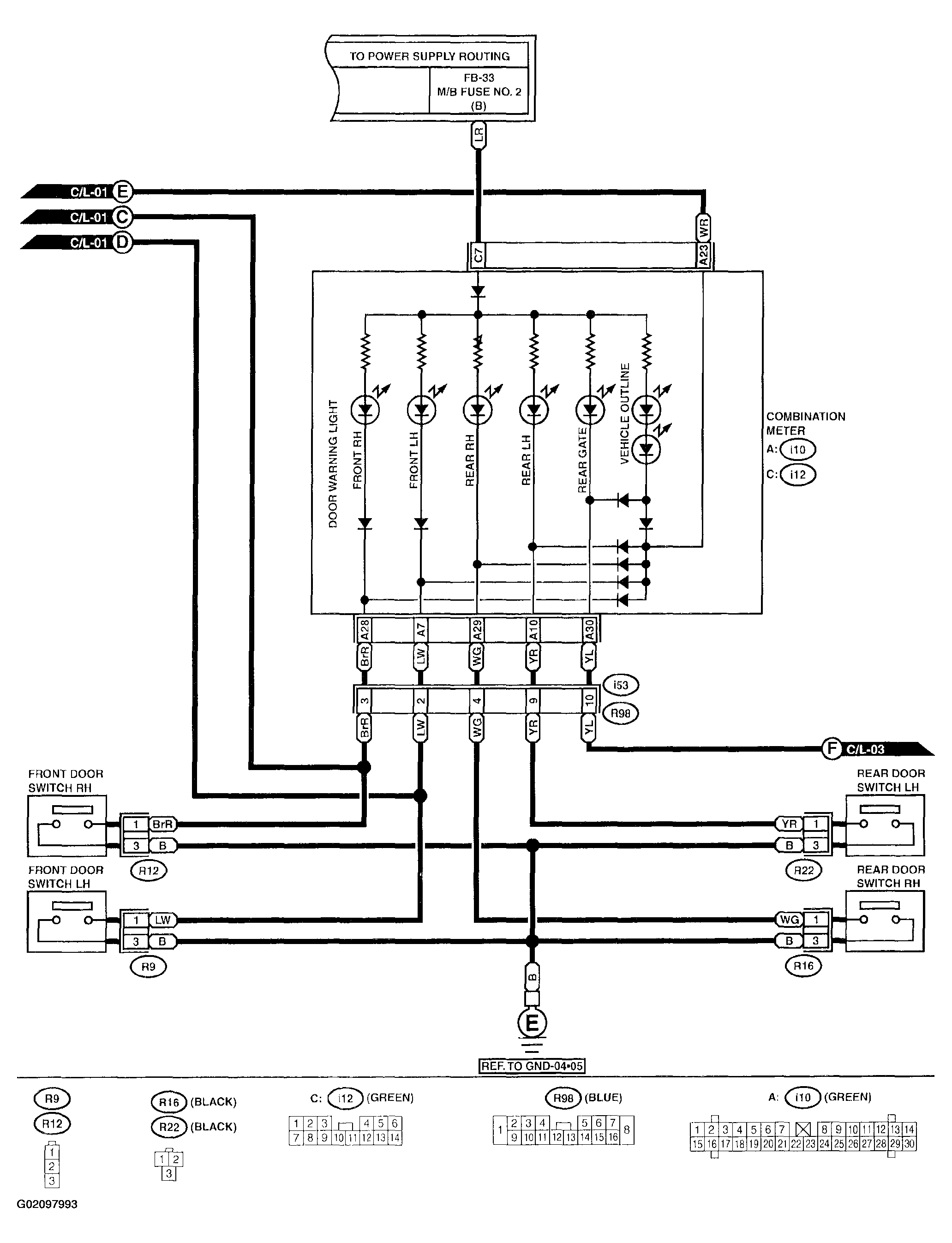
Fig 2: Interior Light Schematic (2 Of 3)
G02097993
Fig 3: Interior Light Schematic (3 Of 3)
G02097994