lemon-mirror:
Home >> Subaru >> 2000 >> Outback Base, Standard >> Repair and Diagnosis >> Transmission >> Manual Trans >> Overhaul - 5-Speed >> Transaxle Disassembly

Transaxle Disassembly

  1. Remove operating cylinder and clutch release lever. Remove transfer case assembly. Remove mainshaft bearing mounting bolts. Remove mainshaft rear plate. Tape splines of right and left axle shafts to prevent oil seal damage. Separate transaxle case into right and left cases by removing 17 bolts and nuts. See Fig 1.
  2. Remove clutch release lever and bearing. Remove bearing bolts and mainshaft rear plate. Wrap tape around drive shaft splines. Separate transaxle case halves. Remove drive pinion shaft, mainshaft and differential assemblies. Mark roller bearing outer races for reassembly reference. See Fig 1.
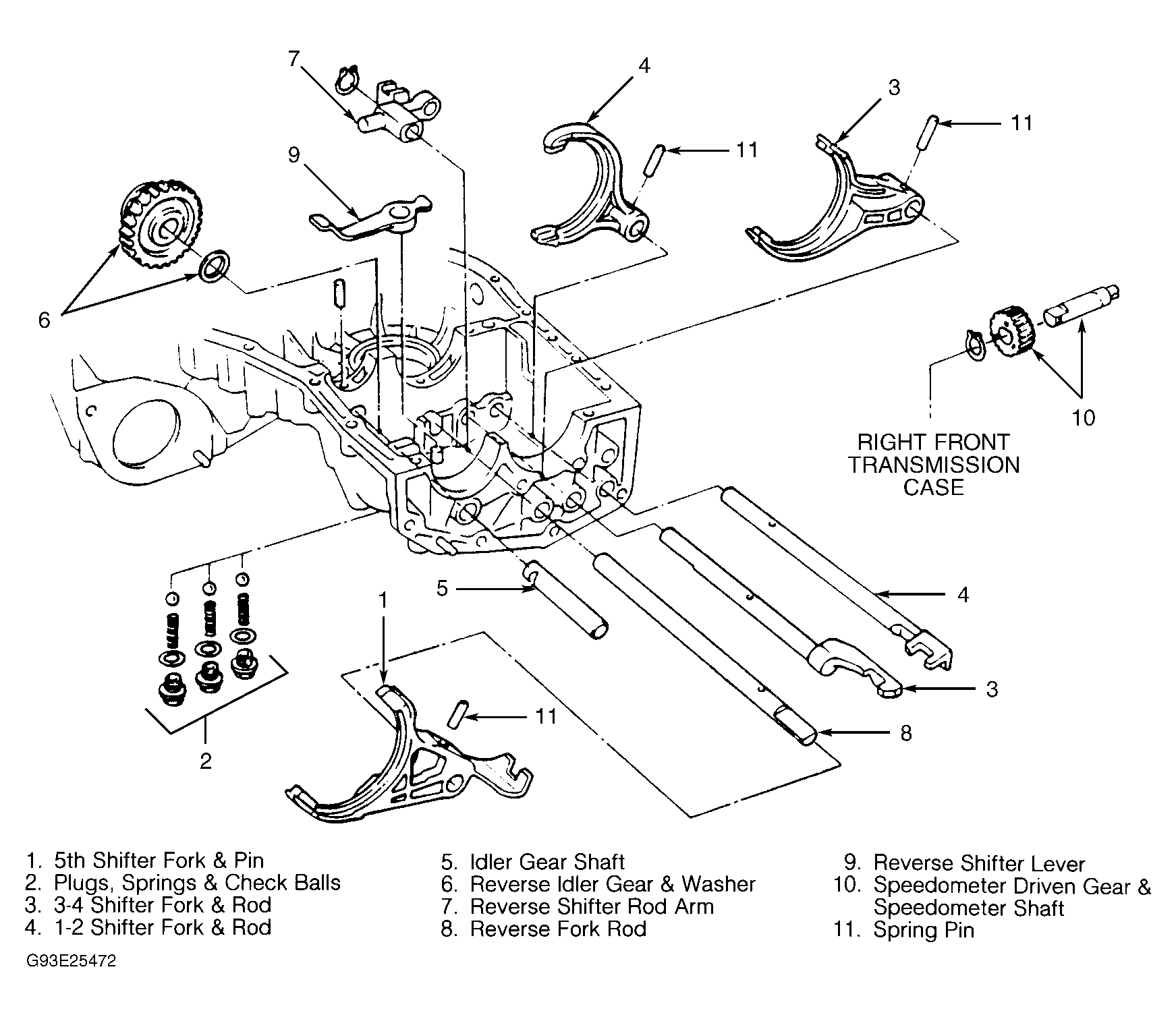
  3. Drive out spring pin to remove 5th shifter fork. Remove plugs, springs and check balls. Drive out spring pins. Remove 3rd-4th fork rod and shifter fork (keeping other rods in Neutral position), 1st-2nd fork rod and shifter fork. Remove idler gear shaft, reverse idler gear and washer. See Fig 2.
  4. Remove outer snap ring, then reverse shifter rod arm from reverse fork rod. Remove ball, spring and interlock plunger. Remove rod and reverse shifter lever. Remove interlock plungers from case. Remove differential side retainers. Remove snap ring and speedometer driven gear. Remove vehicle speed sensor, oil seal, speedometer shaft and washer.
Fig 1: Exploded View Of Transaxle Case
G93D25471Courtesy of SUBARU OF AMERICA, INC.
Fig 2: Exploded View Of Shifter Forks & Rods
G93E25472Courtesy of SUBARU OF AMERICA, INC.