lemon-mirror:
Home >> Subaru >> 2001 >> Forester Base >> Repair and Diagnosis >> Transmission >> Automatic Trans >> A/T Mechanism & Function >> Transmission Control Module (TCM) >> Reverse Inhibit Control

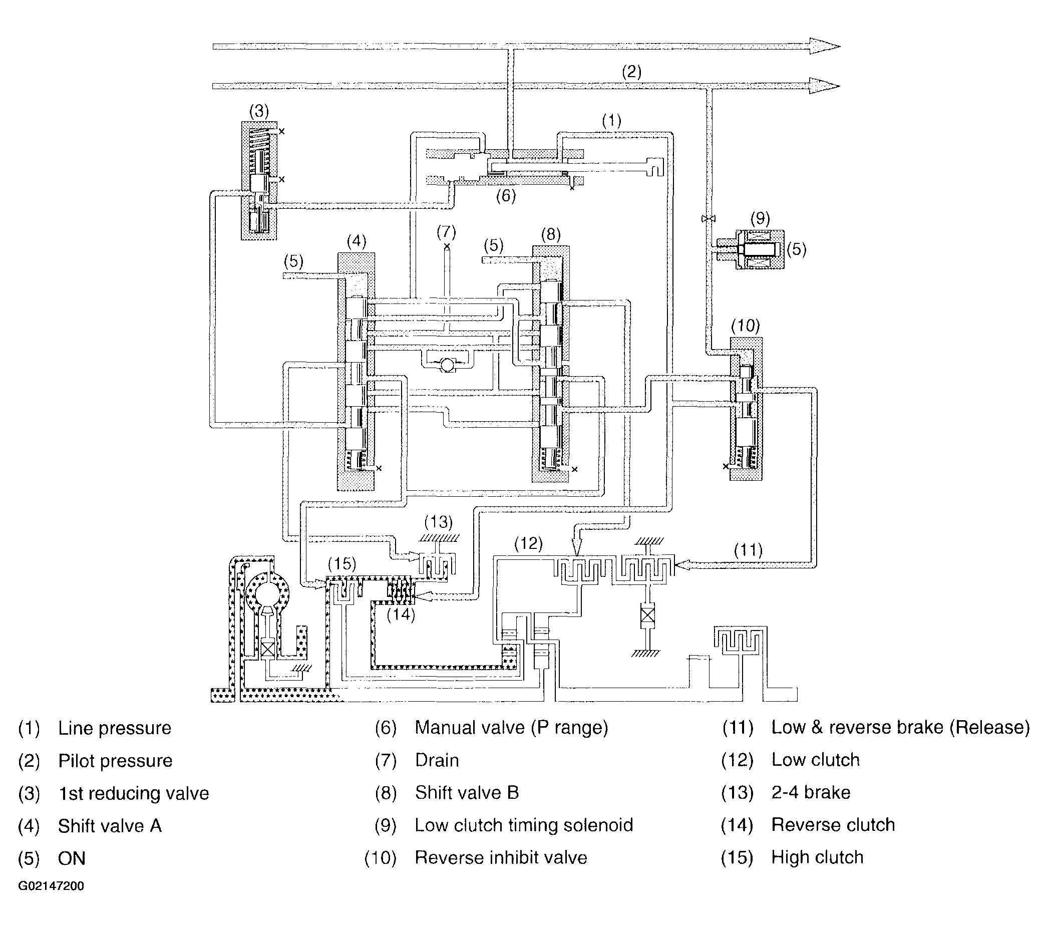
Reverse Inhibit Control

This control prevents the transmission from shifting into reverse when the select lever is accidentally placed in "R" range, protecting the components such as reverse clutch against damage.

If "R" range is selected during driving at a speed higher than the predetermined, the low clutch timing solenoid is energized.

Then, the pilot pressure is supplied to the reverse inhibit valve. This causes the reverse inhibit valve to move downward, closing the low & reverse brake port.

In this condition, the low & reverse brake does not engage since the ATF flowing from the manual valve is blocked by the reverse inhibit valve.

As a result, the transmission is put into Neutral, and the shifting into reverse is inhibited.

Fig 1: Reverse Inhibit Control
G02147200