lemon-mirror:
Home >> Subaru >> 2001 >> Outback Base, Automatic >> Repair and Diagnosis >> Transmission >> Automatic Trans >> Diagnostics >> Diagnostic Procedure with Trouble Code >> Code 27: ATF Temperature Sensor >> Trouble Symptom

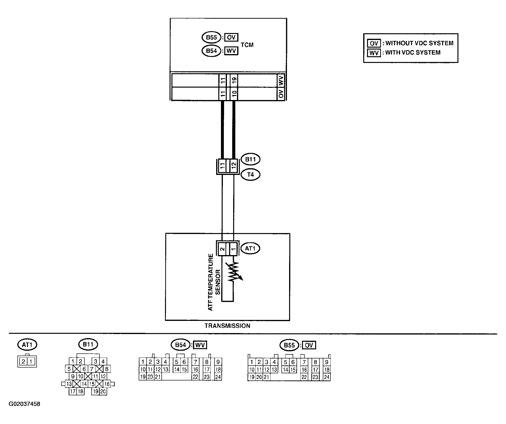
Code 27: ATF Temperature Sensor: Trouble Symptom

Excessive shift shock.

Fig 1: Trouble Code 27 - ATF Temperature Sensor Wiring Diagram
G02037458
Fig 2: Trouble Code 27 - Diagnostic Chart (1 Of 3)
G02037459
Fig 3: Trouble Code 27 - Diagnostic Chart (2 Of 3)
G02037460
Fig 4: Trouble Code 27 - Diagnostic Chart (3 Of 3)
G02037461