lemon-mirror:
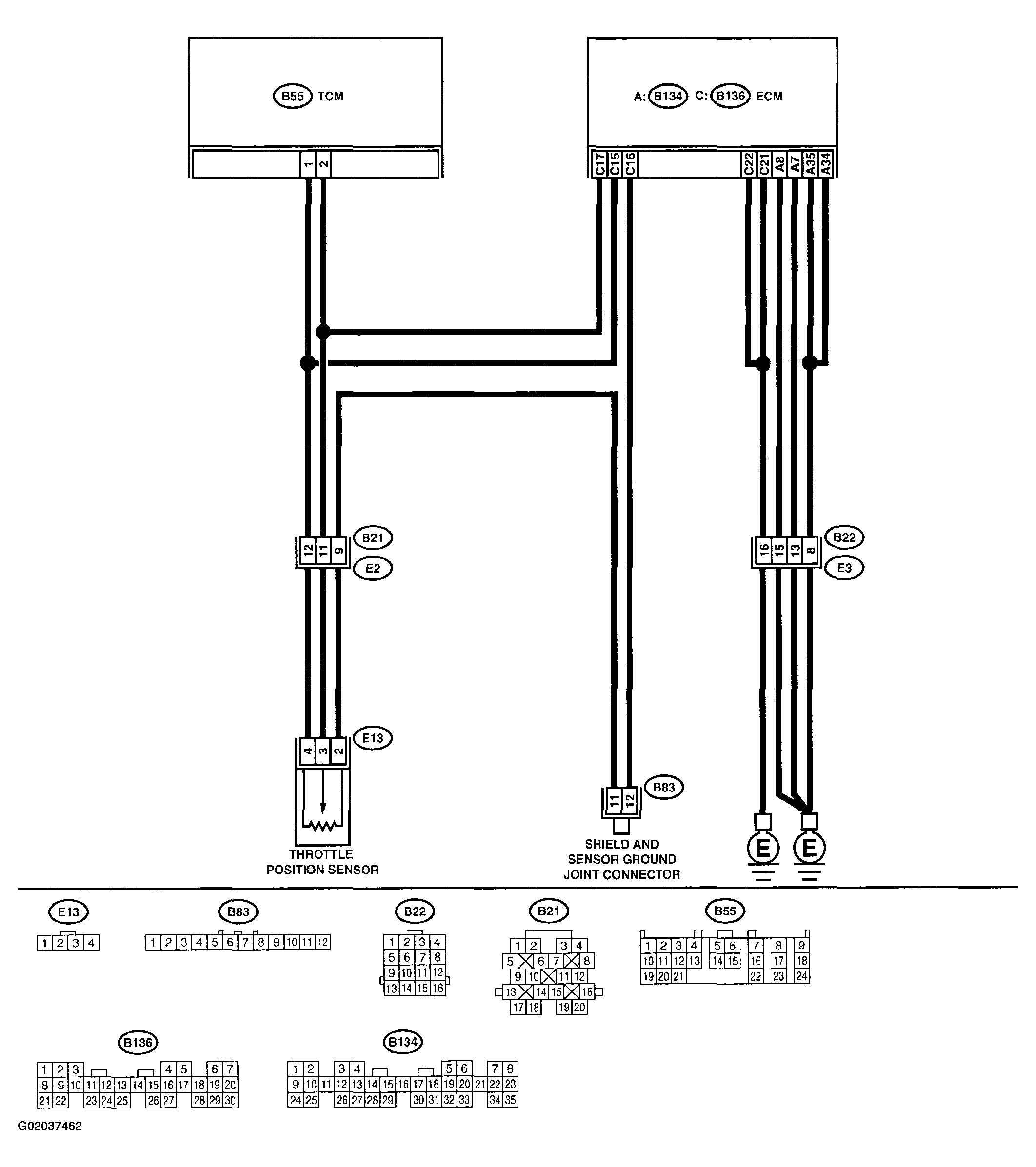
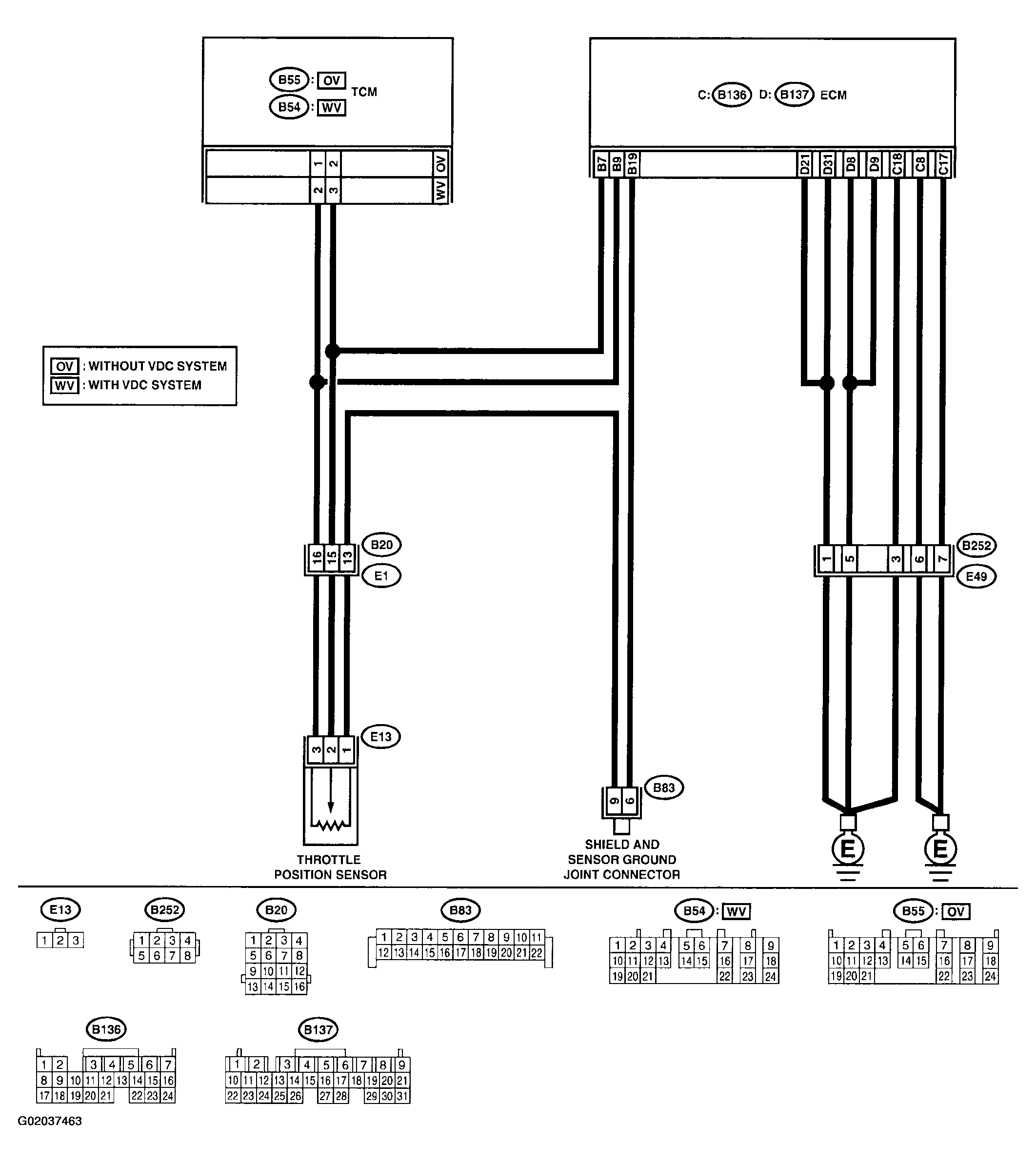
Home >> Subaru >> 2001 >> Outback Base, Automatic >> Repair and Diagnosis >> Transmission >> Automatic Trans >> Diagnostics >> Diagnostic Procedure with Trouble Code >> Code 31: Throttle Position Sensor >> Trouble Symptom

Code 31: Throttle Position Sensor: Trouble Symptom

Shift point too high or too low; excessive shift shock; excessive tight corner "braking".