lemon-mirror
:
Home
>>
Subaru
>>
2001
>>
Outback Base, Automatic
>>
Repair and Diagnosis
>>
Transmission
>>
Automatic Trans
>>
Diagnostics
>>
Diagnostic Procedure with Trouble Code
>>
Communication For Initializing Impossible
>>
Control Module Power Supply And Ground Line
>>
Trouble Symptom
Control Module Power Supply And Ground Line: Trouble Symptom
AT OIL TEMP warning light remains on.
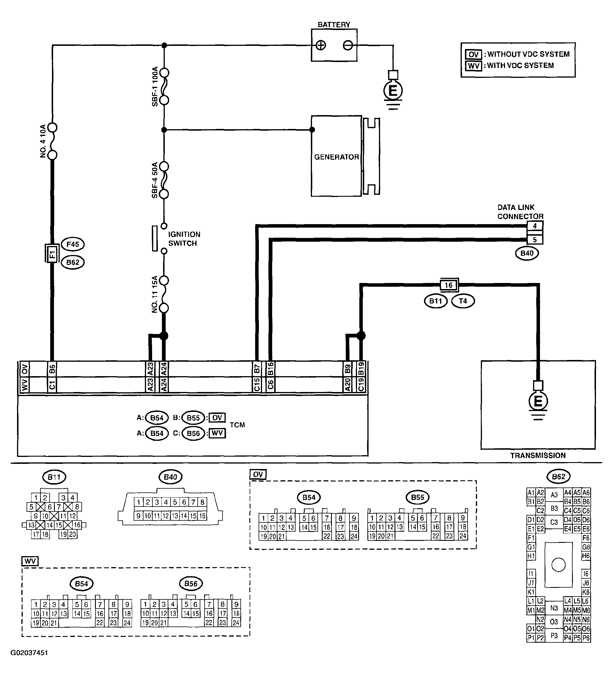
Fig 1: Diagnostic Procedure With Trouble Code Wiring Diagram
Fig 2: Diagnostic Procedure With Trouble Code Diagnostic Procedure - Chart (1 Of 2)
Fig 3: Diagnostic Procedure With Trouble Code Diagnostic Procedure - Chart (2 Of 2)