lemon-mirror:
Home >> Subaru >> 2001 >> Outback Base, Automatic >> Repair and Diagnosis >> Transmission >> Automatic Trans >> Diagnostics >> Reading Diagnostic Trouble Code >> Operation >> Without SUBARU Select Monitor

Without SUBARU Select Monitor

Fig 1: Reading Diagnostic Trouble Codes (Without Subaru Select Monitor)
G02037443

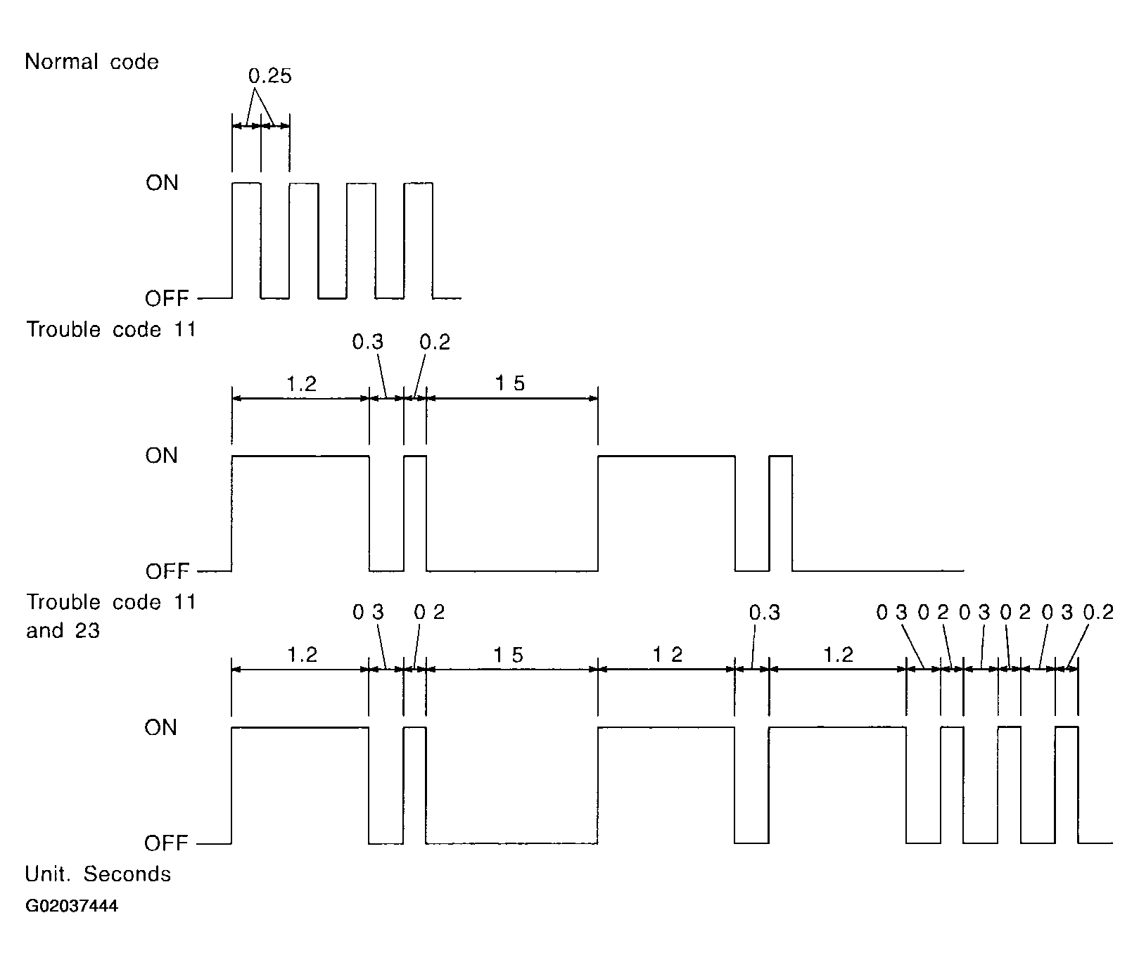
The AT OIL TEMP warning light flashes the code corresponding to the faulty part.

The long segment (1.2 sec on) indicates a "ten", and the short segment (0.2 sec on) signifies a "one".

Fig 2: Identifying Long & Short Segments (Without Subaru Select Monitor)
G02037444