lemon-mirror:
Home >> Subaru >> 2001 >> Outback Base, Standard >> Repair and Diagnosis >> Transmission >> Manual Transmission >> Speedometer System >> Schematic

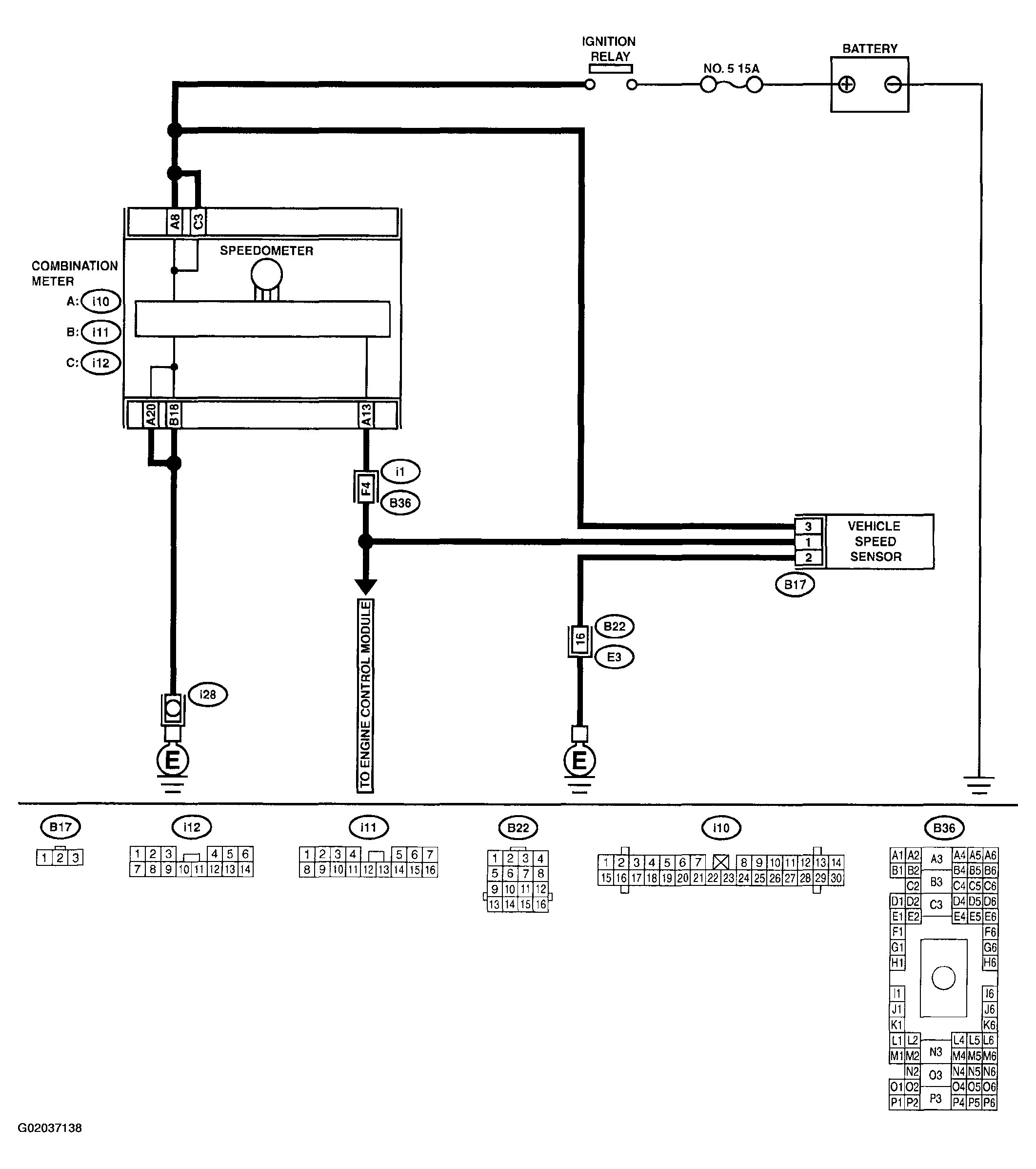
Speedometer System: Schematic

Fig 1: Speedometer Wiring Schematic
G02037138