lemon-mirror:
Home >> Subaru >> 2002 >> Forester Base >> Repair and Diagnosis >> Engine Mechanical >> Cooling Fan >> Cooling >> Radiator Main Fan System >> Schematic

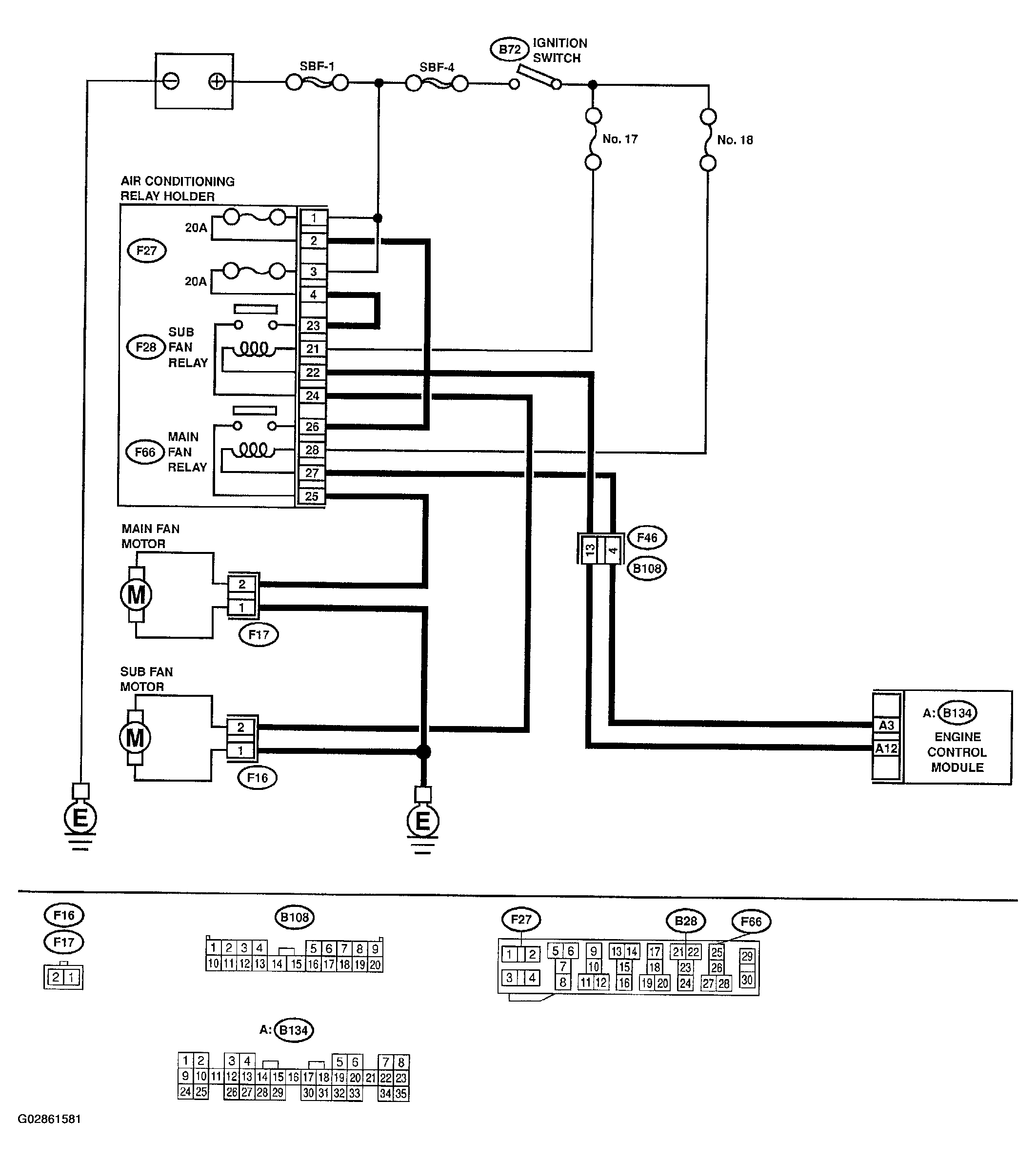
Radiator Main Fan System: Schematic

Fig 1: Radiator Main Fan System Schematic Diagram
G02861581Courtesy of SUBARU OF AMERICA, INC.