lemon-mirror:
Home >> Subaru >> 2002 >> Forester Base >> Repair and Diagnosis >> Engine Mechanical >> Cooling Fan >> Cooling >> Radiator Sub Fan System >> Schematic

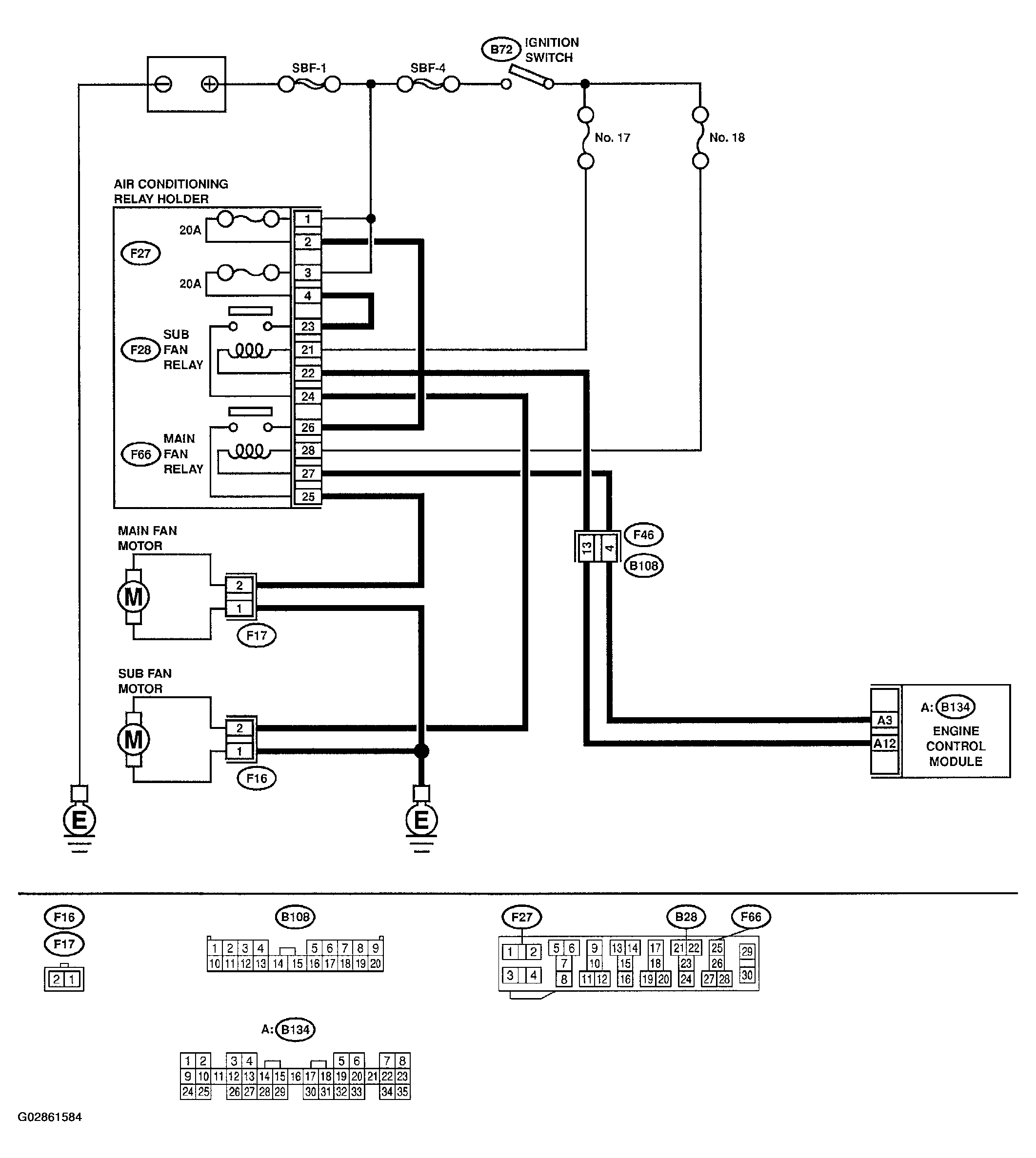
Radiator Sub Fan System: Schematic

Fig 1: Radiator Sub Fan System Schematic Diagram
G02861584Courtesy of SUBARU OF AMERICA, INC.