lemon-mirror:
Home >> Subaru >> 2002 >> Outback L.L. Bean Edition >> Repair and Diagnosis >> Brakes >> Traction Control >> Abs Diagnostics >> Control Module I/O Signal >> Schematic

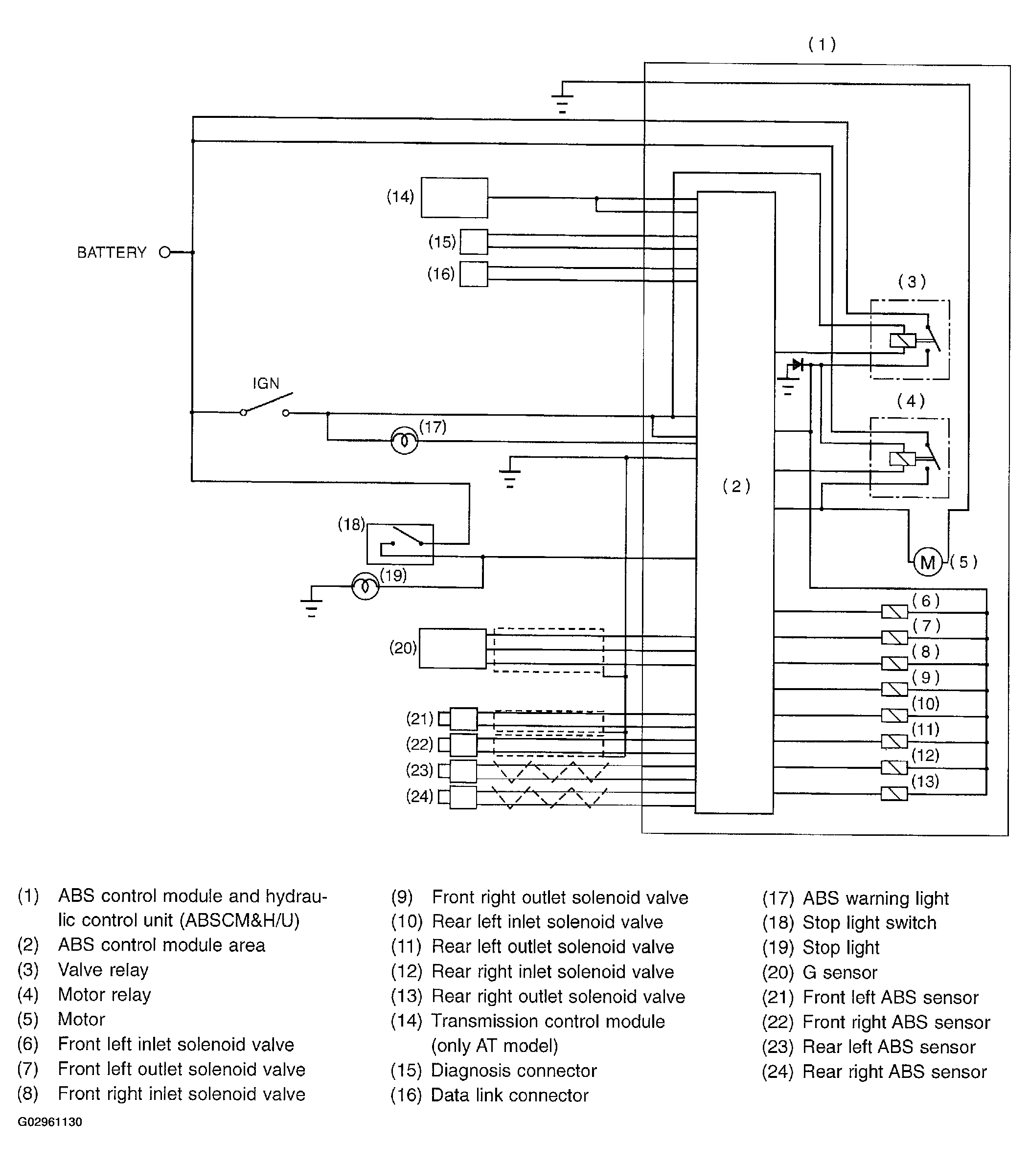
Control Module I/O Signal: Schematic

Fig 1: Control Module I/O Signal Schematic Diagram
G02961130Courtesy of SUBARU OF AMERICA, INC.