lemon-mirror:
Home >> Subaru >> 2003 >> Baja Automatic >> Repair and Diagnosis >> Brakes >> Traction Control >> Abs (Diagnostics) >> Control Module I/O Signal >> Schematic

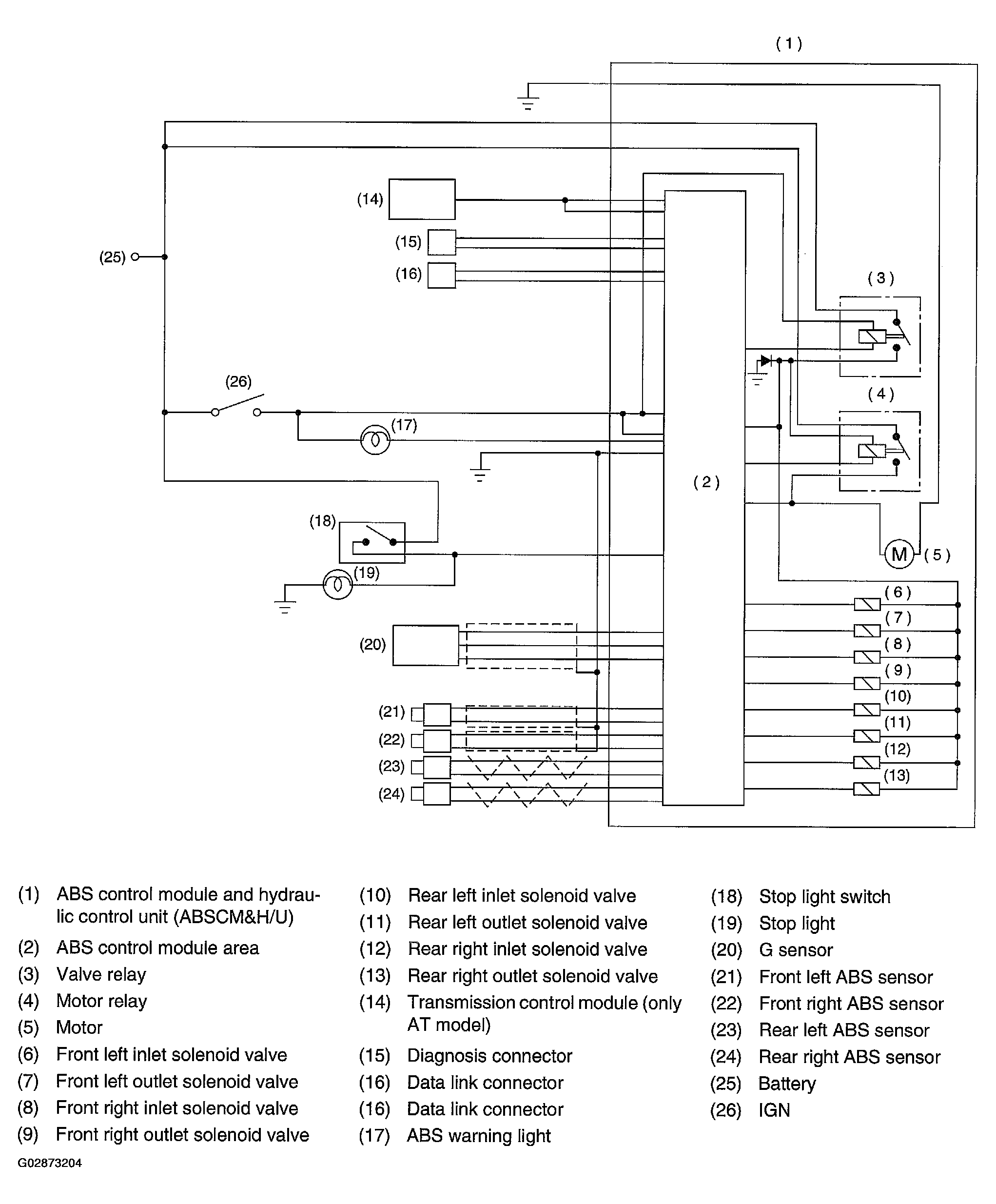
Control Module I/O Signal: Schematic

Fig 1: Control Module I/O Signal Schematic
G02873204Courtesy of SUBARU OF AMERICA, INC.