lemon-mirror:
Home >> Subaru >> 2003 >> Baja Automatic >> Repair and Diagnosis >> Engine Performance >> Engine Control Systems >> Fuel Injection (Fuel Systems, H4SO) >> General Description >> Component >> Air Intake System

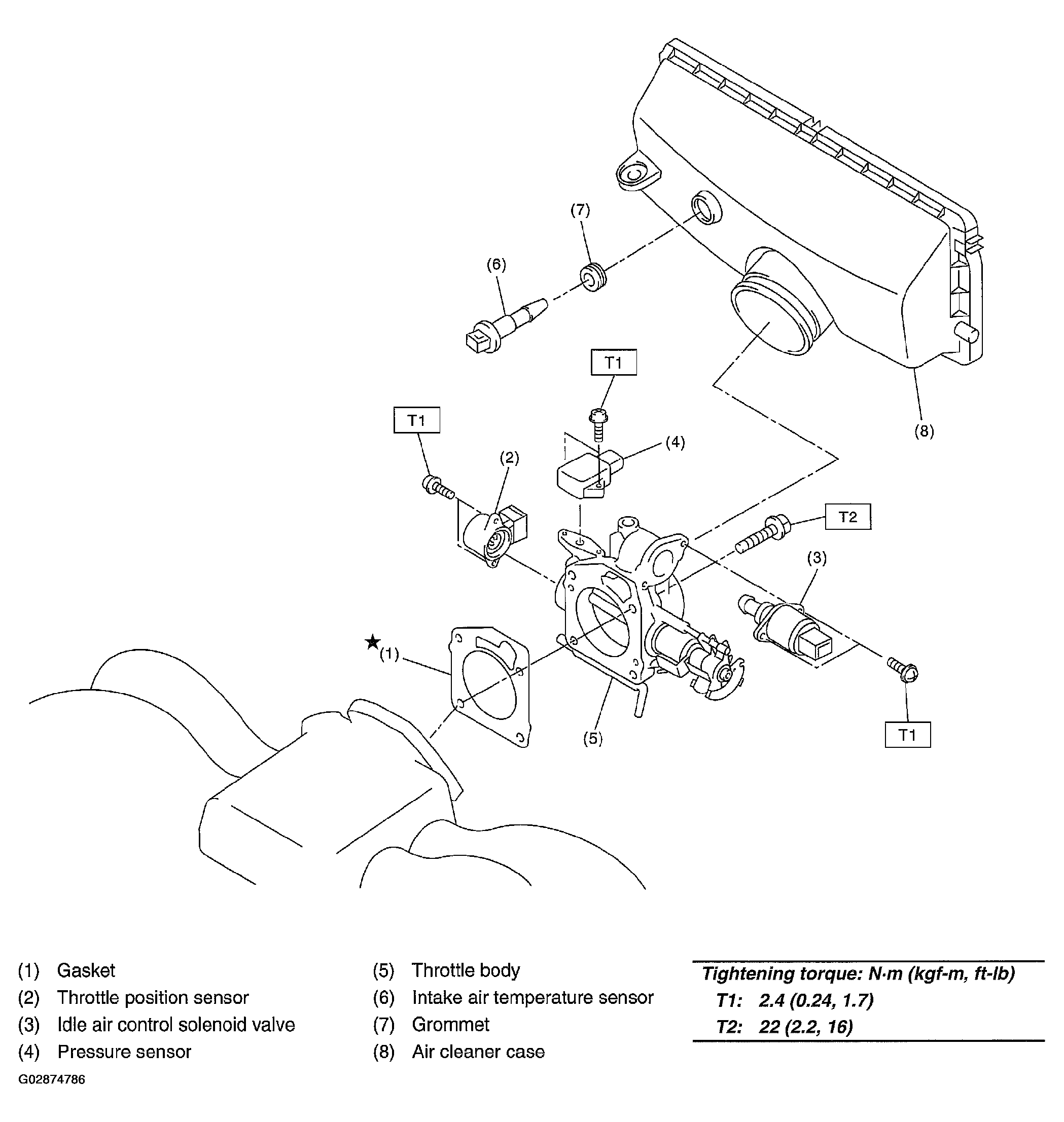
Air Intake System

Fig 1: Exploded View Of Air Intake System With Torque Specifications
G02874786Courtesy of SUBARU OF AMERICA, INC.