lemon-mirror:
Home >> Subaru >> 2003 >> Baja Automatic >> Repair and Diagnosis >> Transmission >> Transmission Control Systems >> A/T & M/T Control Systems >> AT Shift Lock System >> Schematic

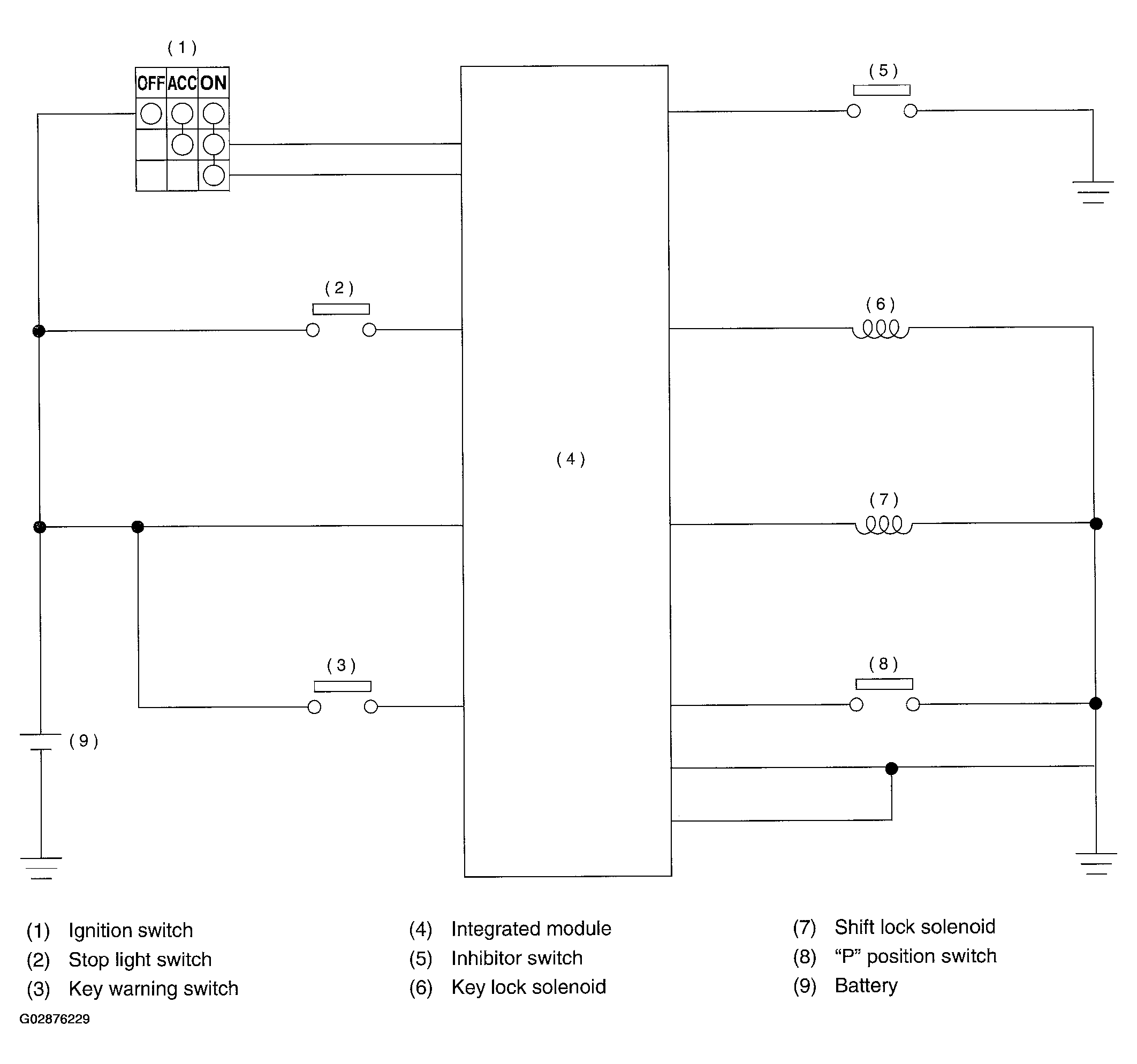
AT Shift Lock System: Schematic

Fig 1: AT Shift Lock System Schematic
G02876229Courtesy of SUBARU OF AMERICA, INC.