lemon-mirror:
Home >> Subaru >> 2003 >> Forester X, Automatic >> Repair and Diagnosis >> Transmission >> Automatic Trans >> Automatic Transmission - Mechanism & Function >> Transmission Control Module (TCM) >> Line Pressure Control

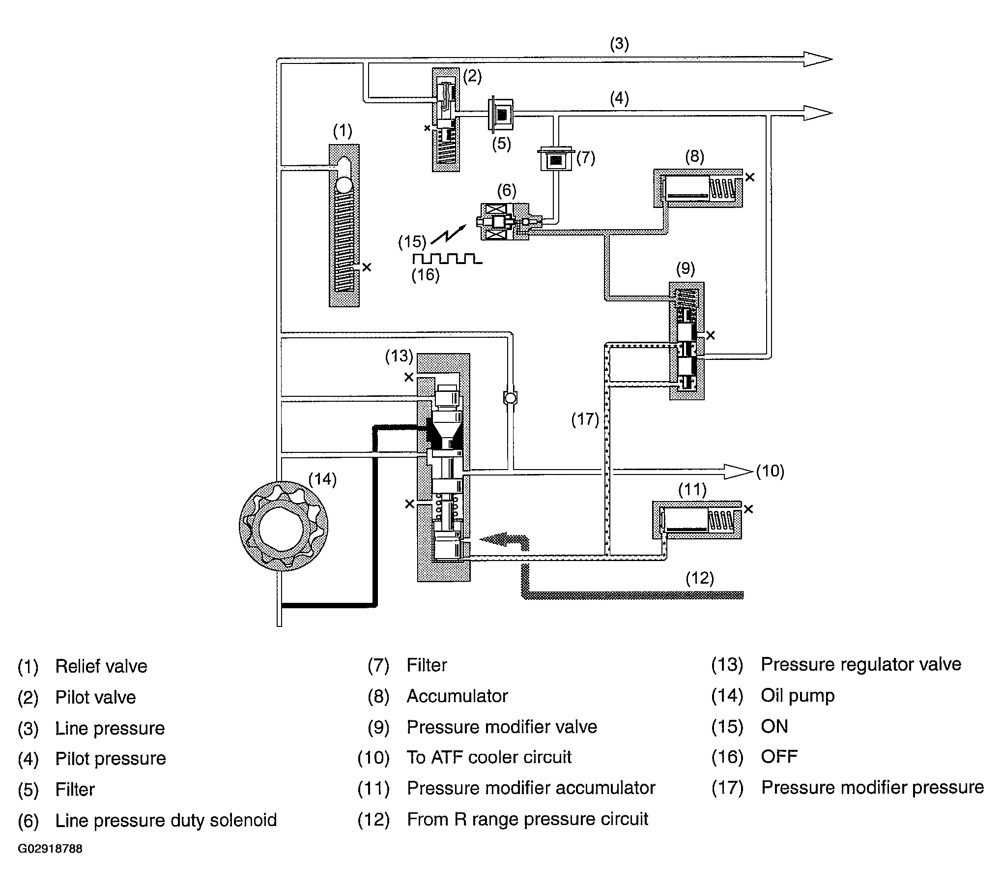
Line Pressure Control