lemon-mirror:
Home >> Subaru >> 2003 >> Impreza RS, Automatic >> Repair and Diagnosis >> Transmission >> Automatic Trans >> A/T Control Systems >> A/T Shift Lock System >> Select Lever Shift Lock Cannot Be Released

Select Lever Shift Lock Cannot Be Released

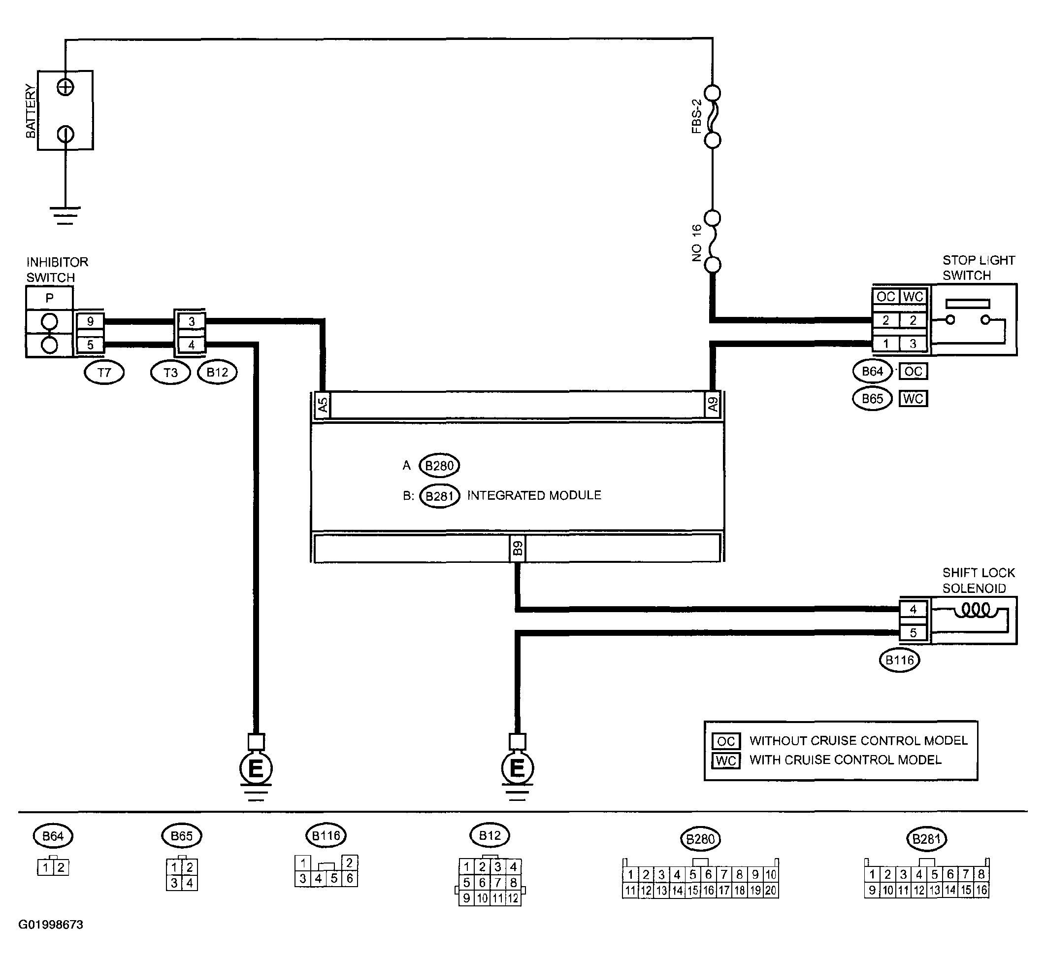
Fig 1: Select Lever Shift lock Cannot Be Released Wiring Diagram
G01998673Courtesy of SUBARU OF AMERICA, INC.
Fig 2: Select Lever Shift Lock Cannot Be Released Trouble Shooting Chart (1 Of 3)
G01998674Courtesy of SUBARU OF AMERICA, INC.
Fig 3: Select Lever Shift Lock Cannot Be Released Trouble Shooting Chart (2 Of 3)
G01998675Courtesy of SUBARU OF AMERICA, INC.
Fig 4: Select Lever Shift Lock Cannot Be Released Trouble Shooting Chart (3 Of 3)
G01998676Courtesy of SUBARU OF AMERICA, INC.