lemon-mirror:
Home >> Subaru >> 2004 >> Baja Base, Automatic >> Repair and Diagnosis >> Transmission >> Automatic Trans >> Automatic Transmission - Mechanism & Function >> Transmission Control Module (TCM) >> Line Pressure Control

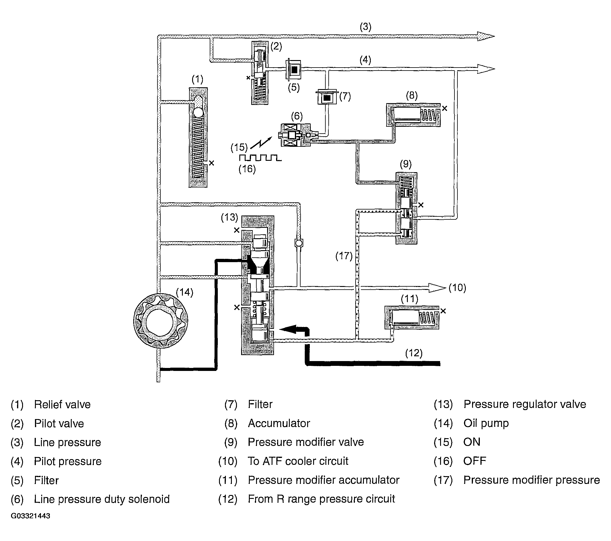
Line Pressure Control