lemon-mirror:
Home >> Subaru >> 2004 >> Forester XT, Automatic >> Repair and Diagnosis >> Transmission >> Automatic Trans >> A/T Control Systems >> A/T Shift Lock System >> Inspection >> Select Lever Shift Lock Cannot Be Released

Select Lever Shift Lock Cannot Be Released

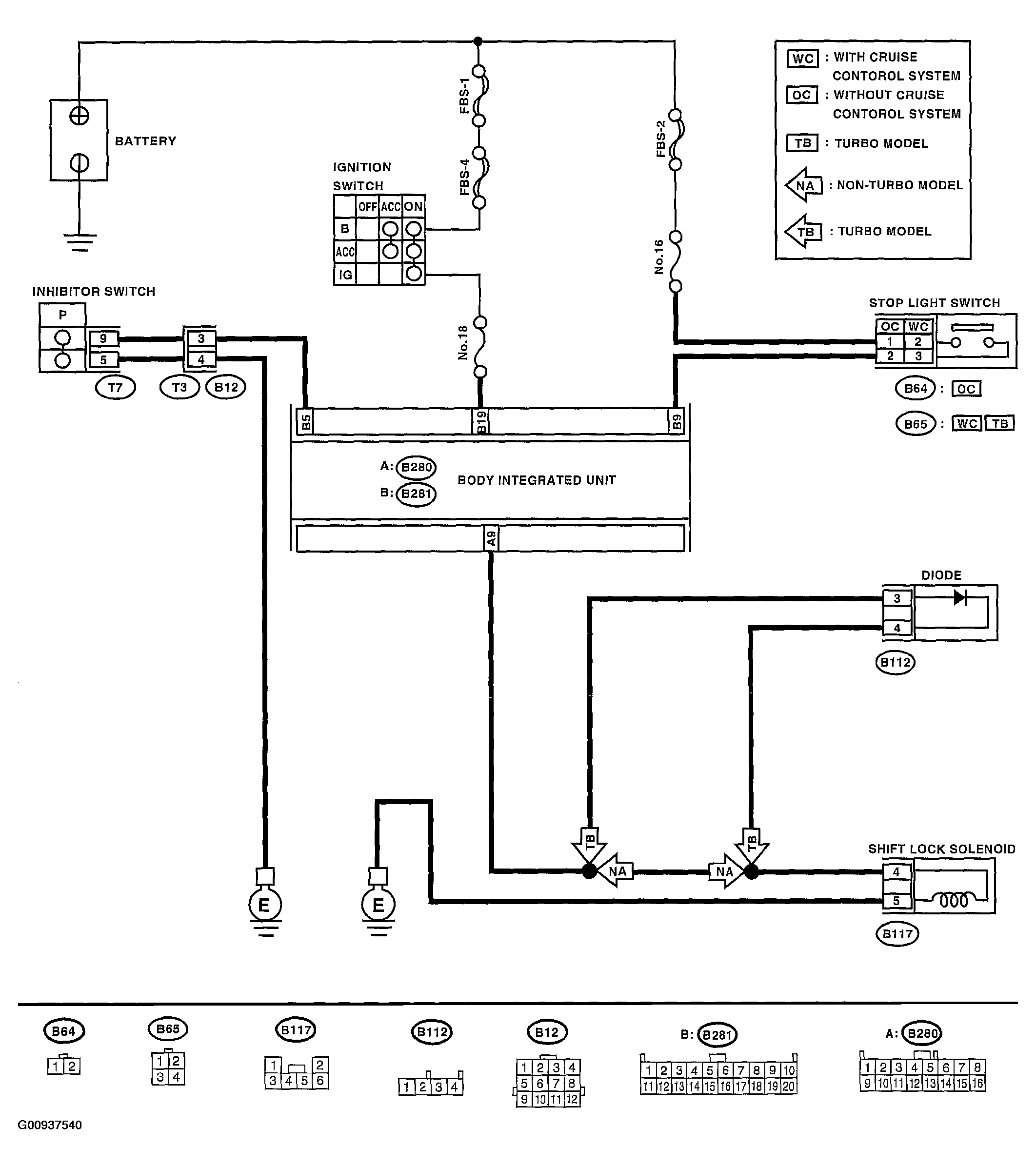
WIRING DIAGRAM: 

Fig 1: Select Lever Shift Lock Cannot Be Released Wiring Diagram
G00937540Courtesy of SUBARU OF AMERICA, INC.

SHIFT LOCK OPERATION CHART: 

Fig 2: Shift Lock Operation Chart (1 Of 2)
G00937541Courtesy of SUBARU OF AMERICA, INC.
Fig 3: Shift Lock Operation Chart (2 Of 2)
G00937542Courtesy of SUBARU OF AMERICA, INC.