lemon-mirror:
Home >> Subaru >> 2004 >> Forester XT, Automatic >> Repair and Diagnosis >> Transmission >> Transmission Control Systems >> A/T Control Systems >> A/T Shift Lock System >> Inspection >> Key Interlock Does Not Lock Or Release

Key Interlock Does Not Lock Or Release

WIRING DIAGRAM: 

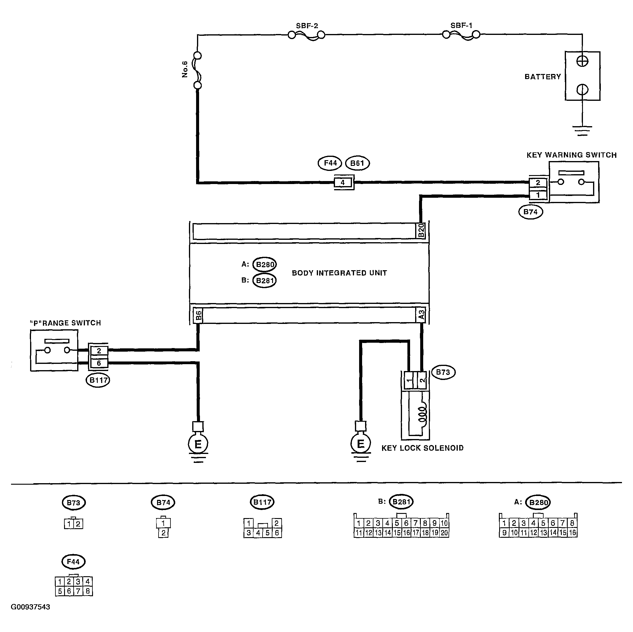
Fig 1: Key Interlock Does Not Lock Or Release Wiring Diagram
G00937543Courtesy of SUBARU OF AMERICA, INC.

SHIFT LOCK OPERATION CHART: 

Fig 2: Shift Lock Operation Chart (1 Of 2)
G00937544Courtesy of SUBARU OF AMERICA, INC.
Fig 3: Shift Lock Operation Chart (2 Of 2)
G00937545Courtesy of SUBARU OF AMERICA, INC.