lemon-mirror:
Home >> Subaru >> 2004 >> Impreza RS, Automatic >> Repair and Diagnosis >> Transmission >> Transmission Control Systems >> A/T Control System & M/T Control System >> AT Shift Lock System >> Inspection >> Select Lever Shift Lock Cannot Be Released

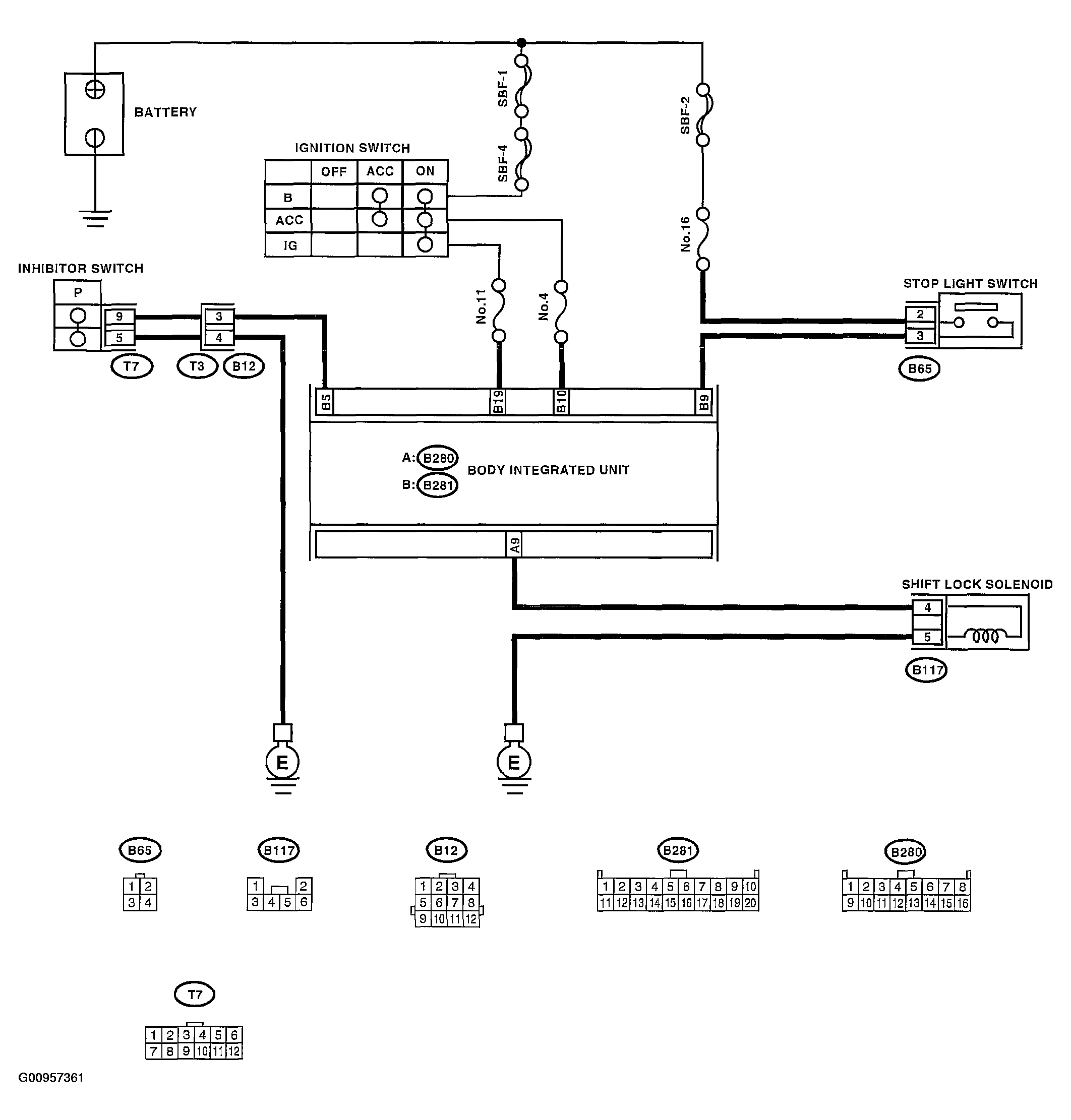
Select Lever Shift Lock Cannot Be Released

Fig 1: Schematic - Select Lever Shift Lock Cannot Be Released
G00957361Courtesy of SUBARU OF AMERICA, INC.
Fig 2: Select Lever Shift Lock Cannot Be Released Inspection Chart (1 Of 2)
G00957362Courtesy of SUBARU OF AMERICA, INC.
Fig 3: Select Lever Shift Lock Cannot Be Released Inspection Chart (2 Of 2)
G00957363Courtesy of SUBARU OF AMERICA, INC.