lemon-mirror:
Home >> Subaru >> 2005 >> Baja Base, Automatic >> Repair and Diagnosis >> Transmission >> Automatic Trans >> Automatic Transmission >> General Description >> Components With Torque Specifications >> Oil Pump

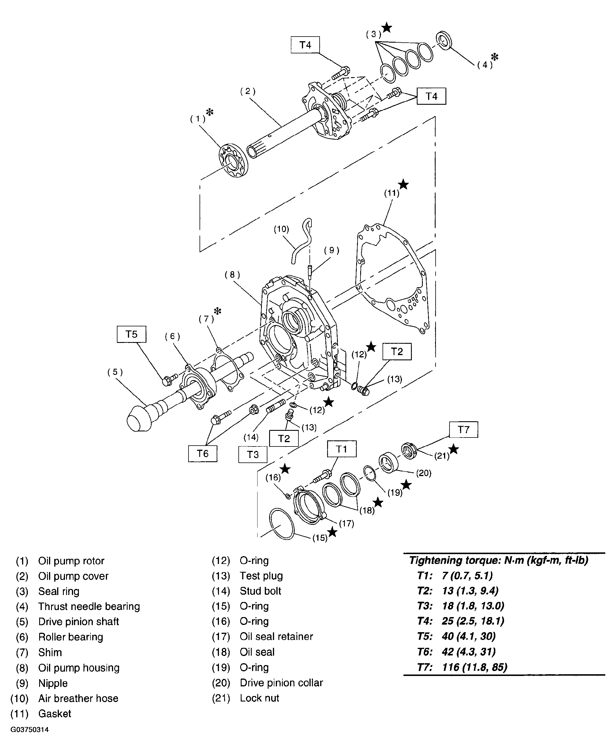
Oil Pump

Fig 1: Replacement Components Of Oil Pump With Torque Specifications
G03750314Courtesy of SUBARU OF AMERICA, INC.