lemon-mirror:
Home >> Subaru >> 2005 >> Impreza Outback Sport, Automatic >> Repair and Diagnosis >> Transmission >> Transmission Control Systems >> A/T Control Systems >> AT Shift Lock Control System >> Inspection >> Select Lever Cannot Be Shift Locked

Select Lever Cannot Be Shift Locked

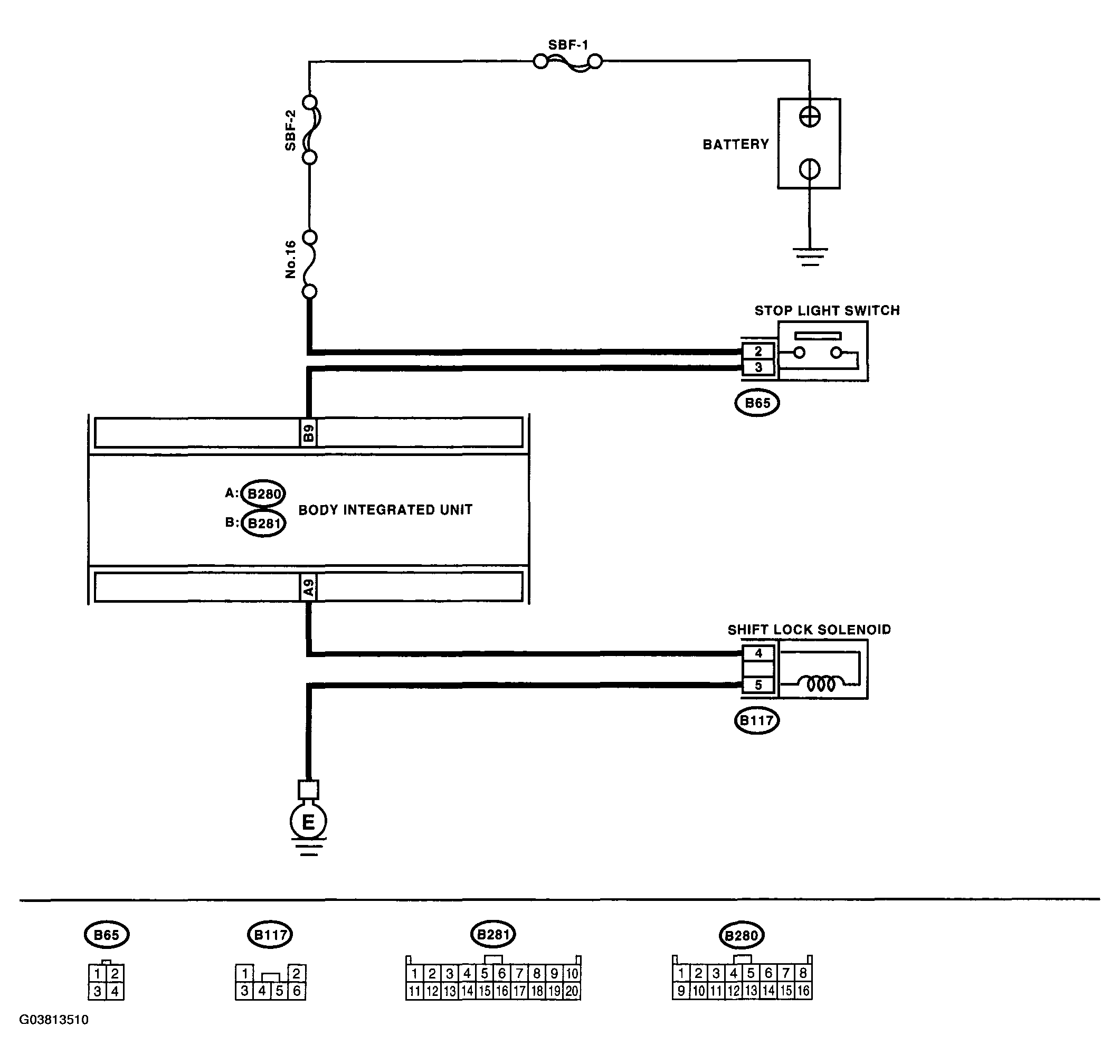
Fig 1: Select Lever Cannot Be Shift Locked Wiring Diagram
G03813510Courtesy of SUBARU OF AMERICA, INC.
DIAGNOSIS PROCEDURE

Step Check Yes No
1 CHECK STOP LIGHT SWITCH. 
Depress the brake pedal.
Does the stop light turn on? Go to step 2.  Inspect the stop light system.
2 CHECK HARNESS BETWEEN STOP LIGHT SWITCH AND BODY INTEGRATED UNIT. 
  1. Turn the ignition switch to OFF.
  2. Disconnect the body integrated unit and stoplight switch connector.
  3. Measure the resistance of harness between stop light switch and body integrated unit.

Connector & terminal 
(B65) No. 3 - (B281) No. 9: 
Is the resistance more than 1 MΩ? Repair the open circuit in harness between body integrated unit and stop light switch. Go to step 3. 
3 CHECK HARNESS BETWEEN STOP LIGHT SWITCH AND BODY INTEGRATED UNIT. 
Measure the resistance of harness between stop light switch and chassis ground.
Connector & terminal 
(B65) No. 3 - Chassis ground: 
Is the resistance less than 1 Ω? Repair the short circuit in harness between body integrated unit and stop light switch. Go to step 4. 
4 CHECK HARNESS BETWEEN BODY INTEGRATED UNIT AND SHIFT LOCK SOLENOID. 
  1. Disconnect the shift lock solenoid connector.
  2. Measure the resistance of harness between body integrated unit and shift lock solenoid.

Connector & terminal 
(B117) No. 4 - (B280) No. 9: 
Is the resistance more than 1 MΩ? Repair the open circuit in harness between body integrated unit and shift lock solenoid. Go to step 5. 
5 CHECK HARNESS BETWEEN BODY INTEGRATED UNIT AND SHIFT LOCK SOLENOID. 
Measure the resistance of harness between shift lock solenoid and chassis ground.
Connector & terminal 
(B117) No. 4 - Chassis ground: 
Is the resistance less than 1 Ω? Repair the short circuit in harness between body integrated unit and shift lock solenoid. Go to step 6. 
6 CHECK HARNESS BETWEEN SHIFT LOCK SOLENOID AND CHASSIS GROUND. 
Measure the resistance of harness between shift lock solenoid and chassis ground.
Connector & terminal 
(B117) No. 5 - Chassis ground: 
Is the resistance more than 1 MΩ? Repair the open circuit in harness between shift lock solenoid and body ground. Go to step 7. 
7 CHECK SHIFT LOCK SOLENOID. 
Measure the resistance of shift lock solenoid connector terminals.
Terminals 
No. 4 - No. 5: 
Is the resistance 20 - 40 Ω? Go to step 8.  Replace the shift lock solenoid.
8 CHECK SHIFT LOCK SOLENOID. 
Connect the battery with shift lock solenoid connector terminal and operate solenoid.
Terminals 
No. 4 (+) - No. 5 (-): 
Does the shift lock solenoid operate properly? Go to step 9.  Replace the shift lock solenoid.
9 CHECK POOR CONTACT.  Is there poor contact in connector? Repair the poor contact. Replace the body integrated unit.