lemon-mirror:
Home >> Subaru >> 2005 >> Impreza Outback Sport, Automatic >> Repair and Diagnosis >> Transmission >> Transmission Control Systems >> A/T Control Systems >> AT Shift Lock Control System >> Inspection >> Select Lever Shift Lock Cannot Be Released

Select Lever Shift Lock Cannot Be Released

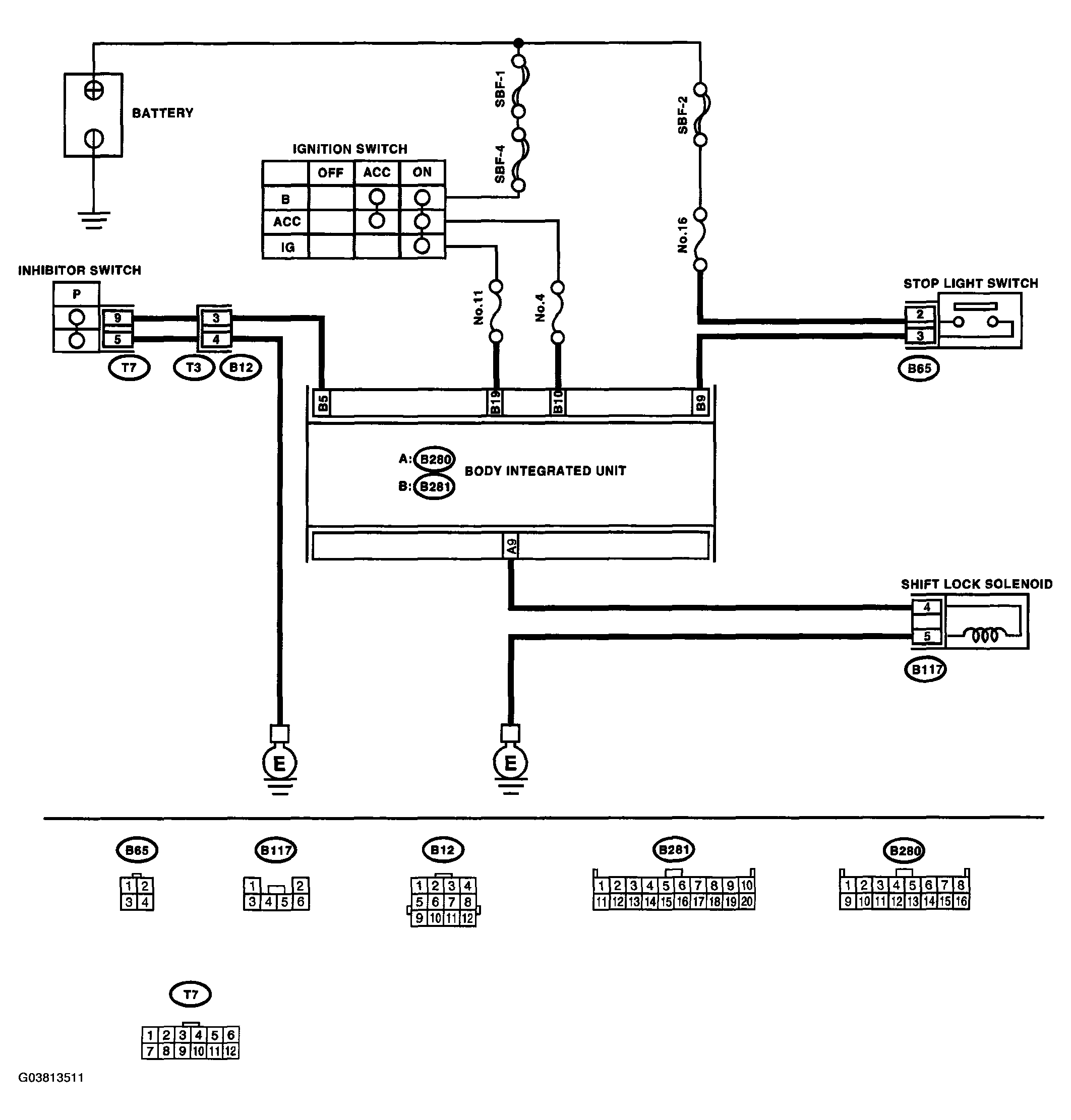
Fig 1: Select Lever Shift Lock Cannot Be Released Wiring Diagram
G03813511Courtesy of SUBARU OF AMERICA, INC.
DIAGNOSIS PROCEDURE

Step Check Yes No
1 CHECK INHIBITOR SWITCH. 
  1. Turn the ignition switch to ON (engine OFF).
  2. Move the select lever from "P" to "1" range.
Are combination meter indicator light and select lever "P", "R", "N", "3", "2" and "1" correctly matched? Go to step 2.  Adjust the inhibitor switch and select cable.
2 CHECK HARNESS BETWEEN INHIBITOR SWITCH AND BODY INTEGRATED UNIT. 
  1. Turn the ignition switch to OFF.
  2. Disconnect the connector of transmission harness and body integrated unit.
  3. Measure the resistance of harness between body integrated unit and chassis ground.

Connector & terminal 
(B281) No. 5 - Chassis ground: 
Is the resistance less than 1 Ω? Repair the short circuit in harness between body integrated unit and transmission connector. Go to step 3. 
3 CHECK HARNESS BETWEEN INHIBITOR SWITCH AND BODY INTEGRATED UNIT. 
Measure the resistance of harness between body integrated unit and inhibitor switch.
Connector & terminal 
(B12) No. 3 - (B281) No. 5: 
Is the resistance more than 1 MΩ? Repair the open circuit in harness between body integrated unit and transmission connector Go to step 4. 
4 CHECK HARNESS BETWEEN INHIBITOR SWITCH AND CHASSIS GROUND. 
Measure the resistance of harness between body integrated unit and chassis ground.
Connector & terminal 
(B12) No. 4 - Chassis ground: 
Is the resistance less than 1 Ω? Go to step 5.  Repair the open circuit in harness between body integrated unit and chassis ground.
5 CHECK INHIBITOR SWITCH. 
  1. Move the select lever to "P" range.
  2. Measure the resistance of transmission harness connector terminals.

Connector & terminal 
(T3) No. 3 - No. 4: 
Is the resistance more than 1 MΩ? Repair or replace the inhibitor switch. Go to step 6. 
6 CHECK OUTPUT SIGNAL FOR BODY INTEGRATED UNIT. 
  1. Connect all connectors.
  2. Turn the ignition switch to ON.
  3. Measure the voltage between body integrated unit and chassis ground.

Connector & terminal 
(B281) No. 5 (+) - Chassis ground (-): 
Is the voltage 9 - 16 V? Go to step 7.  Go to step 15. 
7 CHECK STOP LIGHT SWITCH. 
Depress the brake pedal.
Does the stop light turn on? Go to step 8.  Inspect the stop light system.
8 CHECK HARNESS BETWEEN STOP LIGHT SWITCH AND AT SHIFT LOCK CONTROL MODULE. 
  1. Depress the brake pedal.
  2. Measure the voltage between body integrated unit and chassis ground.

Connector & terminal 
(B281) No. 9 (+) - Chassis ground (-): 
Is the voltage more than 9 V? Go to step 9.  Repair the open or short circuit in harness between body integrated unit and stop light switch.
9 CHECK HARNESS BETWEEN BODY INTEGRATED UNIT AND SHIFT LOCK SOLENOID. 
  1. Turn the ignition switch to OFF.
  2. Disconnect the connector from shift lock solenoid and body integrated unit.
  3. Measure the resistance of harness between body integrated unit and shift lock solenoid.

Connector & terminal 
(B280) No. 9 - (B117) No. 4: 
Is the resistance more than 1 MΩ? Repair the open circuit in harness between body integrated unit and shift lock solenoid. Go to step 10. 
10 CHECK HARNESS BETWEEN BODY INTEGRATED UNIT AND SHIFT LOCK SOLENOID. 
Measure the resistance of harness between shift lock solenoid and chassis ground.
Connector & terminal 
(B280) No. 9 - Chassis ground: 
Is the resistance less than 10 Ω? Go to step 11.  Repair the short circuit in harness between body integrated unit and shift lock solenoid.
11 CHECK HARNESS BETWEEN SHIFT LOCK SOLENOID AND CHASSIS GROUND. 
Measure the resistance of harness between shift lock solenoid and chassis ground.
Connector & terminal 
(B117) No. 5 - Chassis ground: 
Is the resistance less than 1 Ω? Go to step 12.  Repair the open circuit in harness between shift lock solenoid and chassis ground.
12 CHECK SHIFT LOCK SOLENOID. 
Measure the resistance of shift lock solenoid connector terminals.
Terminals 
No. 4 - No. 5: 
Is the resistance 20 - 40 Ω? Go to step 13.  Replace the shift lock solenoid.
13 CHECK SHIFT LOCK SOLENOID. 
Connect the battery with shift lock solenoid connector terminal and operate solenoid.
Terminals 
No. 4 (+) - No. 5 (-): 
Is the shift lock solenoid operating properly? Go to step 14.  Replace the shift lock solenoid.
14 CHECK OUTPUT SIGNAL FOR AT SHIFT LOCK CONTROL MODULE. 
  1. Turn the ignition switch to ON (engine OFF).
  2. Measure the voltage between body integrated unit and chassis ground.

Connector & terminal 
(B280) No. 9 (+) - Chassis ground (-): 
Is the voltage more than 8.5 V? Go to step 15.  Replace the body integrated unit.
15 CHECK POOR CONTACT.  Is there poor contact in connector? Repair the poor contact. Replace the body integrated unit.