lemon-mirror:
Home >> Subaru >> 2005 >> Outback R >> Repair and Diagnosis >> Restraints >> Passive Restraints >> Occupant Detection System (Diagnostics) >> Subaru Select Monitor >> Inspection >> Communication For Initializing Impossible

Communication For Initializing Impossible

DETECTING CONDITION: 

Defective harness connector

TROUBLE SYMPTOM: 

Communication is impossible between occupant detection control module and Subaru Select Monitor.

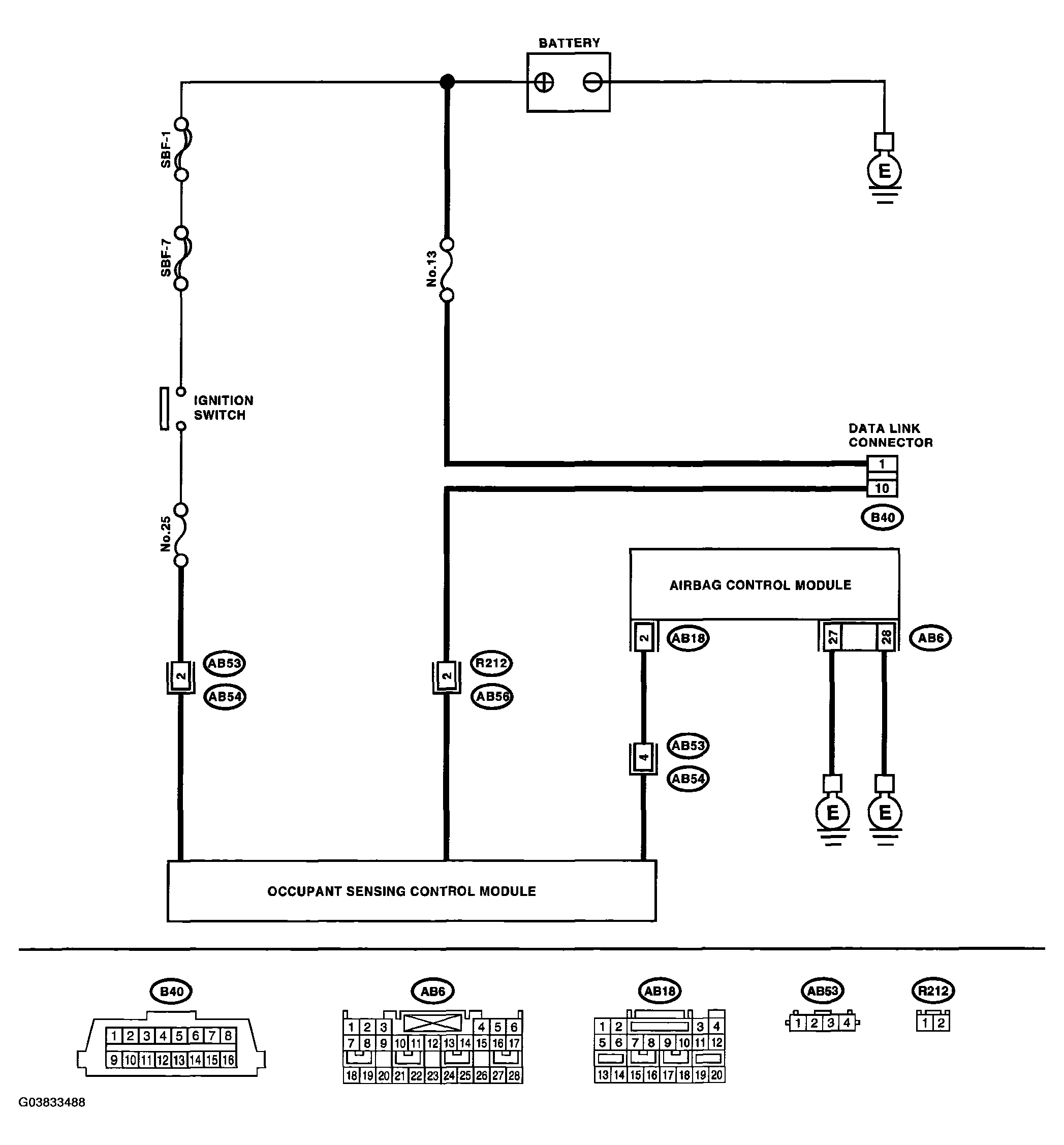
WIRING DIAGRAM: 

Fig 1: Wiring Diagram - Communication For Initializing Impossible
G03833488Courtesy of SUBARU OF AMERICA, INC.
STEP CHECK LIST

Step Check Yes No
1. CHECK IGNITION SWITCH.  Is the ignition switch ON? Go to step 2.  Turn the ignition switch to ON, and select the occupant detection system mode using Subaru Select Monitor.
2. CHECK BATTERY. 
  1. Turn the ignition switch to OFF.
  2. Measure the battery voltage.
Is the voltage 11 V or more? Go to step 3.  Charge or replace the battery.
3. CHECK BATTERY TERMINAL.  Is there poor contact at battery terminal? Repair or tighten the battery terminal. Go to step 4. 
4. CHECK SUBARU SELECT MONITOR COMMUNICATION. 
  1. Turn the ignition switch to ON.
  2. Using the Subaru Select Monitor, check whether communication to other system can be executed normally.
Are the system name and model year displayed on Subaru Select Monitor? Go to step 8.  Go to step 5. 
5. CHECK OCCUPANT DETECTION CONTROL MODULE CONNECTOR. 
Turn the ignition switch to OFF.
Is the occupant detection control module connectors and body harness connectors are connected securely? Go to step 6.  Connect the occupant detection control module connector and body harness connector.
6. CHECK SUBARU SELECT MONITOR COMMUNICATION. 
  1. Turn the ignition switch to OFF.
  2. Disconnect the occupant detection control module connector.
  3. Turn the ignition switch to ON.
  4. Check whether communication to other systems can be executed normally.
Are the system name and model year displayed on Subaru Select Monitor? Replace the seat cushion frame assembly. < Ref. to REMOVAL , Front Seat.< Go to step 7. 
7. CHECK HARNESS CONNECTOR BETWEEN EACH CONTROL UNIT AND DATA LINK CONNECTOR. 
  1. Turn the ignition switch to OFF.
  2. Disconnect the occupant detection control module connector (R212).
  3. Measure the resistance between data link connector and chassis ground.

    Connector & terminal 

    (B40) No. 10-Chassis ground: 

Is the resistance more than 1 Mohm? Go to step 8.  Check harness and connector between each control unit and data link connector.
8. CHECK THE OUTPUT SIGNAL FOR OCCUPANT DETECTION CONTROL MODULE. 
  1. Turn the ignition switch to OFF.
  2. Measure the voltage between occupant detection control module and chassis ground.

    Connector & terminal 

    (B40) No. 10 (+) - Chassis ground (-): 

Is the voltage less than 1 V? Go to step 9.  Repair and replace the harness connector between each control unit and data link connector.
9. CHECK HARNESS CONNECTOR BETWEEN OCCUPANT DETECTION CONTROL MODULE AND DATA LINK CONNECTOR. 
Measure the resistance between occupant detection control module connector and data link connector.
Connector & terminal 
(R212) No. 2 - (B40) No. 10: 
Is the resistance less than 0.5 ohm? Go to step 10.  Repair and replace the harness connector between occupant detection control module and data link connector.
10. CHECK POWER SUPPLY CIRCUIT. 
  1. Disconnect connector (AB53) from vehicle harness.
  2. Connect the test harness Z (AB53) to connector.
  3. Turn the ignition switch to ON. (Engine OFF)
  4. Measure the voltage between connector (2Z) in the test harness Z and chassis ground.

    Connector & terminal (2Z) No. 2 (+) - Chassis ground (-): 

Is the voltage 10 V or more? Go to step 11.  Repair or replace the vehicle harness.
11. CHECK HARNESS CONNECTOR BETWEEN OCCUPANT DETECTION CONTROL MODULE AND CHASSIS GROUND. 
  1. Turn the ignition switch to OFF.
  2. Measure the resistance between connector (2Z) in the test harness Z and chassis ground.

    Connector & terminal (2Z) No. 1 - Chassis ground: 

Is the resistance less than 10 ohm? Go to step 12.  Repair or replace the body harness.
12. CHECK POOR CONTACT IN CONNECTORS.  Is there poor contact in control module power supply, ground circuit and data link connector? Replace the airbag harness. Replace the seat cushion frame assembly. < Ref. to REMOVAL , Front Seat.<