lemon-mirror:
Home >> Subaru >> 2005 >> Outback XT, Automatic >> Repair and Diagnosis >> Transmission >> Transmission Control Systems >> A/T & M/T Control Systems >> AT Shift Lock Control System >> Inspection >> Select Lever Cannot Be Shifted

Select Lever Cannot Be Shifted

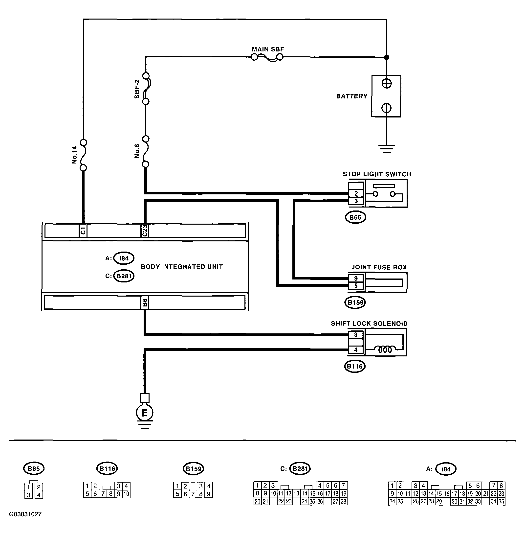
Fig 1: Select Lever Cannot Be Shifted Diagram
G03831027Courtesy of SUBARU OF AMERICA, INC.
SELECT LEVER CANNOT BE SHIFT - DIAGNOSTIC PROCEDURE

Step Check Yes No
1. CHECK INPUT SIGNAL OF BODY INTEGRATED UNIT USING SUBARU SELECT MONITOR. 
  1. Turn the ignition switch to OFF.
  2. Connect the Subaru Select Monitor to data link connector.
  3. Turn the ignition switch and Subaru Select Monitor to ON.
  4. Depress the brake pedal.
  5. Read the input signal of stop light switch from Subaru Select Monitor.

< Ref. to , OPERATION , Subaru Select Monitor. >
Is "ON" displayed? Go to step 2.  Go to step 3. 
2. CHECK DTC OF BODY INTEGRATED UNIT. 
Check DTC of body integrated unit.
< Ref. to READ DIAGNOSTIC TROUBLE CODE (DTC) . >
Is DTC (B0106) displayed? Repair or replace it according to the DTC. Go to step 6. 
3. CHECK STOP LIGHT SWITCH. 
Depress the brake pedal.
Does the stop light illuminate? Go to step 4.  Check the stop light system.
4. CHECK HARNESS BETWEEN STOP LIGHT SWITCH AND BODY INTEGRATED UNIT. 
  1. Turn the ignition switch to OFF.
  2. Disconnect the connectors of body integrated unit and stop light switch.
  3. Measure the resistance of harness between stop light switch and body integrated unit.

    Connector & terminal 

    (B65) No. 3 - (B281) No. 23: 

Is the resistance more than 1 M Repair open circuit of the harness between body integrated unit and stop light switch. Go to step .
5. CHECK HARNESS BETWEEN STOP LIGHT SWITCH AND BODY INTEGRATED UNIT. 
Measure the resistance of harness between stop light switch and chassis ground.
Connector & terminal 
(B65) No. 3 - Chassis ground: 
Is the resistance less than 1 ? Repair short circuit of the harness between body integrated unit and stop light switch. Go to step 7. 
6. CHECK SHIFT LOCK SOLENOID. 
  1. Disconnect the connector of shift lock solenoid.
  2. Connect the battery to connector terminal of shift lock solenoid, and operate the solenoid.

    Terminals 

    No. 3 (+) - No. 4 (-): 

Is the shift lock solenoid operating properly? Go to step 7.  Replace the shift lock solenoid.
7. CHECK SHIFT LOCK OPERATION. 
  1. Connect all the connectors.
  2. Shift the select lever to "P" range.
  3. Shift the select lever from "P" range to "R" range.
Can the select lever shift from "P" range to "R" range? Check the body integrated unit. A temporary poor contact of connector or harness may be the cause.