lemon-mirror:
Home >> Subaru >> 2006 >> Impreza Outback Sport, Automatic >> Repair and Diagnosis >> Transmission >> Transmission Control Systems >> A/T Control Systems >> AT Shift Lock Control System >> Inspection >> Body Integrated Module Power Supply And Ground Line

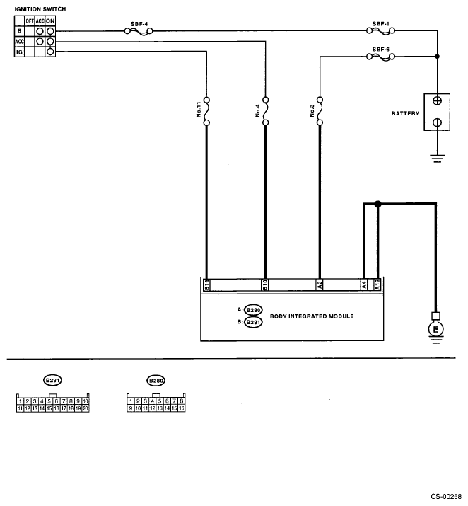
Body Integrated Module Power Supply And Ground Line

Fig 1: Body Integrated Module Power Supply And Ground Line - Wiring Diagram
G05002282Courtesy of SUBARU OF AMERICA, INC.
BODY INTEGRATED MODULE POWER SUPPLY AND GROUND LINE INSPECTION PROCEDURE

Step Check Yes No
1 CHECK FUSE. 
Remove the fuse (No. 3, 4 and 11).
Is the fuse (No. 3, 4 or 11) blown out? Replace the fuse (No. 3, 4 or 11). If the replaced fuse (No. 3, 4 or 11) has blown out easily, repair short circuit in harness between fuse and body integrated module. Go to step 2. 
2 CHECK HARNESS CONNECTOR BETWEEN BODY INTEGRATED MODULE AND BODY GROUND. 
  1. Turn the ignition switch to OFF.
  2. Measure the resistance of harness between body integrated module and chassis ground.

    Connector & terminal 

    (B280) No. 4 - Chassis ground: 

    (B280) No. 13 - Chassis ground: 

Is the resistance less than 1 Ω? Go to step 3.  Repair the open circuit in harness between body integrated module and body ground.
3 CHECK BATTERY POWER SUPPLY. 
  1. Turn the ignition switch to ON (engine OFF).
  2. Measure the voltages between body integrated module and chassis ground.

    Connector & terminal 

    (B280) No. 2 (+) - Chassis ground (-): 

Is the voltage more than 9 V? Go to step 4.  Repair the open circuit harness between battery and body integrated module, and poor contact in coupling connector.
4 CHECK IGNITION POWER SUPPLY CIRCUIT. 
  1. Turn the ignition switch to ACC.
  2. Measure the voltage between body integrated module and chassis ground.

    Connector & terminal 

    (B281) No. 10 (+) - Chassis ground (-): 

Is the voltage more than 9 V? Go to step 5.  Repair the open circuit harness between battery and body integrated module, and poor contact in coupling connector.
5 CHECK IGNITION POWER SUPPLY CIRCUIT. 
  1. Turn the ignition switch to ON (engine OFF).
  2. Measure the voltage between body integrated module and chassis ground.

    Connector & terminal 

    (B281) No. 19 (+) - Chassis ground (-): 

Is the voltage more than 9 V? Go to step 6.  Repair the open circuit harness between battery and body integrated module, and poor contact in coupling connector.
6 CHECK POOR CONTACT.  Is there poor contact in connector? Repair the poor contact. Replace the body integrated module.