lemon-mirror:
Home >> Subaru >> 2006 >> Outback R >> Repair and Diagnosis >> Transmission >> Transmission Control Systems >> A/T & M/T Control Systems >> AT Shift Lock Control System >> Inspection >> Shift Lock Of Select Lever Cannot Be Released

Shift Lock Of Select Lever Cannot Be Released

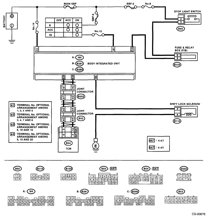
Fig 1: Shift Lock Of Select Lever Cannot Be Released Wiring Diagram
G05019659
SHIFT LOCK OF SELECT LEVER DIAGNOSTIC PROCEDURE

Step Check Yes No
1 CHECK INPUT SIGNAL OF BODY INTEGRATED UNIT USING SUBARU SELECT MONITOR. 
  1. Turn the ignition switch to OFF.
  2. Connect the Subaru Select Monitor to the data link connector.
  3. Turn the ignition switch and Subaru Select Monitor to ON.
  4. Depress the brake pedal.
  5. Read the input signal of shift position from Subaru Select Monitor.

    < Ref. to OPERATION , Subaru Select Monitor. >

Is "7" displayed? Go to step 2.  Check the inhibitor switch, TCM and body integrated unit.
2 CHECK INPUT SIGNAL OF BODY INTEGRATED UNIT USING SUBARU SELECT MONITOR. 
Read the input signal of stop light switch from Subaru Select Monitor.
< Ref. to OPERATION , Subaru Select Monitor. >
Is "ON" displayed? Go to step . Go to step .
3 CHECK STOP LIGHT SWITCH. 
Depress the brake pedal.
Does the stop light illuminate? Go to step 4.  Check the stop light system.
4 CHECK HARNESS BETWEEN STOP LIGHT SWITCH AND BODY INTEGRATED UNIT. 
  1. Depress the brake pedal.
  2. Measure the voltage between body integrated unit and chassis ground.

    Connector & terminal 

    (B281) No. 23 (+) - Chassis ground (-): 

Is the voltage more than 9 V? Go to step 5.  Repair the open or short circuit of harness between the body integrated unit and stop light switch.
5 CHECK DTC OF BODY INTEGRATED UNIT. 
Check DTC of body integrated unit.
< Ref. to OPERATION , Read Diagnostic Trouble Code (DTC). >
Is DTC (B0106) displayed? Repair or replace it according to the DTC. Go to step .
6 CHECK SHIFT LOCK SOLENOID. 
  1. Turn the ignition switch to OFF.
  2. Disconnect the connector of shift lock solenoid.
  3. Connect the battery to connector terminal of shift lock solenoid, and operate the solenoid.

    Terminals No. 3 (+) - No. 4 (-): 

Is the shift lock solenoid operating properly? Go to step 7.  Replace the shift lock solenoid.
7 CHECK OPERATION. 
  1. Connect all the connectors.
  2. Turn the ignition switch to ON. (Engine OFF)
  3. Shift the select lever to the "P" range.
  4. Depress the brake pedal.
  5. Shift the select lever from "P" range to "R" range.
Can the select lever shift from "P" range to "R" range? A temporary poor contact of connector or harness may be the cause. Check the body integrated unit.