lemon-mirror:
Home >> Subaru >> 2007 >> Impreza Outback Sport, Automatic >> Repair and Diagnosis >> Transmission >> Automatic Trans >> A/T Control Systems >> AT Shift Lock Control System >> Inspection >> Shift Lock Of Select Lever Does Not Operate

Shift Lock Of Select Lever Does Not Operate

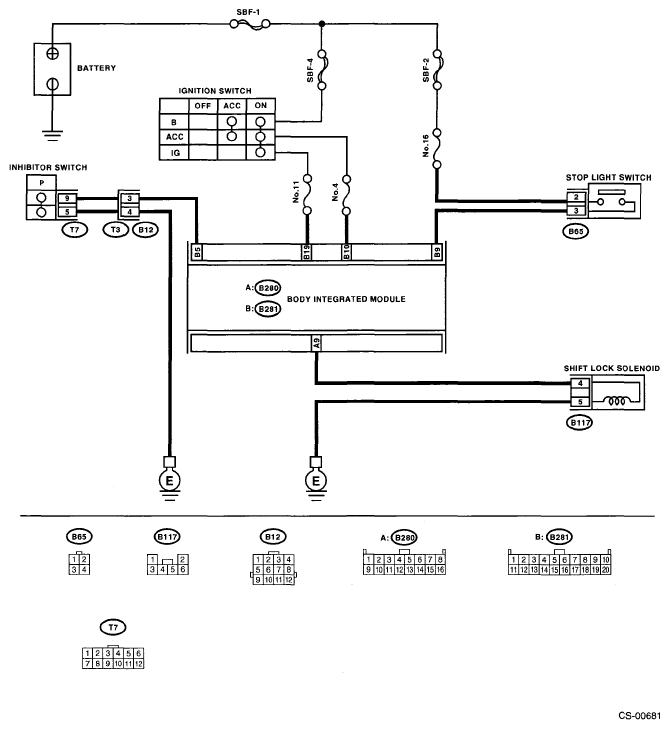
Fig 1: Identifying Body Integrated Unit Circuit Diagram (Shift Lock Of Select Lever Not Operate)
G05002284Courtesy of SUBARU OF AMERICA, INC.
DIAGNOSTIC CHART

Step Check Yes No
1 CHECK INHIBITOR SWITCH. 
  1. Turn the ignition switch to ON. (engine OFF)
  2. Move the select lever from "P" to "1" range.
Do the combination meter select indicator light match the select lever "P", "R", "N", "3", "2" and "1" range? Go to step . Adjust inhibitor switch and select cable.
2 CHECK IGNITION POWER SUPPLY CIRCUIT. 
  1. Turn the ignition switch to ON. (engine OFF)
  2. Measure the voltage between body integrated unit and chassis ground.

    Connector & terminal 

    (B281) No. 19 (+) - Chassis ground (-): 

Is the voltage 9 V or more? Go to step . Repair open circuit of the harness between battery and body integrated unit, and any poor contact in connectors.
3 CHECK HARNESS BETWEEN INHIBITOR SWITCH AND BODY INTEGRATED UNIT. 
  1. Turn the ignition switch to OFF.
  2. Disconnect the connectors of transmission harness and body integrated unit.
  3. Measure the harness resistance between the body integrated unit and chassis ground.

    Connector & terminal 

    (B281) No. 5 - Chassis ground: 

Is the resistance less than 1 Ω? Repair the short circuit of harness between body integrated unit and transmission connector. Go to step .
4 CHECK HARNESS BETWEEN INHIBITOR SWITCH AND BODY INTEGRATED UNIT. 
Measure the harness resistance between body integrated unit and inhibitor switch.
Connector & terminal 
(B12) No. 3 - (B281) No. 5: 
Is the resistance 1 MΩ or more? Repair the open circuit of the harness between the body integrated unit and transmission connector. Go to step .
5 CHECK HARNESS BETWEEN INHIBITOR SWITCH AND CHASSIS GROUND. 
Measure the harness resistance between the body integrated unit and chassis ground.
Connector & terminal 
(B12) No. 4 - Chassis ground: 
Is the resistance less than 1 Ω? Go to step . Repair the open circuit of harness between the body integrated unit and chassis ground.
6 CHECK INHIBITOR SWITCH. 
  1. Move the select lever to "P" range.
  2. Measure the resistance between transmission harness connector terminals.

    Connector & terminal 

    (T3) No. 3 - No. 4: 

Is the resistance 1 MΩ or more? Repair or replace inhibitor switch. Go to step .
7 CHECK OUTPUT SIGNAL OF BODY INTEGRATED UNIT. 
  1. Connect all the connectors.
  2. Turn the ignition switch to ON.
  3. Measure the voltage between body integrated unit and chassis ground.

    Connector & terminal 

    (B281) No. 5 (+) - Chassis ground (-): 

Is the voltage 9 - 16 V? Go to step . Go to step 16. 
8 CHECK STOP LIGHT SWITCH. 
Depress the brake pedal.
Does the stop light illuminate? Go to step . Check the stop light system.
9 CHECK HARNESS BETWEEN STOP LIGHT SWITCH AND AT SHIFT LOCK CONTROL MODULE. 
  1. Depress the brake pedal.
  2. Measure the voltage between body integrated unit and chassis ground.

    Connector & terminal 

    (B281) No. 9 (+) - Chassis ground (-): 

Is the voltage 9 V or more? Go to step 10  . Repair the harness for open or short circuit between body integrated unit and stop light switch.
10 CHECK HARNESS BETWEEN BODY INTEGRATED UNIT AND SHIFT LOCK SOLENOID. 
  1. Turn the ignition switch to OFF.
  2. Disconnect the connectors of shift lock solenoid and body integrated unit.
  3. Measure the harness resistance between the body integrated unit and shift lock solenoid.

    Connector & terminal 

    (B280) No. 9 - (B117) No. 4: 

Is the resistance 1 MΩ or more? Repair the open circuit of harness between body integrated unit and shift lock solenoid. Go to step 11  .
11 CHECK HARNESS BETWEEN BODY INTEGRATED UNIT AND SHIFT LOCK SOLENOID. 
Measure the resistance of harness between shift lock solenoid and chassis ground.
Connector & terminal (B280) No. 9 - Chassis ground: 
Is the resistance less than 10 Ω? Go to step 12  . Repair the short circuit of harness between body integrated unit and shift lock solenoid.
12 CHECK HARNESS BETWEEN SHIFT LOCK SOLENOID AND CHASSIS GROUND. 
Measure the resistance of harness between shift lock solenoid and chassis ground.
Connector & terminal 
(B117) No. 5 - Chassis ground: 
Is the resistance less than 1 Ω? Go to step 13  . Repair open circuit of harness between shift lock solenoid and chassis ground.
13 CHECK SHIFT LOCK SOLENOID. 
Measure the resistance of the shift lock solenoid connector terminals.
Terminals 
No. 4 - No. 5: 
Is the resistance between 20 - 40 Ω? Go to step 14  . Replace the shift lock solenoid.
14 CHECK SHIFT LOCK SOLENOID. 
Connect the battery to connector terminal of shift lock solenoid, and operate the solenoid.
Terminals 
No. 4 (+) - No. 5 (-): 
Is the shift lock solenoid operating properly? Go to step 15  . Replace the shift lock solenoid.
15 CHECK OUTPUT SIGNAL FOR AT SHIFT LOCK CONTROL MODULE. 
  1. Turn the ignition switch to ON. (engine OFF)
  2. Measure the voltage between body integrated unit and chassis ground.

    Connector & terminal 

    (B280) No. 9 (+) - Chassis ground (-): 

Is the voltage 8.5 V or more? Go to step 16  . Replace the body integrated unit.
16 CHECK POOR CONTACT.  Is there poor contact in connector? Repair the poor contact. Replace the body integrated unit.