lemon-mirror:
Home >> Subaru >> 2009 >> Outback Limited >> Repair and Diagnosis >> Engine Performance >> System >> Engine Controls - Engine (Diagnostics) (H4SO) >> Engine Control Module (ECM) I/O Signal >> Electrical Specification

Electrical Specification

Fig 1: Identifying Engine Control Module (ECM) Connector Terminals
G05334606Courtesy of SUBARU OF AMERICA, INC.
ECM TERMINAL REFERENCE

Contents Connector No. Terminal No. Signal (V) Note
Ignition SW ON (engine OFF) Engine ON (idling)
Crankshaft position sensor Signal (+) B134 13 0 -7 - +7 Waveform
Signal (-) B134 14 0 0 -
Shield B134 24 0 0 -
Camshaft position sensor Signal (+) B134 12 0 -7 - +7 Waveform
Signal (-) B134 22 0 0 -
Shield B134 24 0 0 -
Electronic throttle control Main B134 18 0.64 - 0.72
Fully opened: 3.96
0.64 - 0.72 (After engine is warmed up.) Fully closed: 0.6
Fully opened: 3.96
Sub B134 28 1.51 - 1.58
Fully opened: 4.17
1.51 - 1.58 (After engine is warmed up.) Fully closed: 1.48
Fully opened: 4.17
Power supply B134 19 5 5 -
GND (sensor) B134 29 0 0 -
Electronic throttle control motor (+) B137 5 Duty waveform Duty waveform Drive frequency: 500 Hz
Electronic throttle control motor H B137 4 Duty waveform Duty waveform Drive frequency: 500 Hz
Electronic throttle control motor power supply B136 1 10 - 13 12 - 14 -
Electronic throttle control motor relay B136 21 ON: 0
OFF: 10-13
ON: 0
OFF: 12-14
When ignition switch is turned to ON: ON
Accelerator pedal position sensor Main sensor signal B135 23 Fully closed: 1.0
Fully opened: 3.5
Fully closed: 1.0
Fully opened: 3.5
-
Main power supply B135 21 5 5 -
GND (Main sensor) B135 29 0 0 -
Sub sensor signal B135 31 Fully closed: 1.0
Fully opened: 3.5
Fully closed: 1.0
Fully opened: 3.5
-
Sub power supply B135 22 5 5 -
GND (Sub sensor) B135 30 0 0 -
Rear oxygen sensor Signal B135 4 0 0 - 0.9 -
Shield B135 1 0 0 -
Front oxygen (A/F) sensor heater Signal 1 B136 3 10-13 1 - 14 Duty waveform
Signal 2 B136 2 10 - 13 1-14 Duty waveform
Rear oxygen sensor heater signal B136 4 10 - 13 1 - 14 Duty waveform
Engine coolant temperature sensor B134 34 1.0 - 1.4 1.0 - 1.4 After engine is warmed up.
Starter switch B136 32 0 0 AT model
Cranking: 8 - 14
MT model
Cranking with the clutch pedal pressed: 8 - 14
Starter relay control B136 20 ON: 0.5 or less
OFF: 10 - 13
ON: 0.5 or less
OFF: 12 - 14
-
A/C switch B136 24 ON: 10 - 13
OFF:0
ON: 12-14
OFF:0
-
Ignition switch B135 19 10 - 13 12 - 14 -
Neutral position switch B136 31 ON:0
OFF: 12±0.5
AT model: Switch is ON when select lever is shifted into "P" range or "N" range.
MT model: Switch is ON when the shift lever is in neutral.
Delivery (test) mode connector B135 27 10 - 13 13 - 14 When connected: 0
Knock sensor Signal B134 15 2.5 2.5 -
Shield B134 25 0 0 -
Back-up power supply B135 5 10-13 12 - 14 Ignition switch "OFF": 10 - 13
Control module power supply B134 7 10-13 12-14 -
B135 2 10-13 12 - 14 -
Ignition control #1, #2 B137 18 0 1-3.4 Waveform
#3, #4 B137 19 0 1 - 3.4 Waveform
Fuel injector #1 B137 8 10 - 13 1-14 Waveform
#2 B137 9 10-13 1-14 Waveform
#3 B137 10 10-13 1-14 Waveform
#4 B137 11 10-13 1-14 Waveform
Fuel pump relay control B136 12 ON: 0.5 or less
OFF: 10-13
ON: 0.5 or less
OFF: 12-14
-
A/C relay control B136 9 ON: 0.5 or less
OFF: 10-13
ON: 0.5 or less
OFF: 12-14
-
Radiator fan relay 1 control B136 18 ON: 0.5 or less
OFF: 10-13
ON: 0.5 or less
OFF: 12-14
-
Radiator fan relay 2 control B136 29 ON: 0.5 or less
OFF: 10-13
ON: 0.5 or less
OFF: 12-14
-
Self-shutoff control B136 23 0.5 or less 0.5 or less -
Malfunction indicator light B136 11 - - Light "ON": 1 or less
Light "OFF": 10-14
Engine speed output B136 22 - 0 - 13 or more Waveform
Oil temperature sensor signal B134 23 1.0 - 1.4 1.0 - 1.4 After engine is warmed up.
PCV diagnosis connector B134 30 0 0 -
Purge control solenoid valve B137 29 ON: 1 or less
OFF: 10-13
ON: 1 or less
OFF: 12-14
Duty waveform
EGR valve Signal 1 B134 8 0 or 10-13 0 or 12-14 Waveform
Signal 2 B134 9 0 or 10-13 0 or 12-14 Waveform
Signal 3 B134 10 0 or 10-13 0 or 12-14 Waveform
Signal 4 B134 20 0 or 10-13 0 or 12-14 Waveform
Power steering oil pressure switch B134 33 ON: 1 or less
OFF: 10-13
ON: 1 or less
OFF: 12-14
-
Blower fan switch B135 11 ON:0
OFF: 10-13
ON:0
OFF: 12 -14
-
A/C middle pressure switch B136 33 ON:0
OFF: 10-13
ON:0
OFF: 12-14
-
Oil switching solenoid valve RH Signal (+) B137 25 0 Duty waveform Drive frequency: 300 Hz
Signal (-) B137 24 0 0 -
Oil switching solenoid valve LH Signal (+) B137 31 0 Duty waveform Drive frequency: 300 Hz
Signal (-) B137 30 0 0 -
Variable valve lift diagnosis oil pressure switch RH B134 31 0 0 -
Variable valve lift diagnosis oil pressure switch LH B134 32 0 0 -
Front oxygen (A/F) sensor Signal (+) B135 9 - 2.7 - 2.9 -
Signal (-) B135 8 - 2.35 - 2.25 -
Shield B135 1 0 0 -
Manifold absolute pressure sensor B134 6 3.4 - 3.8 1.4-1.8 -
Air flow sensor Signal B135 26 - 0.3 - 4.5 -
Shield B135 35 0 0 -
Ground B135 34 0 0 -
Intake air temperature sensor signal B135 18 0.3 - 4.6 0.3 - 4.6 -
Immobilizer communication 1 B136 26 1 or less ↔ 4 or more 1 or less ↔ 4 or more -
Immobilizer communication 2 B136 34 1 or less ↔ 4 or more 1 or less ↔ 4 or more -
SSM communication line B136 16 1 or less ↔ 4 or more 1 or less ↔ 4 or more -
Sensor power supply B134 19 5 5 -
B135 22 5 5 -
GND (sensor) B134 29 0 0 -
B135 30 0 0 -
Ground (Engine 1) B134 5 0 0 -
(Engine 2) B137 7 0 0 -
(Engine 3) B137 2 0 0 -
(Engine 4) B137 1 0 0 -
(Engine 5) B137 3 0 0 -
(Ignition 1) B137 26 0 0 -
(Ignition 2) B137 6 0 0 -
(Body) B136 6 0 0 -
Clutch switch B136 25 When clutch pedal is depressed: 0
When clutch pedal is released: 10-13
When clutch pedal is depressed: 0
When clutch pedal is released: 12-14
-
Brake switch 1 B135 20 When brake pedal is depressed: 0
When brake pedal is released: 10-13
When brake pedal is depressed: 0
When brake pedal is released: 12-14
-
Brake switch 2 B135 28 When brake pedal is depressed: 10-13
When brake pedal is released: 0
When brake pedal is depressed: 12-14
When brake pedal is released: 0
-
Cruise control main switch B135 12 ON:0
OFF: 5
ON:0
OFF: 5
-
Cruise control command switch B135 24 When not operating: 3.5 - 4.5
When operating RES/ACC:2.5-3.5
When operating SET/COAST: 0.5-1.5
When operating
CANCEL: 0 - 0.5
When not operating: 3.5 - 4.5
When operating RES/ACC:2.5-3.5
When operating SET/COAST: 0.5-1.5
When operating
CANCEL: 0 - 0.5
-
Fuel temperature sensor B135 17 2.5 - 3.8 2.5 - 3.8 Ambient temperature: 25°C (77°F)
Fuel tank pressure sensor B135 32 2.3 - 2.7 2.3 - 2.7 Value after removing fuel filler cap and installing again
Pressure control solenoid valve B136 28 ON: 1 or less
OFF: 10-13
ON: 1 or less
OFF: 12-14
-
Drain valve B136 17 ON: 1 or less
OFF: 10-13
ON: 1 or less
OFF: 12-14
-
CAN communication line (+) B136 27 2.5 - 3.5 2.5 - 3.5 Waveform
CAN communication line (-) B136 35 1.5 - 2.5 1.5 - 2.5 Waveform
AT/MT identification line B136 15 - - MT model: 1 or less
WAVEFORM REFERENCE

Input/output name Measuring condition Waveform
1. Crankshaft position sensor At idling
G05334607Courtesy of SUBARU OF AMERICA, INC.
2. Camshaft position sensor At idling
G05339827Courtesy of SUBARU OF AMERICA, INC.
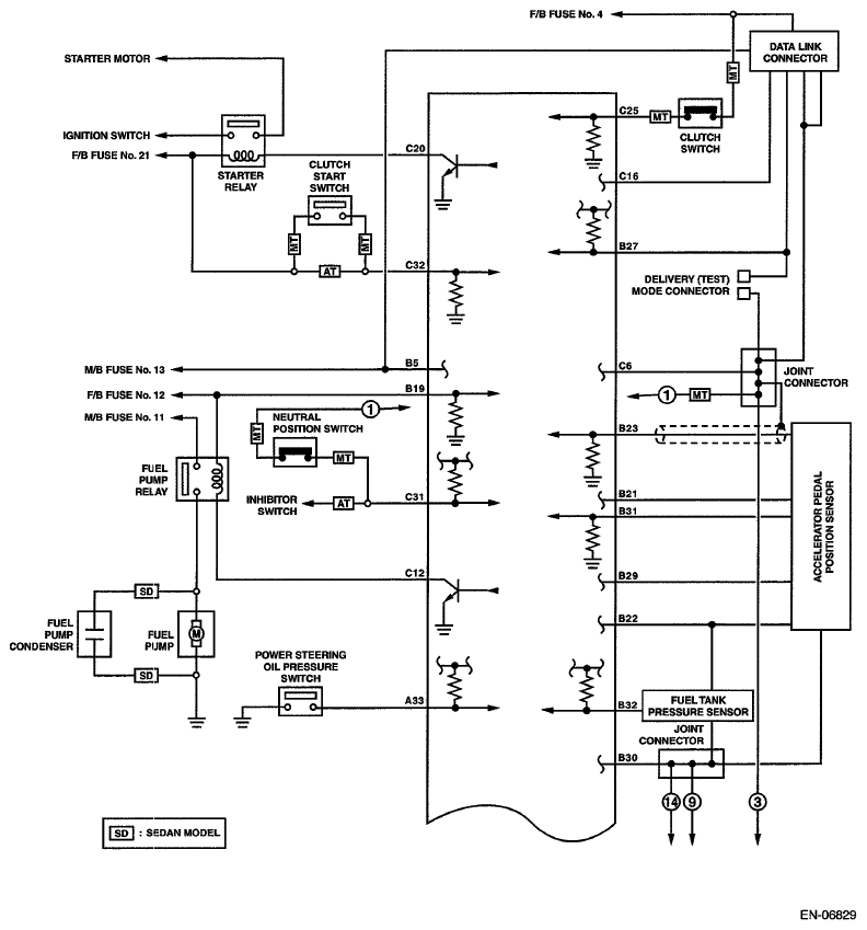
Fig 2: Engine Control Module (ECM) Circuit Diagram (1 Of 5)
G06334743Courtesy of SUBARU OF AMERICA, INC.
Fig 3: Engine Control Module (ECM) Circuit Diagram (2 Of 5)
G06334744Courtesy of SUBARU OF AMERICA, INC.
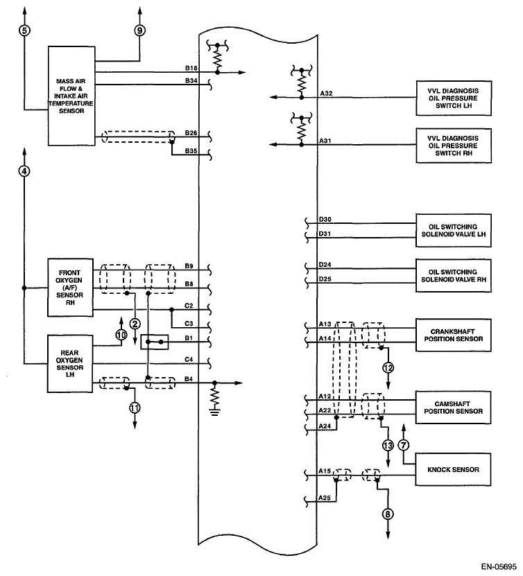
Fig 4: Engine Control Module (ECM) Circuit Diagram (3 Of 5)
G05339830Courtesy of SUBARU OF AMERICA, INC.
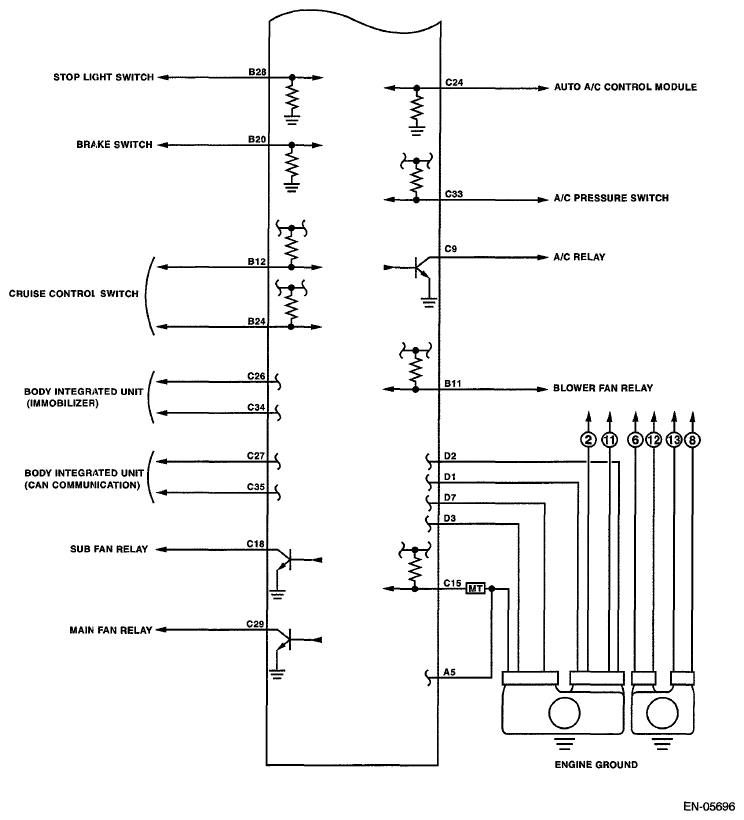
Fig 5: Engine Control Module (ECM) Circuit Diagram (4 Of 5)
G06334746Courtesy of SUBARU OF AMERICA, INC.
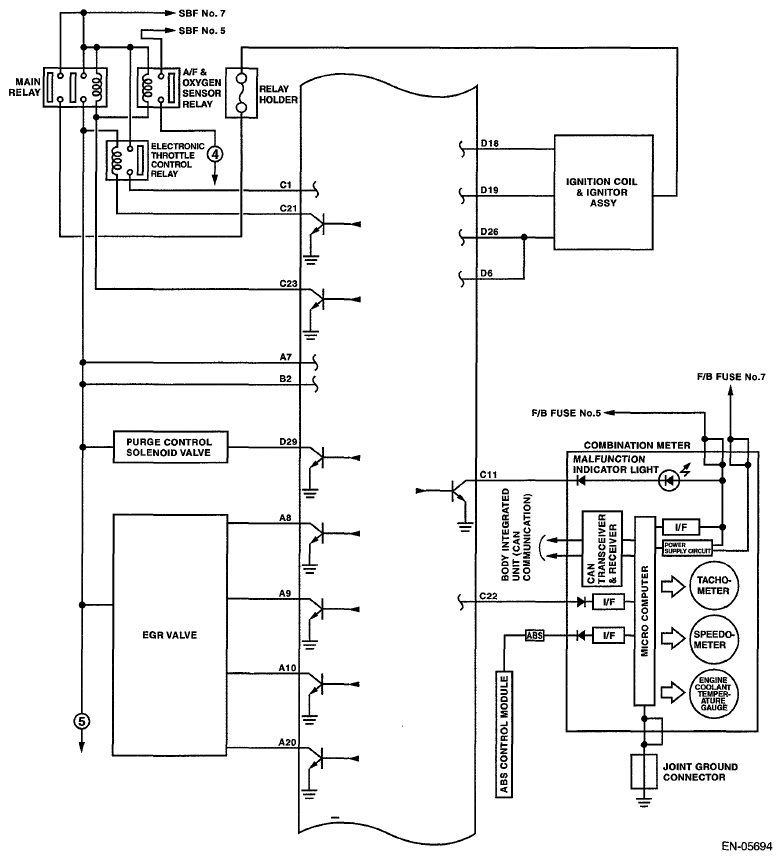
Fig 6: Engine Control Module (ECM) Circuit Diagram (5 Of 5)
G06334747Courtesy of SUBARU OF AMERICA, INC.