lemon-mirror:
Home >> Subaru >> 2011 >> Forester XT Touring >> Repair and Diagnosis >> Engine Performance >> System >> Engine Controls (Diagnostics) (H4DOTC) >> Engine Control Module (ECM) I/O Signal >> Electrical Specification

Electrical Specification

Fig 1: Identifying Engine Control Module I/O Signal Connector Terminals
G07665224Courtesy of SUBARU OF AMERICA, INC.
CONNECTOR TERMINAL REFERENCE CHART

Description Connector No. Terminal No. Signal (V) Note
Ignition SW ON (engine OFF) Engine ON (idling)
Crankshaft position sensor Signal (+) B137 17 0 -7 -+7 Waveform
Signal (-) B137 25 0 0 -
Shield B137 31 0 0 -
Rear oxygen sensor Signal B136 20 0 0 - 0.9 -
Shield B136 9 0 0 -
Ground (sensor) B135 30 0 0 -
Front oxygen (A/F) sensor heater Signal 1 B136 6 - - Waveform
Signal 2 B136 5 - - Waveform
Rear oxygen sensor heater signal B135 6 0-13 12 - 14 Waveform
Engine coolant temperature sensor Signal B137 22 1.0 - 1.4 1.0 - 1.4 After engine is warmed up.
Ground (sensor) B134 29 0 0 After engine is warmed up.
Air flow sensor Signal B136 22 - 0.3 - 4.5 -
Shield B136 10 0 0 -
Ground B136 11 0 0 -
Intake air temperature sensor signal B136 31 0.3 - 4.6 0.3 - 4.6 -
Wastegate control solenoid valve B134 33 0 or 10 - 13 0 or 12 - 14 Waveform
Starter switch B136 16 0 0 Cranking: 8 - 14
A/C switch B136 29 ON: 10 - 13 OFF:0 ON: 12 - 14 OFF: 0 -
Ignition switch B136 30 10 - 13 12 - 14 -
Neutral position switch B136 35 ON: 0 OFF: 10 - 13 ON: 0 OFF: 12 - 14 -
Delivery (test) mode connector B136 34 10 - 13 13 - 14 When connected: 0
Knock sensor Signal B137 2 2.8 2.8 -
Shield B137 8 0 0 -
Back-up power supply B136 2 10 - 13 12 - 14 Ignition switch "OFF": 10 - 13
Control module power supply B136 1 10 - 13 12 - 14 -
B137 7 10 - 13 12 - 14 -
Sensor power supply B134 19 5 5 -
Ignition control #1 B134 21 0 0 or 5 Waveform
#2 B134 22 0 0 or 5 Waveform
#3 B134 31 0 0 or 5 Waveform
#4 B134 32 0 0 or 5 Waveform
Fuel injector #1 B134 10 10 - 13 1 - 14 Waveform
#2 B134 11 10 - 13 1 - 14 Waveform
#3 B134 12 10 - 13 1 - 14 Waveform
#4 B134 13 10 - 13 1 - 14 Waveform
Fuel pump control unit Control B136 33 0 or 5 0 or 5 Waveform
Diagnostic signal B135 10 10 - 13 12 - 14 -
A/C relay control B135 35 ON: 0.5 or less OFF: 10 - 13 ON: 0.5 or less OFF: 12 - 14 -
Radiator fan relay 1 control B135 11 ON: 0.5 or less OFF: 10 - 13 ON: 0.5 or less OFF: 12 - 14 -
Radiator fan relay 2 control B135 12 ON: 0.5 or less OFF: 10 - 13 ON: 0.5 or less OFF: 12 - 14 Model with A/C only
Malfunction indicator light B135 33 - - Light "ON": 1 or less Light "OFF: 10 - 14
Engine speed output B135 15 - 0 - 13 or more Waveform
Purge control solenoid valve 1 B137 6 ON: 1 or less OFF: 10 - 13 ON: 1 or less OFF: 12 - 14 Waveform
Purge control solenoid valve 2 B137 15 ON: 1 or less OFF: 10 - 13 ON: 1 or less OFF: 12 - 14 Waveform
Manifold absolute pressure sensor Signal B137 20 1.7 - 2.4 1.1 - 1.6 -
Power supply B134 19 5 5
Ground (sensor) B134 29 0 0
Power steering oil pressure switch B137 28 10 - 13 ON: 0 OFF: 12 - 14 -
Front oxygen (A/F) sensor signal (+) B136 19 2.8 - 3.2 2.8 - 3.2 -
Front oxygen (A/F) sensor signal (-) B136 18 2.4 - 2.7 2.4 - 2.7 -
Front oxygen (A/F) sensor shield B136 9 0 0 -
SSM/GST communication line B135 14 1 or less ↔ 4 or more 1 or less ↔ 4 or more -
Intake camshaft position sensor (LH) B137 16 0 or 5 0 or 5 Waveform
Intake camshaft position sensor (RH) B137 24 0 or 5 0 or 5 Waveform
Intake camshaft position sensor ground B137 30 0 0 -
Electronic throttle control Main B134 18 Approx. 0.9 (After engine is warmed up.) Approx. 0.6 - 0.7 (After engine is warmed up.) Fully closed: Approx. 0.6
Fully open: Approx. 4.0
Sub B134 28 Approx. 1.7 (After engine is warmed up.) Approx. 1.5 - 1.6 (After engine is warmed up.) Fully closed: Approx. 1.5
Fully open: Approx. 4.2
Power supply B134 19 5 5 -
Ground (sensor) B134 29 0 0 -
Electronic throttle control motor (+) B134 2 Duty waveform Duty waveform Drive frequency: 500 Hz
Electronic throttle control motor (-) B134 1 Duty waveform Duty waveform Drive frequency: 500 Hz
Electronic throttle control motor power supply B135 7 10 - 13 12 - 14 -
Electronic throttle control motor relay B135 17 ON: 0 OFF: 10 - 13 ON: 0 OFF: 12 - 14 When ignition switch is turned to ON: ON
Intake oil flow control solenoid valve (LH) Signal (+) B134 17 ON: 10 - 13 OFF:0 ON: 12 - 14 OFF:0 -
Signal (-) B134 16 0 0 -
Intake oil flow control solenoid valve (RH) Signal (+) B134 34 ON: 10 - 13 OFF:0 ON: 12 - 14 OFF:0 -
Signal (-) B134 27 0 0 -
Accelerator pedal position sensor Main sensor signal B135 23 Fully closed: 1 Fully opened: 3.3 Fully closed: 1 Fully opened: 3.3 -
Main power supply B135 21 5 5 -
Ground (main sensor) B135 29 0 0 -
Shield B136 4 0 0 -
Sub sensor signal B135 31 Fully closed: 1
Fully opened: 3.3
Fully closed: 1
Fully opened: 3.3
-
Sub power supply B135 22 5 5 -
Ground (sub sensor) B135 30 0 0 -
Starter relay B135 26 ON: 0 OFF: 10 - 13 ON: 0 OFF: 12 - 14 ON: cranking
A/C middle pressure switch B136 7 ON: 0 OFF: 10 - 13 ON: 0 OFF: 12 - 14 -
Blower fan switch B135 19 ON: 0 OFF: 10 - 13 ON: 0 OFF: 12 - 14 Manual A/C model
Brake switch 1 B136 15 When brake pedal is depressed: 0
When brake pedal is released: 10 - 13
When brake pedal is depressed: 0
When brake pedal is released: 12 - 14
-
Brake switch 2 B136 3 When brake pedal is depressed: 10 - 13
When brake pedal is released: 0
When brake pedal is depressed: 12 - 14
When brake pedal is released: 0
-
Cruise control command switch B136 12 When operating nothing: 3.5 - 4.5
When operating RES/ACC: 2.5 - 3.5
When operating SET/COAST: 0.5 - 1.5
When operating CANCEL: 0 - 0.5
When operating nothing: 3.5 - 4.5
When operating RES/ACC: 2.5 - 3.5
When operating SET/COAST: 0.5 - 1.5
When operating CANCEL: 0 - 0.5
-
Cruise control main switch B136 13 ON: 0 OFF: 5 ON: 0 OFF: 5 -
Fuel tank pressure sensor B136 21 2.3 - 2.7 2.3 - 2.7 -
Pressure control solenoid valve B135 3 ON: 1 or less OFF: 10 - 13 ON: 1 or less OFF: 12 - 14 -
Drain valve B135 4 ON: 1 or less OFF: 10 - 13 ON: 1 or less OFF: 12 - 14 -
Fuel temperature sensor B136 23 2.5 - 3.8 2.5 - 3.8 Ambient temperature: 25°C (77°F)
Immobilizer Signal 1 B135 25 - - -
Signal 2 B135 24 - - -
CAN communication (Hi) B136 17 - - -
CAN communication (Lo) B136 28 - - -
Blow-by leak diagnosis B137 12 0 0 At the time of open circuit (fault): 5
Tumble generator valve position sensor signal (RH) B137 11 Fully closed: 0.4 - 1.2
Fully opened: 2.8 - 4.6
Fully closed: 0.4 - 1.2
Fully opened: 2.8 - 4.6
-
Tumble generator valve position sensor signal (LH) B137 10 Fully closed: 0.4 - 1.2
Fully opened: 2.8 - 4.6
Fully closed: 0.4 - 1.2
Fully opened: 2.8 - 4.6
-
Tumble generator valve (RH closed) B134 26 0 or 10 - 13 0 or 12 - 14 -
Tumble generator valve (LH closed) B134 24 0 or 10 - 13 0 or 12 - 14 -
Tumble generator valve (RH open) B134 25 0 or 10 - 13 0 or 12 - 14 -
Tumble generator valve (LH open) B134 23 0 or 10 - 13 0 or 12 - 14 -
Secondary air pipe pressure sensor Signal B137 9 2.2 - 2.8 2.2 - 2.8 When secondary air is inducted: 3.2 - 4.9
Power supply B134 19 5.12 5.12 -
Ground (sensor) B134 29 0 0 -
Secondary air combination valve relay 1 B135 8 ON: 0 OFF: 10 - 13 ON: 0 OFF: 12 - 14 -
Secondary air combination valve relay 2 B135 20 ON: 0 OFF: 10 - 13 ON: 0 OFF: 12 - 14 -
Secondary air pump relay B135 27 ON: 0 OFF: 10 - 13 ON: 0 OFF: 12 - 14 -
Self-shutoff control B135 13 10 - 13 12 - 14 -
Ground (engine 1) B134 6 0 0 -
Ground (engine 2) B134 4 0 0 -
Ground (engine 3) B134 3 0 0 -
Ground (engine 4) B137 1 0 0 -
Ground (engine 5) B137 3 0 0 -
Ground (body) B136 4 0 0 -

Input/output name: 

Measuring condition: 

Fig 3: Engine Crank Module (ECM) I/O Signal Wiring Diagram (1 Of 5)
G07665226Courtesy of SUBARU OF AMERICA, INC.
Fig 4: Engine Crank Module (ECM) I/O Signal Wiring Diagram (2 Of 5)
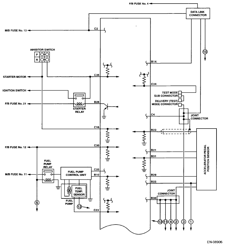
G07665227Courtesy of SUBARU OF AMERICA, INC.
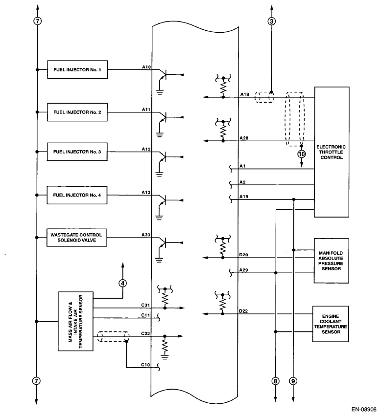
Fig 5: Engine Crank Module (ECM) I/O Signal Wiring Diagram (3 Of 5)
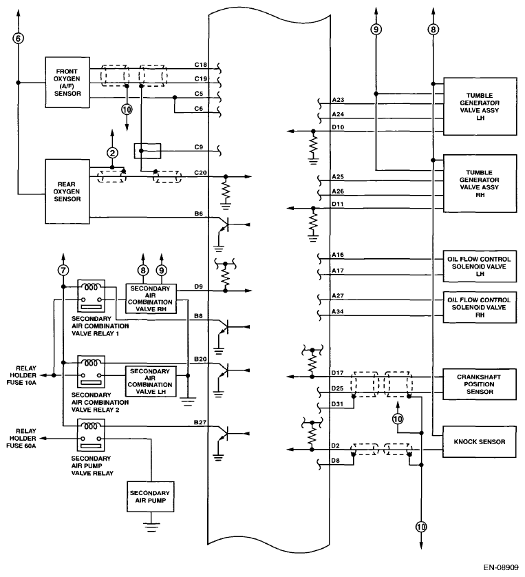
G07665228Courtesy of SUBARU OF AMERICA, INC.
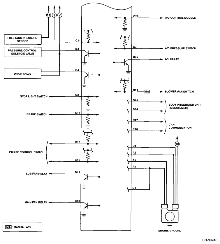
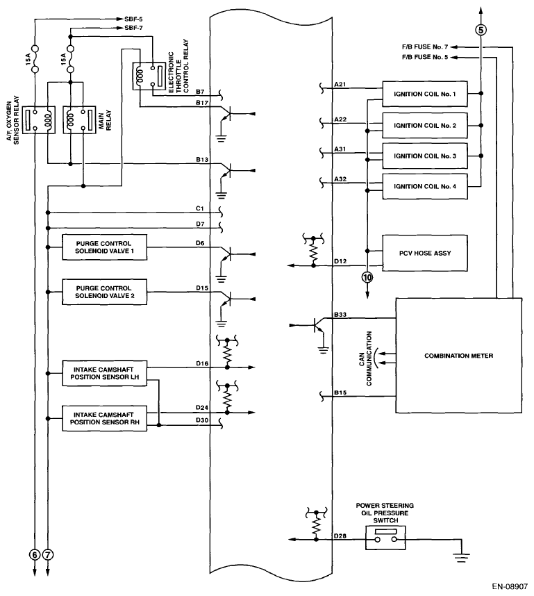
Fig 6: Engine Crank Module (ECM) I/O Signal Wiring Diagram (4 Of 5)
G07665229Courtesy of SUBARU OF AMERICA, INC.
Fig 7: Engine Crank Module (ECM) I/O Signal Wiring Diagram (5 Of 5)
G07665230Courtesy of SUBARU OF AMERICA, INC.