lemon-mirror:
Home >> Subaru >> 2012 >> Forester X, Automatic Trans >> Repair and Diagnosis >> Engine Performance >> System >> Engine Controls (Diagnostics) (H4DO) >> Engine Control Module (ECM) I/O Signal >> Electrical Specification

Electrical Specification

Fig 1: Identifying Engine Control Module I/O Signal Connector Terminals
G07670205Courtesy of SUBARU OF AMERICA, INC.
CONNECTOR TERMINAL REFERENCE CHART

Description Connector No. Terminal No. Signal (V) Note
Ignition SW ON (engine OFF) Engine ON (idling)
Crankshaft position sensor Signal (+) B137 17 0 -7 - +7 Waveform
Signal (-) B137 25 0 0 -
Shield B137 31 0 0 -
Front oxygen (A/F) sensor Signal (+) B136 19 2.8 - 3.2 2.8 - 3.2 -
Signal (-) B136 18 2.4 - 2.7 2.4 - 2.7 -
Shield B136 9 0 0 -
Rear oxygen sensor Signal B136 20 0 0 - 0.9 -
Shield B136 9 0 0 -
Ground (sensor) B135 30 0 0 -
Front oxygen (A/F) sensor heater Signal 1 B136 6 - - Waveform
Signal 2 B136 5 - - Waveform
Rear oxygen sensor heater signal B135 6 0 - 13 - Waveform
Engine coolant temperature sensor Signal B137 22 1.0 - 1.4 1.0 - 1.4 After engine is warmed up.
Ground (sensor) B134 29 0 0 After engine is warmed up.
Air flow sensor Signal B136 22 - 0.3 - 4.5 -
Shield B136 10 0 0 -
Ground B136 11 0 0 -
Intake air temperature sensor signal B136 31 0.3 - 4.6 0.3 - 4.6 -
Engine oil temperature sensor signal B137 9 1.0 - 1.4 1.0 - 1.4 After engine is warmed up.
Starter switch B136 16 0 0 Cranking: 8 - 14
Ignition switch B136 30 10 - 13 12 - 14 -
Neutral position switch B136 35 ON: 0
OFF: 10 - 13
ON: 0
OFF: 12 - 14
-
Delivery (test) mode switch B136 34 10 - 13 12 - 14 When connector connected: 0
Knock sensor Signal B137 2 2.8 2.8 -
Shield B137 8 0 0 -
Back-up power supply B136 2 10 - 13 12 - 14 Ignition switch "OFF: 10 - 13
Control module power supply B137 7 10 - 13 12 - 14 -
B136 1 10 - 13 12 - 14 -
Sensor power supply B134 19 5 5 -
B135 22 5 5 -
Ignition control #1 B134 21 0 0 or 5 Waveform
#2 B134 22 0 0 or 5 Waveform
#3 B134 31 0 0 or 5 Waveform
#4 B134 32 0 0 or 5 Waveform
Fuel injector #1 B134 10 10 - 13 1 - 14 Waveform
#2 B134 11 10 - 13 1 - 14 Waveform
#3 B134 12 10 - 13 1 - 14 Waveform
#4 B134 13 10 - 13 1 - 14 Waveform
Fuel pump relay control B136 33 ON: 0.5 or less
OFF: 10 - 13
ON: 0.5 or less
OFF: 12 - 14
-
A/C relay control B135 35 ON: 0.5 or less
OFF: 10 - 13
ON: 0.5 or less
OFF: 12 - 14
-
A/C switch B136 29 ON: 10 - 13
OFF:0
ON: 12 - 14
OFF:0
-
Blower fan switch B135 19 ON: 0
OFF: 10 - 13
ON: 0
OFF: 12 - 14
Manual A/C model
A/C middle pressure switch B136 7 ON: 0
OFF: 10 - 13
ON: 0
OFF: 12 - 14
-
Radiator fan relay 1 control B135 11 ON: 0.5 or less
OFF: 10 - 13
ON: 0.5 or less
OFF: 12 - 14
-
Radiator fan relay 2 control B135 12 ON: 0.5 or less
OFF: 10 - 13
ON: 0.5 or less
OFF: 12 - 14
-
Malfunction indicator light B135 33 - - Light "ON": 1 or less
Light "OFF": 10 - 14
Engine speed output B135 15 - 0 - 13 or more Waveform
Purge control solenoid valve B137 6 ON: 1 or less
OFF: 10 - 13
ON: 1 or less
OFF: 12 - 14
Waveform
EGR control valve Signal 1 B134 8 0 or 10 - 13 0 or 12 - 14 Waveform
Signal 2 B134 9 0 or 10 - 13 0 or 12 - 14 Waveform
Signal 3 B134 20 0 or 10 - 13 0 or 12 - 14 Waveform
Signal 4 B134 30 0 or 10 - 13 0 or 12 - 14 Waveform
Manifold absolute pressure sensor Signal B137 20 1.7 - 2.4 1.1 - 1.6 -
Power supply B134 19 5 5
Ground (sensor) B134 29 0 0
SSM communication B135 14 1 or less ↔ 4 or more 1 or less ↔ 4 or more -
Electronic Throttle Main B134 18 Approx. 0.7 Approx. 0.6 - 0.7 (After engine is warmed up.) Fully closed: Approx. 0.6
Fully open: Approx. 4.0
Sub B134 28 Approx. 1.6 Approx. 1.5 - 1.6 (After engine is warmed up.) Fully closed: Approx. 1.5
Fully open: Approx. 4.2
Power supply B134 19 5 5 -
Ground (sensor) B134 29 0 0 -
Electronic throttle control motor (+) B134 2 Duty waveform Duty waveform Drive frequency: 500 Hz
Electronic throttle control motor (-) B134 1 Duty waveform Duty waveform Drive frequency: 500 Hz
Electronic throttle control motor power supply B135 7 10 - 13 12 - 14 -
Electronic throttle control motor relay B135 17 ON: 0
OFF: 10 - 13
ON: 0
OFF: 12 - 14
When ignition switch is turned to ON: ON
Intake oil control solenoid (LH) Signal (+) B134 17 ON: 10 - 13
OFF: 0
ON: 12 -
14 OFF: 0
-
Signal (-) B134 16 0 0 -
Intake oil control solenoid (RH) Signal (+) B134 34 ON: 10 - 13
OFF: 0
ON: 12 -
14 OFF: 0
-
Signal (-) B134 27 0 0 -
Intake camshaft position sensor (LH) B137 16 0 or 5 0 or 5 Waveform
Intake camshaft position sensor (RH) B137 24 0 or 5 0 or 5 Waveform
Camshaft position sensor ground B137 30 0 0 -
Accelerator pedal position sensor Main sensor signal B135 23 Fully closed: 1
Fully opened: 3.3
Fully closed: 1
Fully opened: 3.3
-
Shield B136 4 0 0 -
Main power supply B135 21 5 5 -
Ground (main sensor) B135 29 0 0 -
Sub signal sensor B135 31 Fully closed: 1
Fully opened: 3.3
Fully closed: 1
Fully opened: 3.3
-
Sub power supply B135 22 5 5 -
Ground (sub sensor) B135 30 0 0 -
Starter relay B135 26 ON: 0
OFF: 10 - 13
ON: 0
OFF: 12 - 14
ON: cranking
Clutch switch B135 9 When clutch pedal is depressed: 0
When clutch pedal is released: 10 - 13
When clutch pedal is depressed: 0
When clutch pedal is released: 12 - 14
MT model
Brake switch 1 (brake switch) B136 15 When brake pedal is depressed: 0
When brake pedal is released: 10 - 13
When brake pedal is depressed: 0
When brake pedal is released: 12 - 14
-
Brake switch 2 (stop light switch) B136 3 When brake pedal is depressed: 10 - 13
When brake pedal is released: 0
When brake pedal is depressed: 12 - 14
When brake pedal is released: 0
-
Cruise control command switch B136 12 When operating nothing: 3.5 - 4.5
When operating RES/ACC: 2.5 - 3.5
When operating vehicle distance setting: 1.5 - 2.5
When operating SET/COAST: 0.5 - 1.5
When operating CANCEL: 0 - 0.5
When operating nothing: 3.5 - 4.5
When operating RES/ACC: 2.5 - 3.5
When operating vehicle distance setting: 1.5 - 2.5
When operating SET/COAST: 0.5 - 1.5
When operating CANCEL: 0 - 0.5
-
Cruise control main switch B136 13 ON: 0
OFF: 5
ON: 0
OFF: 5
-
CAN communication (Hi) B136 17 - - -
(Lo) B136 28 - - -
Self-shutoff control B135 13 0 0 -
Power steering oil pressure switch B137 28 10 - 13 ON: 0
OFF: 12 - 14
-
Tumble generator valve opening angle switch signal (LH) B137 13 Fully closed: 0.5 or less
Fully opened: 9.5 or more
Fully closed: 0.5 or less
Fully opened: 9.5 or more
-
Tumble generator valve (LH open) B134 23 0 or 10 - 13 0 or 12 - 14 -
Tumble generator valve (LH closed) B134 24 0 or 10 - 13 0 or 12 - 14 -
Tumble generator valve opening angle switch signal (RH) B137 14 Fully closed: 0.5 or less
Fully opened: 9.5 or more
Fully closed: 0.5 or less
Fully opened: 9.5 or more
-
Tumble generator valve (RH open) B134 25 0 or 10 - 13 0 or 12 - 14 -
Tumble generator valve (RH closed) B134 26 0 or 10 - 13 0 or 12 - 14 -
Immobilizer Communication 1 B135 25 - - -
Communication 2 B135 24 - - -
ELCM Switching valve B135 4 10 - 13 12 - 14 Operating: 0
Pressure sensor B136 21 1 - 4 1 - 4 When ignition switch is turned to ON: atmospheric pressure
Vacuum pump B137 27 10 - 13 12 - 14 Operating: 0
Ground Sensor B134 29 0 0 -
B135 30 0 0 -
Engine 1 B134 6 0 0 -
Engine 2 B134 4 0 0 -
Engine 3 B134 3 0 0 -
Engine 4 B137 1 0 0 -
Engine 5 B137 3 0 0 -
Body B136 4 0 0 -

Input/output name: 

Measuring condition: 

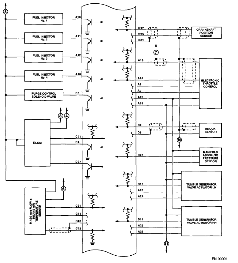
Fig 3: Engine Crank Module (ECM) I/O Signal Wiring Diagram (1 Of 4)
G07670207Courtesy of SUBARU OF AMERICA, INC.
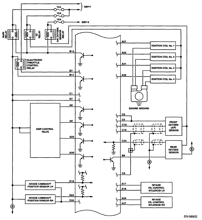
Fig 4: Engine Crank Module (ECM) I/O Signal Wiring Diagram (2 Of 4)
G07670208Courtesy of SUBARU OF AMERICA, INC.
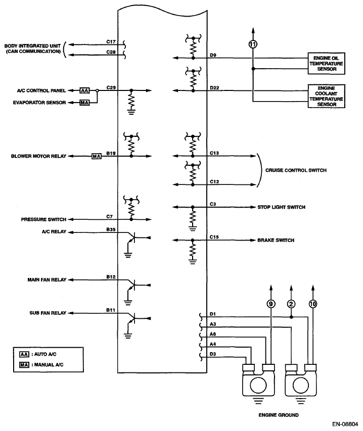
Fig 5: Engine Crank Module (ECM) I/O Signal Wiring Diagram (3 Of 4)
G07670209Courtesy of SUBARU OF AMERICA, INC.
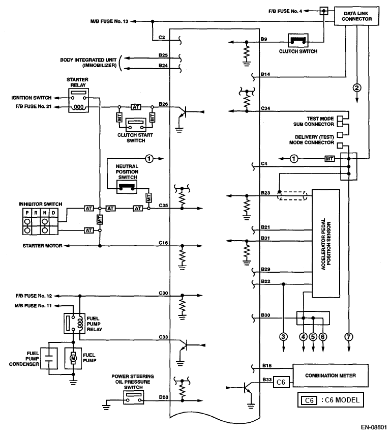
Fig 6: Engine Crank Module (ECM) I/O Signal Wiring Diagram (4 Of 4)
G07670210Courtesy of SUBARU OF AMERICA, INC.