lemon-mirror:
Home >> Subaru >> 2012 >> Tribeca Limited >> Repair and Diagnosis >> Transmission >> Transmission Control Systems >> A/T Control Systems >> AT Shift Lock Control System >> Inspection >> Key Interlock Does Not Lock Or Release

Key Interlock Does Not Lock Or Release

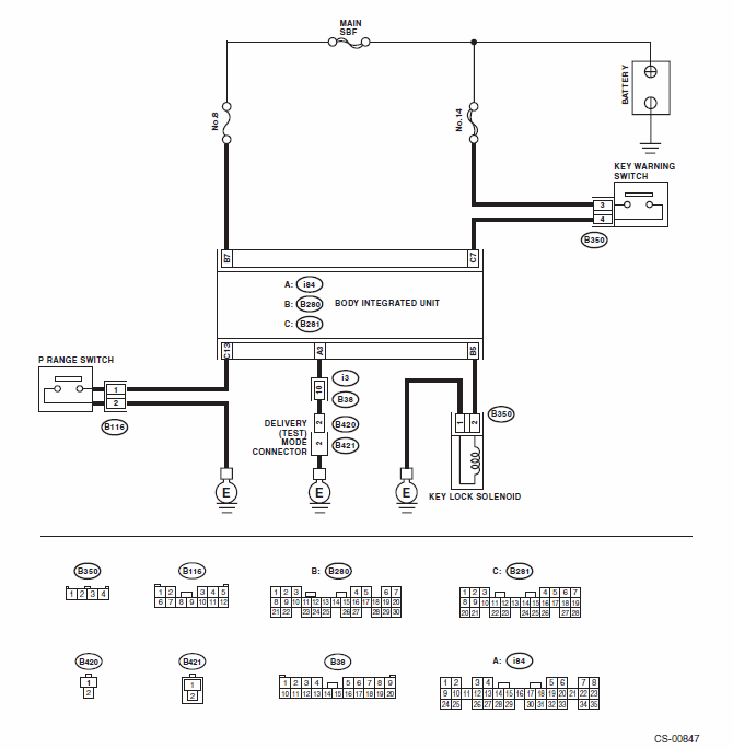
Fig 1: Select Lever Cannot Be Locked - Circuit Diagram
G00514628Courtesy of SUBARU OF AMERICA, INC.
Fig 2: Select Lever Cannot Be Locked Diagnosis Procedure Chart (1 Of 3)
G00514629Courtesy of SUBARU OF AMERICA, INC.
Fig 3: Select Lever Cannot Be Locked Diagnosis Procedure Chart (2 Of 3)
G00514630Courtesy of SUBARU OF AMERICA, INC.
Fig 4: Select Lever Cannot Be Locked Diagnosis Procedure Chart (3 Of 3)
G00514631Courtesy of SUBARU OF AMERICA, INC.