lemon-mirror:
Home >> Subaru >> 2014 >> Impreza WRX STI Limited >> Repair and Diagnosis >> Engine Performance >> Engine Control Systems >> Fuel Injection System (STI) >> General Description >> Components With Torque Specifications >> Intake Manifold

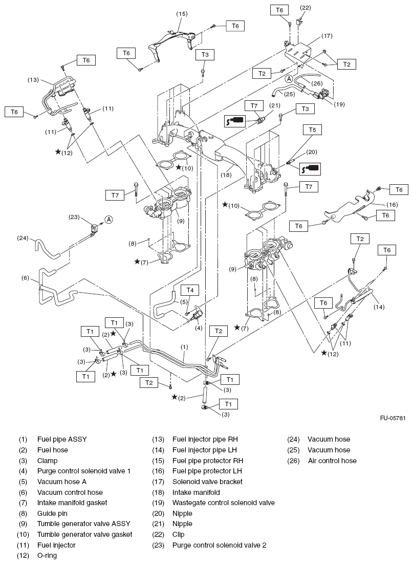
Intake Manifold

Fig 1: Identifying Intake Manifold Components
G08538613Courtesy of SUBARU OF AMERICA, INC.

Tightening torque: N.m (kgf-m, ft-lb) 

T1: 1.25 (0.1, 0.9) 

T2: 6.4 (0.7, 4.7) 

T3: 8.25 (0.8, 6.1) 

T4: 16 (1.6, 11.8) 

T5: 17 (1.7, 12.5) 

T6: 19 (1.9, 14.0) 

T7: 25 (2.5, 18.4)