lemon-mirror:
Home >> Subaru >> 2015 >> Outback 3.6R Limited >> Repair and Diagnosis >> Engine Performance >> Engine Ignition System (H6DO) >> General Description >> Components With Torque Specifications

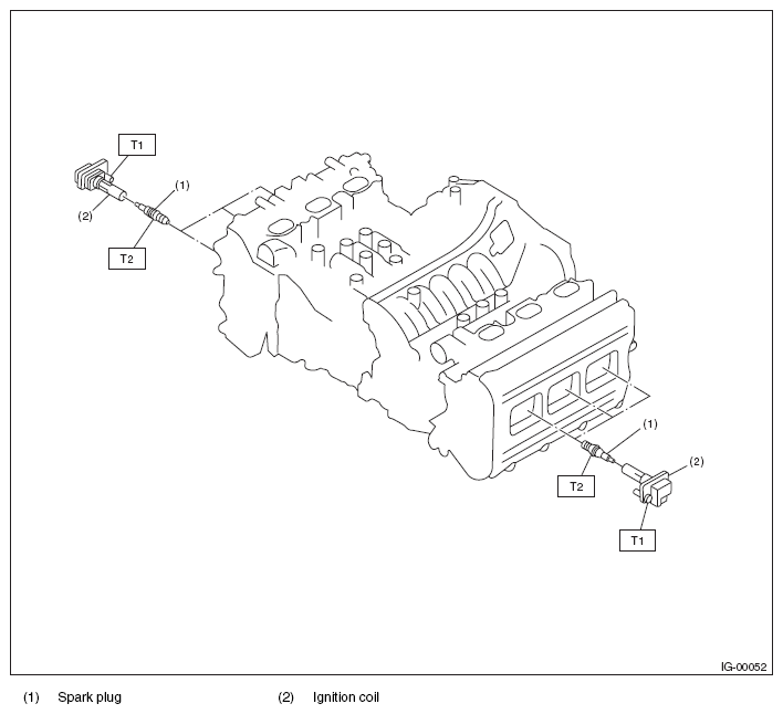
Components With Torque Specifications

Fig 1: Identifying Spark Plug, Ignition Coil With Torque Specification
G10264253Courtesy of SUBARU OF AMERICA, INC.

Tightening torque: N.m (kgf-m, ft-lb) 

T1: 16 (1.6, 11.8) 

T2: 21 (2.1, 15.5)