lemon-mirror:
Home >> Subaru >> 2015 >> XV Crosstrek Base >> Repair and Diagnosis >> Transmission >> Automatic Trans >> Transmission Control Systems >> AT Shift Lock Control System >> Inspection >> Key Interlock Cannot Be Locked Or Released

Key Interlock Cannot Be Locked Or Released

NOTE: Check of this item only applies to models without a push button ignition switch.
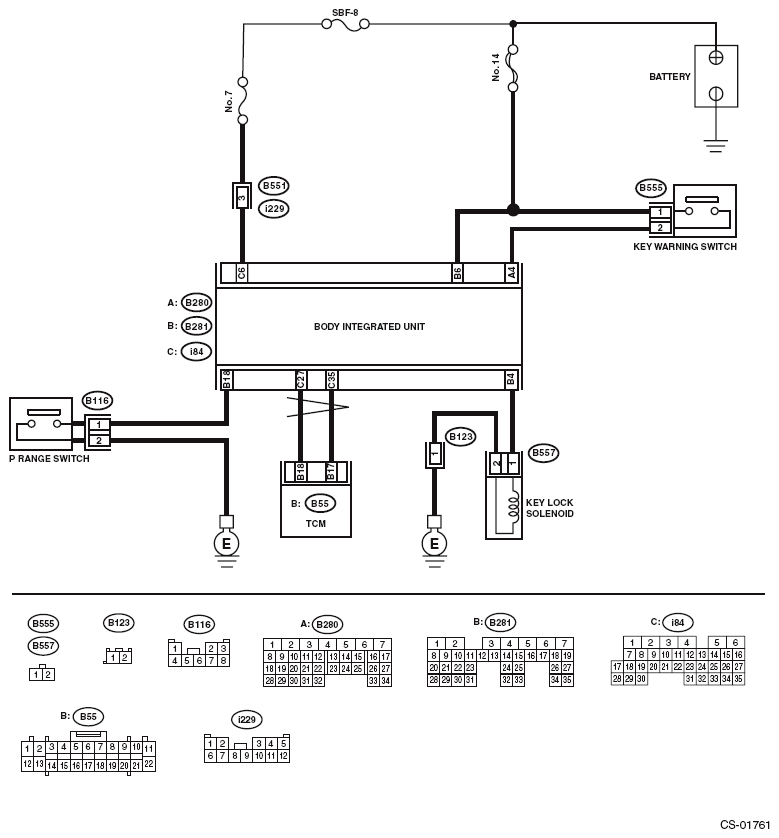
Fig 1: AT Shift Lock Control System - Wiring Diagram (Key Interlock Cannot Be Locked/Released)
G09487561Courtesy of SUBARU OF AMERICA, INC.
Step Check Yes No
1 CHECK D CHECK FUSE. 
Check that the D check fuse is disconnected.
Is the D check fuse disconnected? Go to step . Remove the D check fuse and then turn the ignition switch to ON.
2 CHECK BODY INTEGRATED UNIT POWER SUPPLY AND GROUND CIRCUIT. 
< Ref. to BODY INTEGRATED UNIT POWER SUPPLY AND GROUND CIRCUIT , INSPECTION, AT Shift Lock Control System.>
Is there any fault? Follow the procedures to inspect and repair. Go to step .
3 CHECK CURRENT DATA. 
  1. Connect the Subaru Select Monitor.
  2. Shift the select lever to "P" range.
  3. Turn the ignition switch to ON.
  4. Select the current data display and display «P SW». < Ref. to READ CURRENT DATA .>
Is the display "ON" in the P range and "OFF" in ranges other than P? Go to step . Go to step .
4 CHECK CURRENT DATA. 
  1. Select the current data display and display the «key-lock warning SW». < Ref. to READ CURRENT DATA .>
  2. Turn the ignition switch to OFF.
Does the display change from "ON" ←→ "OFF" when the key is inserted and removed? Go to step . Go to step 10  .
5 CHECK CURRENT DATA. 
  1. Turn the ignition switch to ON.
  2. Select the current data display and display «Key locking output». < Ref. to READ CURRENT DATA .>
Is the display "OFF" in the P range and "ON" in ranges other than P? Go to step 11  . Go to step .
6 CHECK DTC OF BODY INTEGRATED UNIT. 
  1. Set the select lever to other than "P" range.
  2. Check DTC of body integrated unit.
Is B1105 (key interlock circuit abnormal) a current malfunction? Follow the DTC to perform inspection and repair. Go to step 11  .
7 CHECK HARNESS BETWEEN BODY INTEGRATED UNIT AND "P" RANGE SWITCH. 
  1. Disconnect the connector from body integrated unit.
  2. Disconnect the connector of "P" range switch.
  3. Check for open circuit of harness, short circuit to battery or short circuit to ground between the body integrated unit and "P" range switch.

    Connector & terminal 

    (B281) No. 18 - (B116) No. 1: 

Is there any fault in the harness? Repair or replace the harness between the body integrated unit and the "P" range switch. Go to step .
8 CHECK HARNESS BETWEEN "P" RANGE SWITCH AND CHASSIS GROUND. 
Measure the resistance of harness between "P" range switch and chassis ground.
Connector & terminal 
(B116) No. 2 - Chassis ground: 
Is it less than 10 Ω? Go to step . Repair the harness between the "P" range switch and chassis ground.
9 CHECK "P" RANGE SWITCH. 
Measure the resistance between "P" range switch connector terminals.
Terminals 
No. 2 - No. 1: 
Is it less than 10 Ω in the "P" range, and 1 MΩ or more in ranges other than "P"? Replace the body integrated unit. Replace the "P" range switch.
10 CHECK HARNESS BETWEEN BATTERY AND KEY WARNING SWITCH AND BODY INTEGRATED UNIT. 
  1. Disconnect the connector from body integrated unit.
  2. Measure the voltage between body integrated unit and chassis ground.

    Connector & terminal 

    (B280) No. 4 (+) - Chassis ground (-): 

Is the display 9 V or more when the key is inserted, and less than 1.5 V with the key removed? Replace the body integrated unit. Check the following items.
  • Key warning switch
  • Harness/fuse
  • Ignition circuit
11 CHECK HARNESS BETWEEN BODY INTEGRATED UNIT AND KEY LOCK SOLENOID. 
  1. Disconnect the connector from body integrated unit.
  2. Disconnect the connector of key lock solenoid.
  3. Check for open circuit of harness, short circuit to battery or short circuit to ground between the body integrated unit and key lock solenoid.

    Connector & terminal 

    (B281) No. 4 - (B557) No. 1: 

Is there any fault in the harness? Repair or replace the harness between the body integrated unit and the key lock solenoid. Go to step 12  .
12 CHECK HARNESS BETWEEN KEY LOCK SOLENOID AND CHASSIS GROUND. 
Measure the resistance of harness between key lock solenoid and chassis ground.
Connector & terminal 
(B557) No. 2 - Chassis ground: 
Is it less than 10 Ω? Go to step 13  . Repair or replace the harness between the key lock solenoid and chassis ground.
13 CHECK KEY LOCK SOLENOID OPERATION. 
Connect the battery to the key lock solenoid connector terminal, and operate the solenoid.
Terminals 
No. 2 (+) - No. 1 (-): 
Does the key lock solenoid operate normally? Go to step 14  . Replace the key lock solenoid.
14 CHECK OUTPUT OF BODY INTEGRATED UNIT. 
  1. Connect all connectors.
  2. Insert the key.
  3. Measure the voltage between body integrated unit and chassis ground.

    Connector & terminal 

    (B281) No. 4 - Chassis ground: 

Is it 7.5 V to 16 V in ranges other than "P", and 0 V in the "P" range? Check the lock mechanism of the steering lock body. Replace the body integrated unit.