lemon-mirror:
Home >> Subaru >> 2016 >> BRZ Series.HyperBlue >> Repair and Diagnosis >> Engine Performance >> Engine Control Systems >> Fuel Injection System >> Fuel System (Fa20) >> Circuit Figure

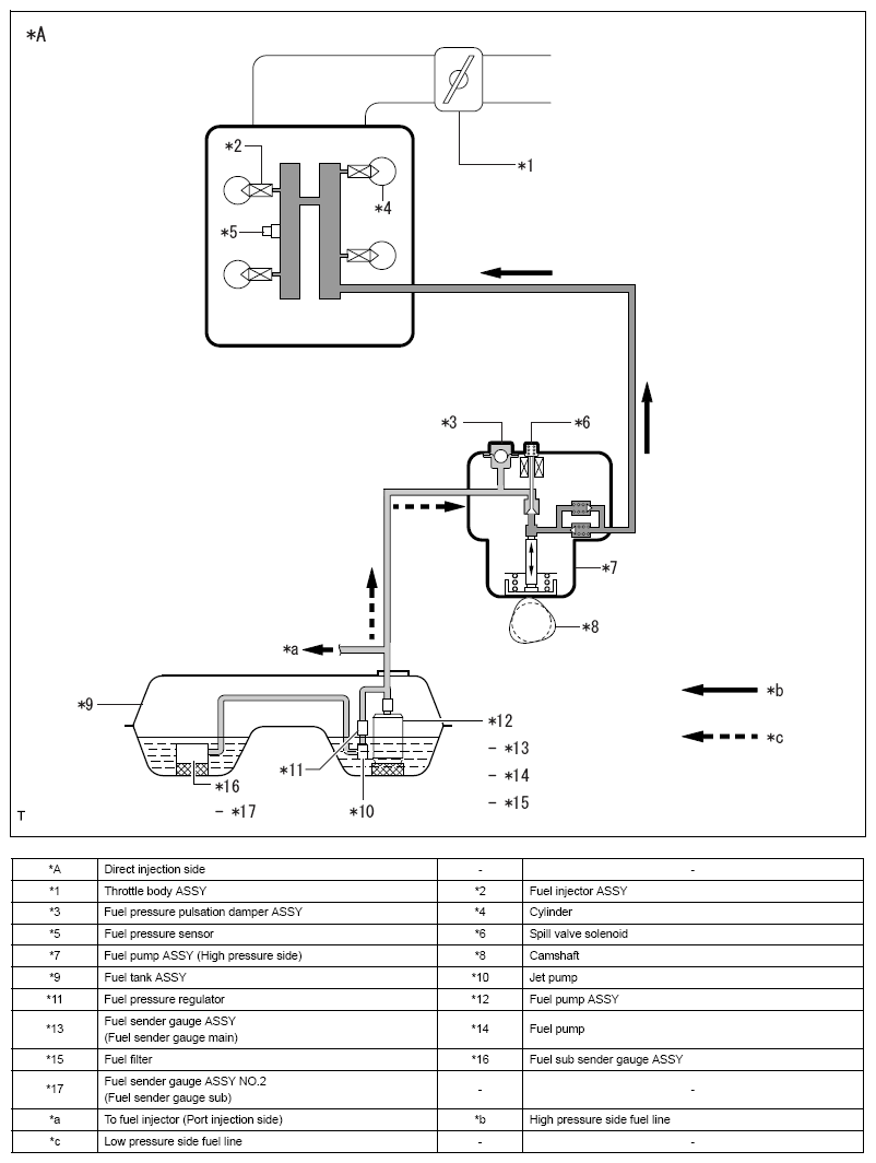
Circuit Figure

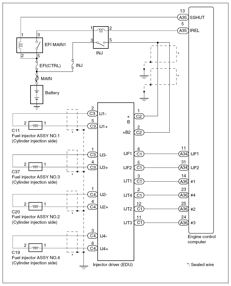
Fig 1: Fuel Injection System Circuit Diagram (Direct Injection Side)
G10213398Courtesy of SUBARU OF AMERICA, INC.
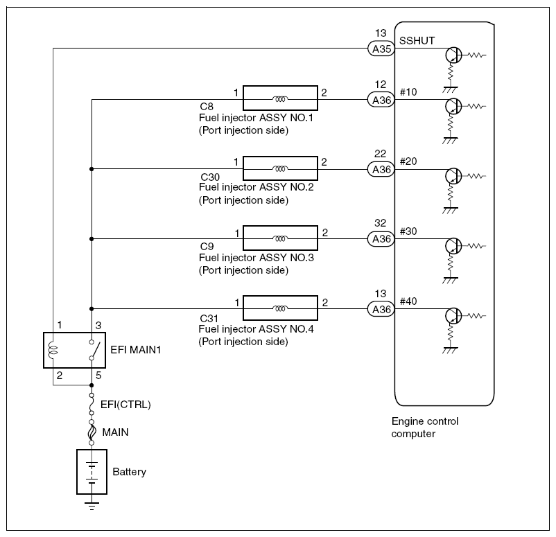
Fig 2: Fuel Injection System Circuit Diagram (Port Injection Side)
G10213399Courtesy of SUBARU OF AMERICA, INC.
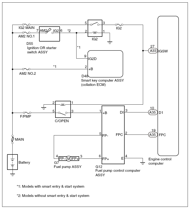
Fig 3: Fuel Injection System Circuit Diagram (Complete System)
G10213400Courtesy of SUBARU OF AMERICA, INC.
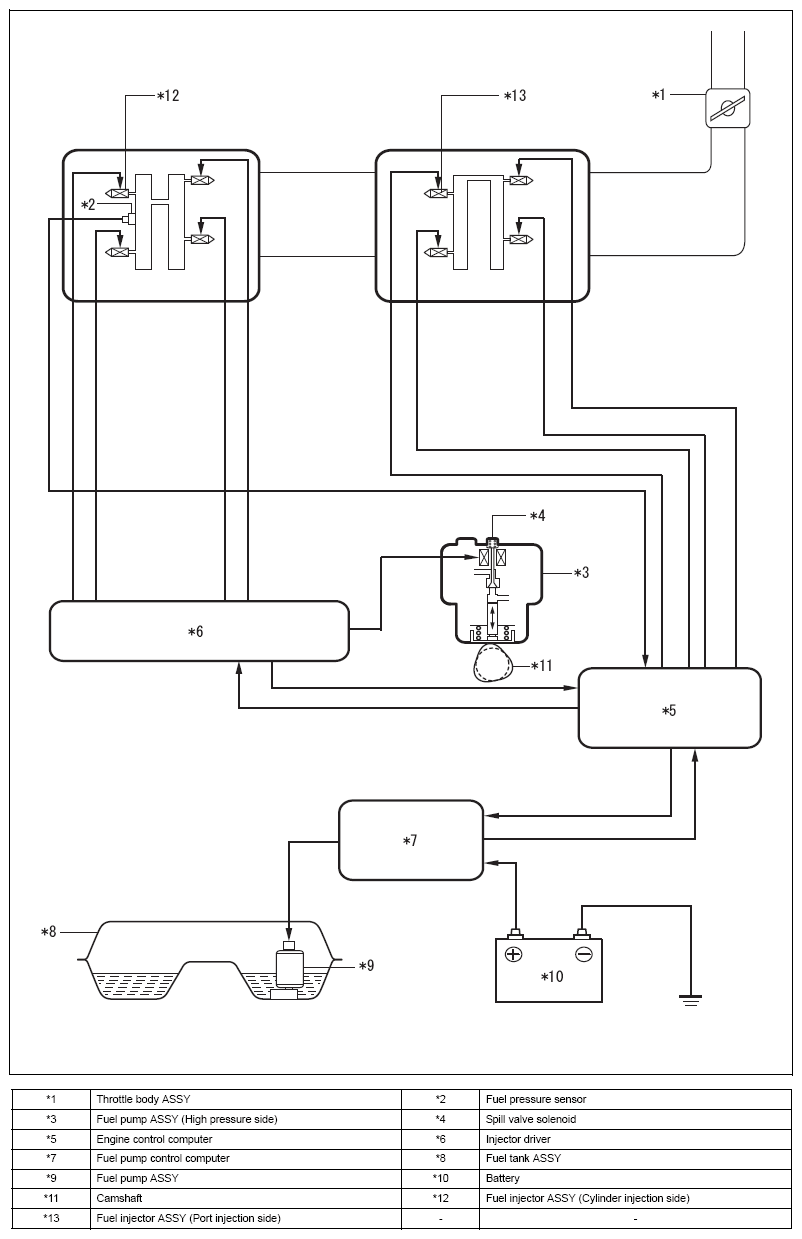
  1. Fuel injector Assembly (Cylinder injection side)
    Fig 4: Fuel Injector Assembly Circuit Diagram (Cylinder Injection Side; 1 Of 2)
    G10213401Courtesy of SUBARU OF AMERICA, INC.
    Fig 5: Fuel Injector Assembly Circuit Diagram (Cylinder Injection Side; 2 Of 2)
    G10213402Courtesy of SUBARU OF AMERICA, INC.
  2. Fuel injector Assembly (Port injection side)
    Fig 6: Fuel Injector Assembly Circuit Diagram (Port Injection Side; 1 Of 2)
    G10213403Courtesy of SUBARU OF AMERICA, INC.
    Fig 7: Fuel Injector Assembly Circuit Diagram (Port Injection Side; 2 Of 2)
    G10213404Courtesy of SUBARU OF AMERICA, INC.