lemon-mirror:
Home >> Subaru >> 2016 >> BRZ Series.HyperBlue >> Repair and Diagnosis >> Engine Performance >> System >> Engine Control System Diagnostics - System & Circuit Checks >> Fuel Pump Control System >> Circuit figure

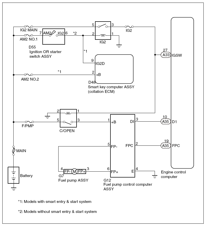
Circuit figure

Fig 1: Fuel Pump Control System Circuit Diagram
G10212959Courtesy of SUBARU OF AMERICA, INC.