lemon-mirror:
Home >> Subaru >> 2016 >> BRZ Series.HyperBlue >> Repair and Diagnosis >> Steering >> Steering Column >> Steering Lock System >> Circuit Figure

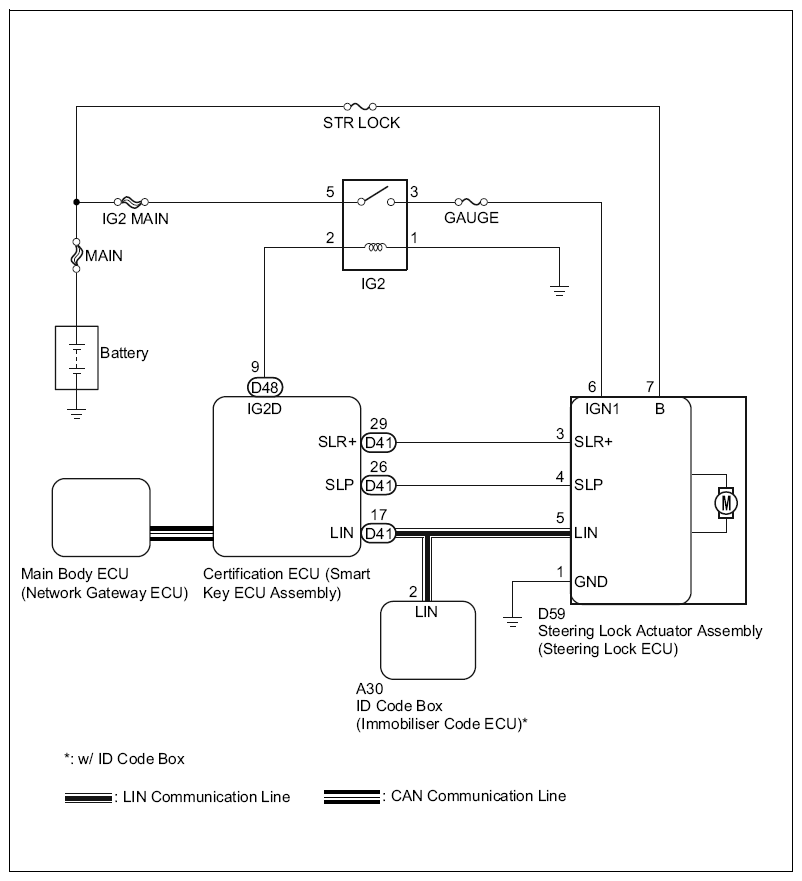
Circuit Figure

Fig 1: Steering Lock System Circuit Diagram
G10215712Courtesy of SUBARU OF AMERICA, INC.