lemon-mirror:
Home >> Subaru >> 2016 >> Forester 2.0XT Touring >> Repair and Diagnosis >> Transmission >> Transmission Control Systems >> At Shift Lock Control System >> Wiring Diagram >> Model With Push Button Ignition Switch

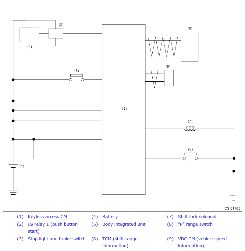
Model With Push Button Ignition Switch

Fig 1: AT Shift Lock Control System - Wiring Diagram (Model With Push Button Ignition Switch)
G10406018Courtesy of SUBARU OF AMERICA, INC.