lemon-mirror:
Home >> Subaru >> 2016 >> Outback 2.5i >> Repair and Diagnosis >> Transmission >> Transmission Control Systems >> AT Shift Lock Control System >> Wiring Diagram >> Model Without Push Button Ignition Switch

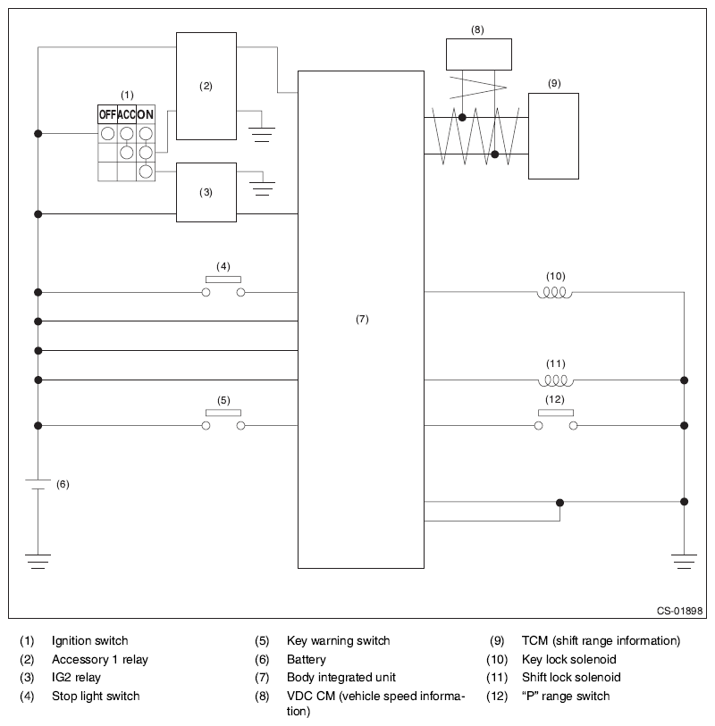
Model Without Push Button Ignition Switch

Fig 1: Ignition Switch - Circuit Diagram (Model Without Push Button Ignition Switch)
G10312669Courtesy of SUBARU OF AMERICA, INC.