lemon-mirror:
Home >> Subaru >> 2017 >> Crosstrek Limited >> Repair and Diagnosis >> Transmission >> Automatic Trans >> Transmission Control Systems >> AT Shift Lock Control System >> Wiring Diagram >> Model With Push Button Ignition Switch

Model With Push Button Ignition Switch

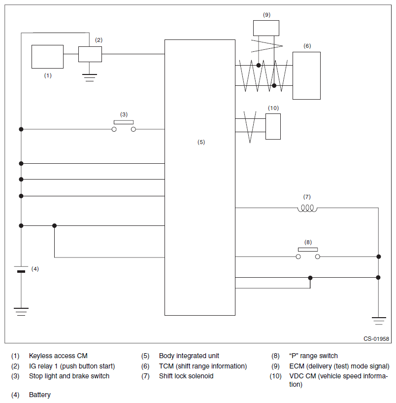
Fig 1: AT Shift Lock Control System Component Location (Model With Push Button Ignition Switch) Wiring Diagram
G11568015Courtesy of SUBARU OF AMERICA, INC.