lemon-mirror:
Home >> Subaru >> 2017 >> Crosstrek Limited >> Repair and Diagnosis >> Transmission >> Automatic Trans >> Transmission Control Systems >> AT Shift Lock Control System >> Wiring Diagram >> Model Without Push Button Ignition Switch

Model Without Push Button Ignition Switch

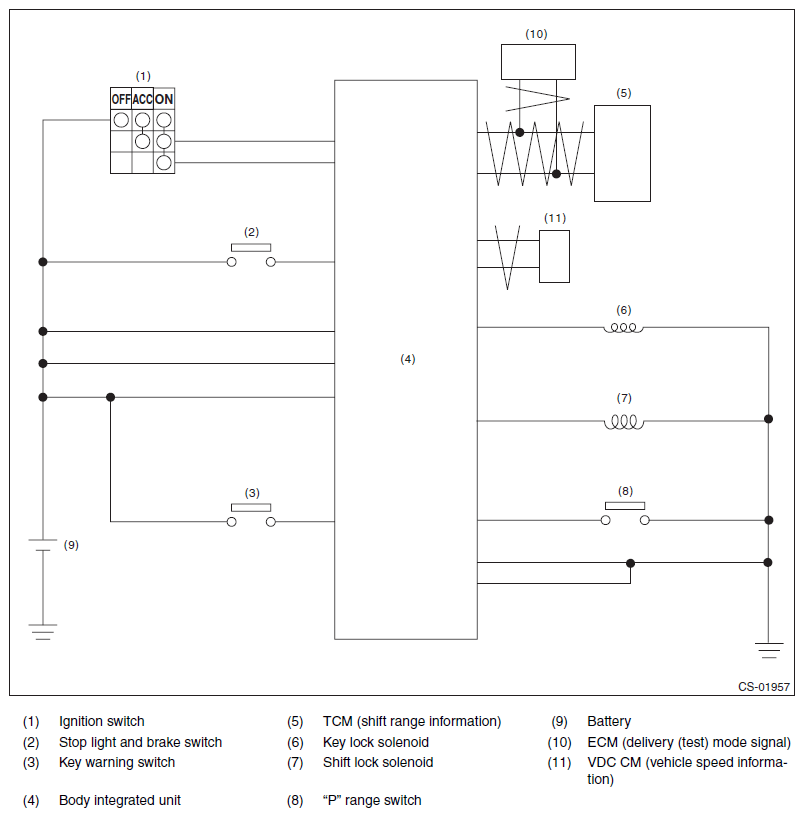
Fig 1: AT Shift Lock Control System Component Location (Model Without Push Button Ignition Switch) Wiring Diagram
G11568014Courtesy of SUBARU OF AMERICA, INC.