lemon-mirror:
Home >> Subaru >> 2020 >> BRZ tS >> Repair and Diagnosis >> Engine Performance >> Engine Control Systems >> Fuel Injection System >> Fuel System (FA20) >> Circuit Figure

Circuit Figure

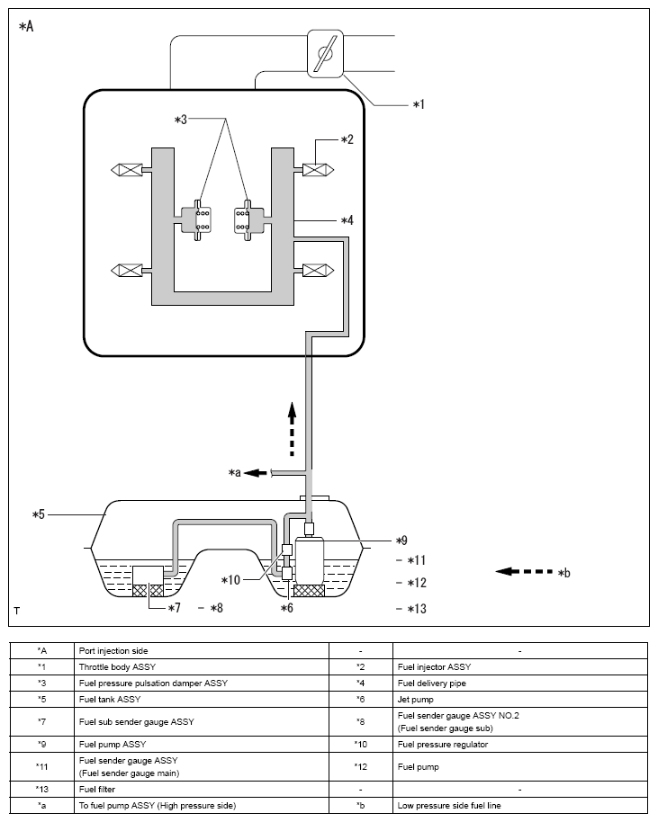
G12586770Courtesy of SUBARU OF AMERICA, INC.
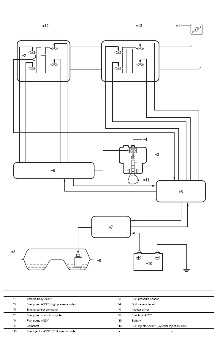
G12586771Courtesy of SUBARU OF AMERICA, INC.
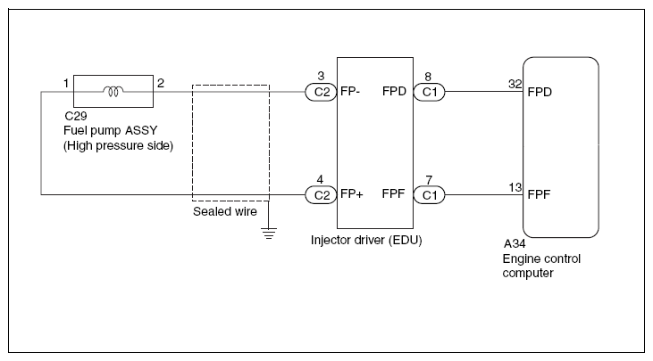
G12586772Courtesy of SUBARU OF AMERICA, INC.
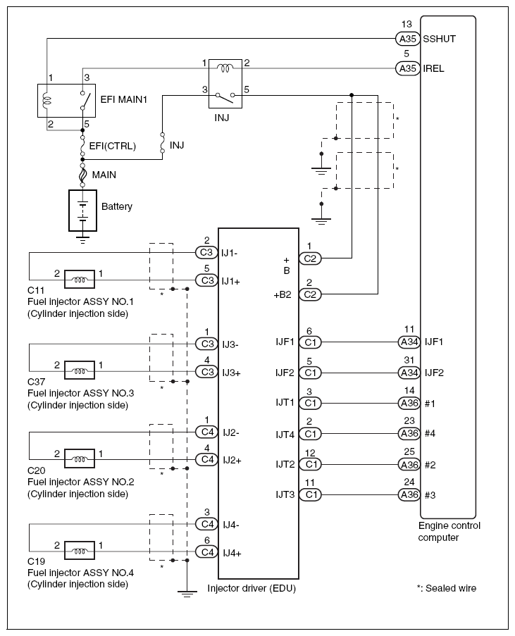
  1. Fuel injector ASSY (Cylinder injection side)
    G12586773Courtesy of SUBARU OF AMERICA, INC.
    G12586774Courtesy of SUBARU OF AMERICA, INC.
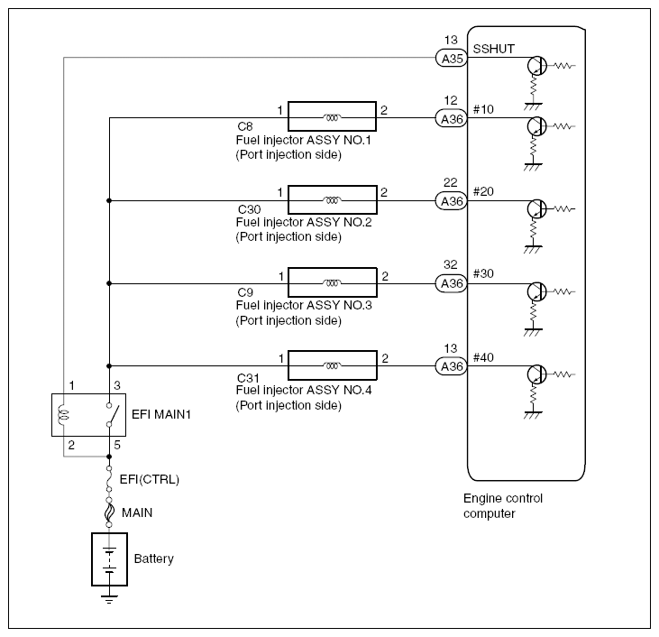
  2. Fuel injector ASSY (Port injection side)
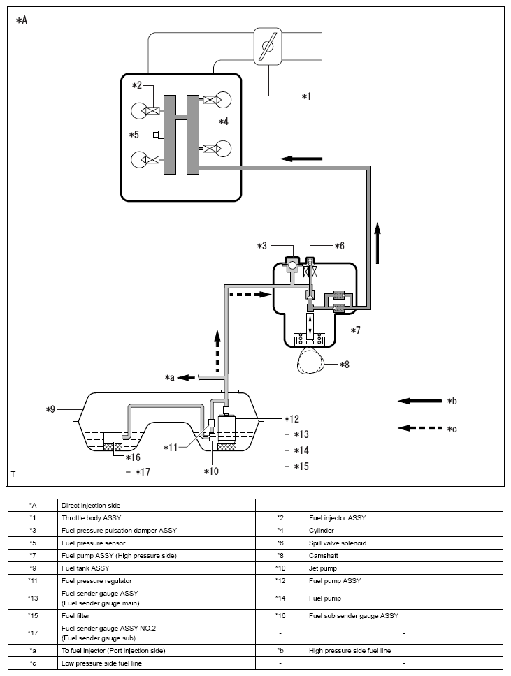
    G12586775Courtesy of SUBARU OF AMERICA, INC.
    G12586776Courtesy of SUBARU OF AMERICA, INC.