lemon-mirror:
Home >> Subaru >> 2020 >> Crosstrek Base, Standard Trans >> Repair and Diagnosis >> Transmission >> Automatic Trans >> Transmission Control System >> AT Shift Lock Control System >> Wiring Diagram >> Model Without Push Button Ignition Switch

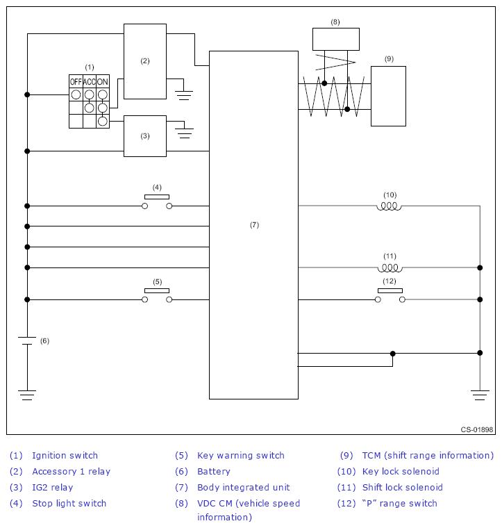
Model Without Push Button Ignition Switch

G13602831Courtesy of SUBARU OF AMERICA, INC.