lemon-mirror:
Home >> Subaru >> 2020 >> WRX Base >> Repair and Diagnosis >> Steering >> Steering Control Systems >> Power Steering System (Diagnostics) >> Control Module I/O Signal >> Wiring Diagram

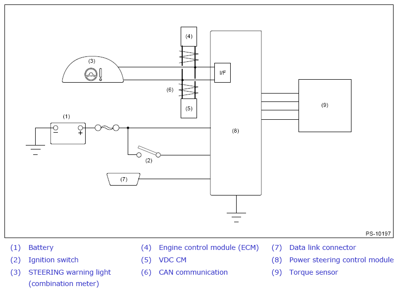
Control Module I/O Signal: Wiring Diagram

G13650923Courtesy of SUBARU OF AMERICA, INC.