lemon-mirror:
Home >> Subaru >> 2020 >> WRX Base >> Repair and Diagnosis >> Steering >> Steering Control Systems >> Power Steering System (Diagnostics) >> Subaru Select Monitor >> Inspection >> Communication For Initializing Impossible

Communication For Initializing Impossible

Detecting condition: 

Trouble symptom: 

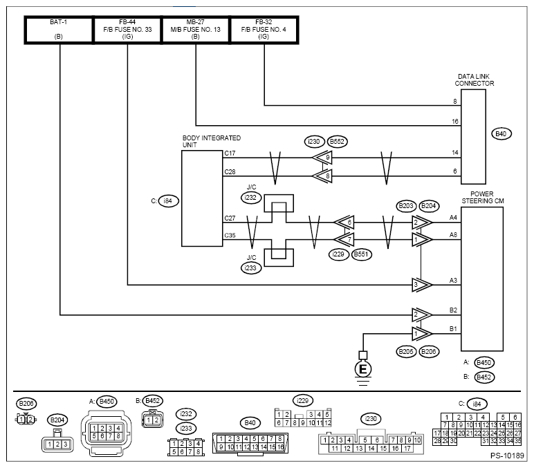
Wiring diagram: 

Electric power steering system Ref. to WIRING SYSTEM>ELECTRIC POWER STEERING SYSTEM .

G12454194Courtesy of SUBARU OF AMERICA, INC.
  1. CHECK IGNITION SWITCH. 

    Is the ignition switch ON?

    Yes:  Go to  2.

    No:  Turn the ignition switch to ON, and select the power steering using the Subaru Select Monitor.

  2. CHECK BATTERY. 
    1. Turn the ignition switch to OFF.
    2. Measure the battery voltage.

    Is the voltage 11 V or more?

    Yes:  Go to  3.

    No:  Charge or replace the battery.

  3. CHECK BATTERY TERMINAL. 

    Is there poor contact at battery terminal?

    Yes:  Replace or tighten the battery terminal.

    No:  Go to  4.

  4. CHECK POWER STEERING CONTROL MODULE CONNECTOR>INSTALLATION. 

    Turn the ignition switch to OFF.

    Is the power steering control module connector inserted into the power steering control module until the clamp locks?

    Yes:  Go to  5.

    No:  Insert the power steering control module connector into the power steering control module.

  5. CHECK LAN SYSTEM. 

    Perform the diagnosis for LAN system. Ref. to LAN SYSTEM (DIAGNOSTICS)>BASIC DIAGNOSTIC PROCEDURE .

    Is there any fault in LAN system?

    Yes:  Perform the diagnosis according to DTC for LAN system. Ref. to LAN SYSTEM (DIAGNOSTICS)>LIST OF DIAGNOSTIC TROUBLE CODE (DTC) .

    No:  Go to  6.

  6. CHECK SUBARU SELECT MONITOR COMMUNICATION. 
    1. Turn the ignition switch to ON.
    2. Check whether communication to power steering system can be executed normally.

    Is «Select Function» displayed?

    Yes:  Check DTC of electric power steering system. Ref. to POWER ASSISTED SYSTEM (POWER STEERING) (DIAGNOSTICS)>READ DIAGNOSTIC TROUBLE CODE (DTC) .

    No:  Go to  7.

  7. CHECK SUBARU SELECT MONITOR COMMUNICATION. 

    Connect the Subaru Select Monitor to another vehicle to check whether the communication for initializing can be executed normally.

    Does the Subaru Select Monitor communicate normally?

    Yes:  Go to  8.

    No:  Repair or replace the Subaru Select Monitor.

  8. CHECK POWER SUPPLY CIRCUIT. 
    1. Turn the ignition switch to ON. (Engine OFF)
    2. Measure the ignition power supply voltage between the power steering control module connector and chassis ground.

    Connector & terminal 

    (B450) No. 3 (+) - Chassis ground (-):

    (B452) No. 2 (+) - Chassis ground (-):

    Is the voltage 10 - 15 V?

    Yes:  Go to  9.

    No:  Repair the open circuit in the harness between the power steering control module and the battery.

  9. CHECK HARNESS CONNECTOR BETWEEN POWER STEERING CONTROL MODULE AND CHASSIS GROUND. 
    1. Turn the ignition switch to OFF.
    2. Disconnect the connector from the power steering control module.
    3. Measure the resistance of harness between power steering control module connector and chassis ground.

    Connector & terminal 

    (B452) No. 1 - Chassis ground:

    Is the resistance less than 10 Ω?

    Yes:  Go to  10.

    No:  Repair the open circuit of the power steering control module ground circuit and the poor contact of connector.

  10. CHECK POOR CONTACT OF CONNECTOR. 

    Is there poor contact of power steering control module power supply, ground circuit and data link connector?

    Yes:  Repair the connector.

    No:  Replace the steering gearbox. Ref. to POWER ASSISTED SYSTEM (POWER STEERING)>ELECTRIC POWER STEERING GEARBOX .